【導讀】在電子系統中,經常需要在有較大電勢差的高壓系統和低壓電路之間建立可靠的隔離,以阻止兩個域不同部件之間的異常直流和交流電流,保護人身安全免受電擊或者減少設備遭受損壞的風險。按照安全要求的等級,隔離可被分為功能隔離、基本隔離、雙隔離和增強隔離。
不過,隔離并不等于“隔絕”,在彼此隔離的兩個系統域之間還是需要進行信號和/或電源的傳輸的,因此在確保符合隔離安規要求的同時,建立這種傳輸“通道”就是電子設計工程師經常要面對的功課了。
隔離DC-DC方案的選型
在電源設計方面,從隔離柵一側向另一側提供偏置電源,為相關的電路和設備(如電流和電壓傳感器、數字隔離器和柵極驅動器)供電,對于電源工程師來說,不是一個新挑戰。經過多年的技術積淀,大家已經找到了不少“穿越隔離柵供電”的有效方法,歸納起來,有以下常見的幾類:
反激式轉換器
反激式轉換器,廣泛應用于直流直流轉換,并在輸入級和輸出級之間提供絕緣隔離,是開關電源的一種。反激轉換器的拓撲需要一個初級開關、一個整流器和一個類似變壓器的耦合電感器,能在一個轉換級內實現調節和隔離,還可靈活地實現多個輸出,應用時可通過選擇輸出繞組數量,通過在變壓器上纏繞線圈來匹配所選的配置。與其他的拓撲相比,這種電源轉換器具有靈活性和低成本的特點。反激式轉換器主要的設計挑戰在于如何讓變壓器實現良好耦合,減少漏感,以及限制初級側與次級側間的寄生電容,有效防止電磁干擾(EMI)。

圖1:反激式轉換器(圖源:TI)
Fly-Buck™轉換器
這是Texas Instruments(TI)為隔離式偏置電源專門打造的一個專用拓撲,其工作輸入電壓可高達100V。此拓撲采用同步降壓轉換器與耦合電感器,可產生一個或多個隔離式輸出。由于反饋環路可在初級輸出電壓處閉合,因此該轉換器無需附加的輔助繞組或光耦合器進行控制,耦合電感結構靈活,可根據應用需要靈活控制匝數比、隔離等級、次級繞組數和PWM占空比等。不過,Fly-Buck™轉換器與反激式轉換器相類似,在應用時也需要工程師在耦合電感器設計、控制漏感和初次級間的寄生電容、減少EMI上下功夫。

圖2:Fly-Buck™轉換器(圖源:TI)
推挽式轉換器
這是一種適用于低噪聲、小型隔離式電源的常用解決方案,由具有嚴格電壓調節功能的輸入軌供電,開環運行,固定占空比50%。其優勢在于:具有支持多路輸出的靈活性;開環配置省去了反饋環路,簡化了設計;具有較低的初級-次級電容,能降低共模噪聲;能更有效地利用變壓器鐵芯的磁化電流,與反激式和Fly-Buck™轉換器相比,系統空間可以更為緊湊。不過推挽轉換器也有自身的弱點,如:不支持寬輸入電壓范圍,因此需要嚴格調節輸入電壓;以及由于沒有閉合環路,不容易滿足輸出電壓反饋調節的要求,可能需要后置LDO。

圖3:推挽式轉換器(圖源:TI)
電源模塊
為了適應系統小型化的設計趨勢,人們還設計出了隔離DC-DC電源模塊,通過將控制器、整流器,甚至是變壓器集成在一個封裝中,電壓模塊具有明顯的集成度優勢。使用電源模塊做設計,一般無需規定、設計或選擇變壓器,因此大大簡化了設計過程,只需加入輸入和輸出去耦電容器即可;而且經過多年的發展,電源模塊產品組合也非常豐富,可以滿足多種應用所需。不過與上文提及的其他方案相比,由于電源模塊在輸出數量配置等方面相對固定,靈活性可能會有所降低。

圖4:電源模塊(圖源:TI)
可以說,各種隔離偏置電源解決方案各具特點,在應用時需要根據隔離等級、輸入電壓、輸出電壓、輸出功率、環境工作溫度范圍、抗電磁干擾(EMI)特性能等方面做綜合的考量,做出合理的選擇。

表1:不同隔離DC-DC偏置電源方案的比較
(圖源:TI)
如果從輸出功率等級這個角度入手,可以將隔離DC-DC偏置電源分為不同的級別,以方便我們去做針對性的技術決策:
● 功率低于2W:適合使用全集成的電源模塊方案,其使用簡單,且節省面積。
● 功率2W至10W:一般采用“半集成的轉化器+片外變壓器”的方案——包括反激式、Fly-Buck™或推挽式變壓器拓撲——其不需要光耦,靜態電流低,系統效率高。
● 功率大于10W:推薦使用外置開關管和變壓器,配合控制器的方案,以滿足功率和效率等方面的要求。
在以上每個細分的應用領域,都會有更為具體的設計痛點,這也為元器件廠商提供了創新和形成差異化優勢的空間。比如今天我們就會為大家介紹TI 最新推出的一款應用于2W以下、內置集成磁變壓器的方案,且聽我們慢慢道來。
低功耗隔離DC-DC設計的考量
當我們聚焦在小于2W的低功耗隔離DC-DC偏置電壓這個細分場景時,首先就要對目前主流的技術方案進行一個梳理。
在小于500kHz的應用中,是可以采用分立器件方案的(如采用反激式或推挽式拓撲),但是由于變壓器、控制器、整流器等都是獨立外置的,系統的占板空間太大,因此現在大多數設計都會采用集成度更高的電源模塊,傳統的電源模塊在功率密度上與分立器件方案相比,可以提升約2.5倍。
但是傳統電源模塊的的局限性也很明顯。由于封裝材料的限制,傳統電源模塊的工作溫度一般在85℃,最高不過105℃;另外受限于變壓器繞組的漆膜,在同樣隔離要求下很難進一步壓縮器件的體積;有時為了通過EMI測試,還需要加上LC濾波器,會增加系統的復雜度和成本……
作為對傳統電源模塊的“升級”,有廠商推出了集成Air Core(空氣磁芯)變壓器的產品。這種特殊的變壓器結構使其整體的封裝尺寸與傳統電源模塊相比明顯減小,很適合于20MHz以上(通常60-180MHz)的高頻應用。但Air core器件效率比較低,只有30-50%,同時由于空氣磁芯的設計,會帶來更多的EMI問題。
現有產品和方案的短板,恰恰為后來者提供了“做文章”的題材,也就是創新的著眼點。TI 新推出的UCC12050隔離式DC-DC轉換器。設計用于為需要具有良好穩壓輸出電壓的偏置電源的隔離電路提供高效隔離電源,采用了集成磁芯變壓器的專有架構,平衡了效率和功率密度等方面的要求,面向7-10MHz這個工作頻率范圍,支持4.5V至5.5V的輸入電壓,提供5.0V,5.4V,3.3V或3.7V穩壓輸出、500mW的輸出功率,同時在隔離性能、外形尺寸、工作溫度、電磁兼容等方面進行了全面的優化,為用戶提供了一個理想的隔離DC-DC解決方案。

圖5:UCC12050在小于2W低功耗隔離DC-DC
電源領域的定位(圖源:TI)
UCC12050方案解析
其實,細心的讀者可能已經發現,我們在表1中已經對UCC12050這款新品與其他解決方案拓撲進行了比較,具體來講,UCC12050的過人之處體現在以下幾個方面:
01 采用了全集成方案,尺寸更小、功率密度更高
UCC12050采用16引腳小外形集成電路(SOIC)封裝,尺寸為10.3mm × 10.3mm × 2.65mm,功率密度是傳統隔離電源模塊的兩倍。這種高集成度也顯著簡化了BOM,讓設計方案更容易通過相關的產品認證。

圖6:UCC12050在緊湊的外形中實現了
更高的功率密度(圖源:TI)
02 增強型隔離,寬溫度范圍,提升了可靠性
UCC12050具有5kVRMS增強隔離,帶有8mm爬電距離和電氣間隙,可保護和抵抗地電位差。該產品還具有-40°C至125°C極寬的工作溫度范圍,可在極端條件下應用,這與傳統電源模塊有限的工作溫度范圍相比無疑是個很大的突破。
03 提供60%的效率,是同尺寸競品的兩倍
與Air core架構的電源模塊相比,UCC12050可以實現60%的效率,幾乎是競品的2倍。由此也使得產品工作時的散熱特性更為優秀,從下圖中就可見一斑。

圖7:UCC12050的高密度提供了更佳的散熱特性
(圖源:TI)
04 創新的架構,實現更低的EMI
UCC12050集成磁性變壓器的獨特設計,使其具有更低的初級到次級的寄生電容,優化了EMI性能,并且其噪音控制方案使得工程師更容易讓他們的設計通過國際無線電干擾特別委員會(CISPR)32 B級電磁干擾測試。磁性變壓器相比于Air core產品也更有利于EMI的治理。在使用其他電源模塊時,為了滿足EMI認證,會在外部添加如低壓差穩壓器(LDO)和鐵氧體磁珠等濾波器組件,而UCC12050出色的EMI特性完全可以省掉這些額外的元器件,大大減少系統成本和設計時間。

圖8:UCC12050與Air core產品相比,
具有更低的EMI(圖源:TI)
特別值得一提的是,在推出UCC12050的同時,TI還發布了一款滿足3kVRMS基本型隔離等級要求的姊妹產品UCC12040,它對于電機驅動、智能電表、樓宇自動化等不需要人員與設備直接接觸等應用場景更為適合,兩個產品一同聯手,可以覆蓋相當廣闊的應用市場。

圖9:UCC12050與UCC12040的隔離特性
和應用場景(圖源:TI)
新方案的典型應用
憑借可靠隔離、優化的EMI特性、小型化、高效率等特性,UCC12050會在很多應用中找到自己的立足點。
比如在智能電網中,電量監測設備從檢測端到控制端需要隔離,同時又需要為檢測端的電路提供偏置電源。UCC12050優秀的EMI特性對檢測信號影響小,內部集成磁變壓器的架構又減少了系統體積,同時又能夠提供足夠的隔離安全性、必要的保護功能,以及精確的電壓控制和出色的瞬態響應,自然是理想之選。

圖10:UCC12050在智能電網中的應用
(圖源:TI)
UCC12050的另一個用例是在電動汽車電池管理方面。電動汽車高壓電池在高于60V的情況下,需要檢測漏電流和對地電阻,這就要求能夠為這些檢測電路和ADC電路供電。UCC12050低EMI、小體積、簡單易用的特性恰好可以滿足相關的設計需求。

圖11:UCC12050在電動汽車電池管理中的應用
(圖源:TI)
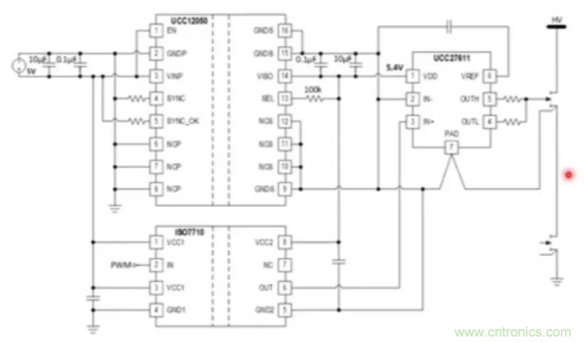
另外在目前日漸火爆的GaN的應用中,UCC12050也可以擔負起為柵極驅動和數字隔離芯片供電的職責。其可以提供5V和5.4V的穩定驅動電壓輸出,同時更小的寄生電容在高速高頻應用中也是一個優勢。

圖12:UCC12050支持GaN器件的應用
(圖源:TI)
總之,隔離的應用場景各異,因此對于“穿越隔離柵供電”的需求也就各不相同,TI在小于2W輸出功率的應用領域,巧妙地找到了一個市場切入點,并基于自身獨特的技術進行了優化設計,為大家奉上了UCC12050/UCC12040這樣優秀的解決方案。對于電源工程師來說,這個妙招兒可以讓開發工作事半功倍,趕快收入囊中吧!
推薦閱讀:






