【導讀】輸入橋式整流器的損耗是實現AC-DC電源單元(PSU)最佳能效的一個障礙。無橋圖騰柱功率因數校正(PFC)電源拓撲結構是個簡潔的解決方案,它用四個有源開關器件取代了有損耗的橋式整流器和PFC FET以及升壓二極管。然而,這種拓撲結構必須使用復雜的控制算法,這可能需要增加一個昂貴的微控制器。控制元件的成本和復雜性對一些工程團隊來說是采用該技術的障礙。本文所述的NCP1680混合信號控制器提供了一個方案來解決這設計挑戰。
摘要
輸入橋式整流器的損耗是實現AC-DC電源單元(PSU)最佳能效的一個障礙。無橋圖騰柱功率因數校正(PFC)電源拓撲結構是個簡潔的解決方案,它用四個有源開關器件取代了有損耗的橋式整流器和PFC FET以及升壓二極管。然而,這種拓撲結構必須使用復雜的控制算法,這可能需要增加一個昂貴的微控制器。控制元件的成本和復雜性對一些工程團隊來說是采用該技術的障礙。本文所述的NCP1680混合信號控制器提供了一個方案來解決這設計挑戰。
AC-DC電源無處不在,占全球能源消耗的很大比例,因此它們的能效與系統成本直接相關,在更高的層面上,它有助于排放。在討論AC-DC電源時,還有一個相關的參數也很重要--輸入功率因素。
如果線路電流和線路電壓不具有相同的正弦波形和相位,那么電源所吸收的視在功率就會高于必要值。這將導致能效低下,并通過電網傳播。可采用功率因數校正(PFC)來解決這種低能效,而且PFC現在已經成為多個國家和地區的法定要求。
一個沒有有源功率因數校正的典型PSU容易比一個有校正的PSU多消耗70%的電流,因此現在強制要求將PFC加入電路,且PFC值需接近1。
更確切地說,EMC標準如IEC61000-3-2,對由失真的線路電流產生的高達40次的線路諧波功率進行了限制。80 PLUS認證計劃提倡80%的能效,相關于20%、50%和100%負載下的能效。80 PLUS標準的最高水平被稱為“80+ Titanium標準”,它規定負載從10%到100%的能效至少為90%。
實現'80 + Titanium標準'能效合規性
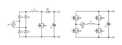
主動校正功率因數的傳統方法是使用一個升壓轉換器,將整流電源電壓轉換成高于電源電壓峰值的直流電壓,圖1(左)。采用脈沖寬度調制來調節直流電壓,同時迫使線路電流跟隨線路電壓波形。
該技術在連續、非連續和臨界導通模式下運行良好,易于控制,與升壓電感器能量是否在每個周期內完全耗盡有關。然而,提高AC-DC轉換器能效的壓力也很大,最嚴格的“80+ Titanium標準”規定服務器在230 V AC輸入、50%負載時,能效最高達96%。
通常情況下,DC-DC級允許有2%的損耗,只留下2%用于線路整流和PFC級,但僅橋式整流器就容易損耗1%以上,在低壓時損耗最高可達1.7%左右。
圖1:傳統的(左)和(右)無橋圖騰柱PFC電路
因此,我們開發了一種更有效的技術,即無橋“圖騰柱PFC”(TPPFC),圖1(右),其中升壓二極管被同步整流器取代,使升壓晶體管和升壓二極管Q1和Q2的功能可互換,具體取決于電源極性。現在只需要兩個線路整流二極管,而且它們也可以是同步整流器Q3和Q4,如圖所示,以獲得更高能效。
如果有完美的開關、理想的電感器和無二極管壓降,TPPFC電路的能效可接近100%。然而,真正的開關有導通和開關損耗,盡管可使用超低導通電阻的MOSFET(甚至并聯)來實現低導通損耗,但這必然會增加動態損耗。這意味著必須取得一種平衡。
動態損耗源于當其體二極管在開關“死區”時間內導通時配置為升壓同步整流器的MOSFET的反向恢復,也源于開關輸出電容的充電和放電。對能效的影響可能非常嚴重,以至于在連續導通模式下工作時,硅MOSFET甚至是“超級結”類型在電路中都不可行。因此,必須考慮碳化硅和氮化鎵的寬禁帶開關。
連續導通模式(CCM)在更高的功率下更受歡迎,因為開關和電感器的峰值電流可以設置得很低,從而減少了均方根值,使導通和電感器磁芯的損耗保持在低水平。然而,這是一種“硬”開關模式,其反向恢復和輸出電容效應會導致高動態損耗。
在低功率下,非連續導通模式(DCM)具有較低的導通損耗,因為此時升壓二極管的電流已降至零,因此沒有電荷需要恢復。然而,峰值和均方根電流可能無法控制,導致高歐姆和磁芯損耗,因此該模式不適合高功率。
臨界導通模式是個很好的折衷方案
一個很好的折衷辦法是在臨界導通模式或CrM模式下工作,可達幾百瓦,采用交錯時可更高。在這種模式下,隨著負載電流或線路電壓的變化,開關頻率被改變以迫使電路在CCM和DCM之間的邊界上運行。低導通損耗的好處得以保留,同時將峰值電流限制在2倍的平均值,以實現合理的導通和磁芯損耗。(圖2)。
圖2:PFC升壓電感電流波形,臨界導通模式
雖然CrM的關斷會產生硬的開關換向,但升壓二極管的任何正向恢復都會導致一些損耗和輸出電壓過沖。CrM的可變開關頻率也有一個缺點,即在輕載時,頻率可能非常高,產生更多的開關損耗,降低能效。這關系由下式表示:
該等式意味著開關頻率與輸入功率的直接反比關系,因此20%到100%的負載功率或5倍的變化應該會產生5倍的頻率變化以實現恒定能效。然而,無論如何,更高的頻率會降低能效,因此這些因素會相互影響。頻率和均方根線路電壓之間的關系更為復雜,在線路范圍內產生的頻率變化通常超過2:1,并在中間電壓處達到峰值。
CrM中的鉗位頻率降低輕載損耗
在輕載時,能效下降可達10%,在試圖滿足待機或空載能耗限制時,這是個真正的問題。解決這個問題的辦法是鉗位或 “反走”允許的最大頻率,在輕載時迫使電路進入DCM,與CrM相比,峰值電流較低。
因此,在整個線路和負載范圍內,中等負載和高能效的功率因數校正的一個好的解決方案是帶有頻率箝位的圖騰柱架構。該電路應使用硅MOSFET的組合來進行交流電同步整流,并在高頻 “支路”上使用寬禁帶開關。
然而,控制這個電路是個挑戰,需要驅動四個有源器件,檢測二極管零電流以強制在輕載時自動從CrM切換到DCM,同時調節輸出電壓并保持高功率因數。需要開關過流保護,以及輸出過壓檢測。所有這些都可以通過在一個與開關和檢測參數接口的微控制器中實現復雜的控制算法來實現。
然而,該解決方案可能很貴,且電源設計人員現在必須參與對器件進行編碼以獲得最佳性能--對于那些不熟悉的人來說,這是一項令人生畏且耗時的任務。
混合信號TPPFC CrM控制器
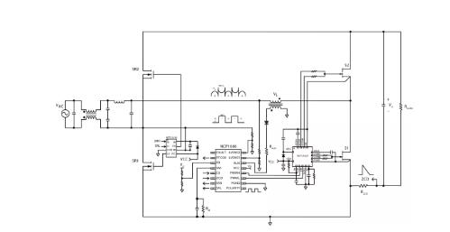
安森美(onsemi)現在提供一個更簡單的解決方案,而且不需要編碼。NCP1680被認為是業界唯一的混合信號CrM TTPFC控制器,它采用SOIC-16封裝。
該器件具有專有的低損耗電流檢測架構和經驗證的控制算法,是一種具有高性價比、低風險但高性能的解決方案。該器件具有恒定的CrM導通時間和在輕載下頻率反走期間的“谷底開關”,以在最低電壓下開關來提高能效。數字電壓控制環路經過內部補償,便于系統設計,在整個負載范圍內具有優化性能。
逐周期電流限制用于保護,不需要霍爾效應傳感器。圖3給出了一個簡化的原理圖,顯示了使用NCP1680的圖騰柱PFC級。
圖3:使用NCP1680的簡化的TPPFC典型應用框圖
現有NCP1680的評估板(圖4),使用GaN HEMT單元作為快速開關,Si-MOSFET作為交流電同步整流器。
圖4:安森美的NCP1680評估板
該評估板在從90-265 V AC的395 V DC下提供300 W,且滿載能效峰值接近99%,在低至20%的負載下的整個電壓范圍內達到98%(圖5)。
圖5:安森美NCP1680評估板的能效曲線圖
隨著安森美推出寬禁帶半導體和高性價比的混合信號、臨界導通模式控制器,圖騰柱PFC級成為功率達幾百瓦的高能效功率因數校正的理想解決方案,同時能夠符合80+ Titanium能效標準和待機及空載損耗的環保設計要求。
隨著每個垂直領域對更高能效的需求,使用CrM減少所有負載水平的損耗而實現的有源PFC的改進,將受到制造商、消費者和公用事業服務提供商的歡迎。工程師們現在就可以開始評估NCP1680,為所有應用領域的新產品開發帶來更高的能效水平。
(來源:安森美,作者:Yong Ang)
免責聲明:本文為轉載文章,轉載此文目的在于傳遞更多信息,版權歸原作者所有。本文所用視頻、圖片、文字如涉及作品版權問題,請電話或者郵箱editor@52solution.com聯系小編進行侵刪。
推薦閱讀:



