【導讀】充電泵(無電感)DC/DC轉換器在對空間有限制的應用中頗受歡迎,它一定需要低到中負載電流供電。這種轉換器采用了小型封裝,靜態工作電流很低,且需要最少的外部元件。但是,噪音的產生是許多充電泵的一個不太理想的特征。
這些不想要的噪聲會引發許多問題。在無線應用中,功率輸入產生的噪聲會干擾RF傳輸和接收,而在輸出的噪聲會與那些敏感電路耦合,甚至產生聽得見的噪聲。新型的LTC3200系列升壓充電泵采用嶄新結構,可將在輸入和輸出的噪聲減至最低,以避免上述不想要的干擾。
Burst Mode?突發方式與恒定頻率
大多數可調節的充電泵DC/DC轉換器采用Burst Mode突發方式架構。雖然這種調節器結構具有最低的靜態電流,但所產生的輸入和輸出噪聲也最大。采用突發方式的器件,充電泵開關向輸出提供最大電流,或完全被關斷。為了對輸出進行調節,遲滯比較器和基準控制了充電泵的導通和關斷。當輸出端有低頻紋波產生時,需要加以調節(如圖1所示)。這種一開一關的突發將導致較大的輸入紋波電流,因此,必須由輸入電源供電。輸入電源中的任何阻抗都會在輸入端產生電壓噪聲,這種噪聲必須由采用相同電源供電的其它電路排除掉。
表1:典型的突發方式輸出紋波。
LTC3200和LTC3200-5充電泵已設計成使輸入與輸出噪聲降至最小,這些器件均是可調節的升壓充電泵,能提供高達100mA的輸出電流。LTC3200-5 可提供穩定的5V輸出電壓,采用6引腳SOT-23封裝;而LTC3200可產生可調輸出電壓,并采用8引腳MSOP封裝。
兩種器件均采用恒定頻率架構以減小低頻輸出噪聲。即使沒有負載,充電泵的開關也是連續的,線性控制環路負責調節在每個時鐘周期內向輸出端傳輸電荷總量。由于輸出調節環路是線性的,峰到峰值輸出紋波近似為VRIPPLE = (ILOAD/COUT)/(2 ? fOSC),由于調節器的遲滯而沒有產生額外紋波。
即使采用小型輸出電容器,器件的2MHz振蕩頻率也可允許低輸出紋波,圖2給出了LTC3200-5采用不同值的輸出電容器支持100mA負載電流時的輸出紋波情況。
圖2:LTC3200-5的輸出紋波。
減小輸入噪聲
雖然單獨恒定頻率可改善輸入噪聲,但LTC3200系列還前進了一步,它采用獨特的內置控制電路來調節充電泵在兩個時鐘相下的輸入電流,這種技術可以防止RC電流在充電泵振蕩器的一個或兩個半時鐘周期內的衰減,這因為改變輸入電流而將參照輸入紋波降至最小。圖3給出了LTC3200與典型突發方式充電泵之間的輸入噪聲差異。如圖所示,兩個器件都可從3.6V的輸入電壓中獲得100mA的輸出電流和5V的穩定輸出電壓。0.1Ω的輸入阻抗是用來做測試用的。典型突發方式充電泵器件在輸入和輸出均采用10μF陶瓷電容器,LTC3200采用具有相同介電質的1μF陶瓷電容器。如圖3所示,即使旁路電容減小到1/10,采用LTC3200也可顯著降低輸入噪聲。
圖3:輸入噪聲測試電路。
典型應用
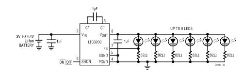
充電泵通常為手機和PDA等手持電子設備提供低功率升壓轉換。這些設備,尤其是那些含有RF通訊電路的產品,對噪聲十分敏感。低噪聲充電泵的一個流行應用是給白光LED供電,以便為小型彩色LCD顯示器提供背光。圖4所示的電路是一低噪聲升壓電源,最多可驅動6只白光LED,LTC3200的FB引腳用來調節流經每只LED鎮流管上的LED電流。采用LTC3200,用戶可直接利用電池為背光電路提供升壓電源,免除了笨拙的低頻噪聲過濾問題。
圖4:具有LED電流控制功能的低噪聲白光LED驅動器。
免責聲明:本文為轉載文章,轉載此文目的在于傳遞更多信息,版權歸原作者所有。本文所用視頻、圖片、文字如涉及作品版權問題,請電話或者郵箱editor@52solution.com聯系小編進行侵刪。
推薦閱讀:
貿澤電子與Hartland Controls簽訂全球分銷協議




