【導讀】leiditech開發了廣泛的汽車電子系統的保護解決方案。 一個典型的汽車應用有幾個電路和接口,易受ESD,EFT和其他拋負載的影響。
典型應用包括信息娛樂網絡,ADAS,T-BOX,車身電子和供電系統。 請參閱下面的首選保護解決方案。
以下方案已經過合資廠驗證,滿足汽車級的靜電要求和浪涌保護。
1.CAN總線靜電保護

2.LIN總線靜電保護

3.RF天線接口靜電保護

4.汽車電源接口保護1


5.汽車電源接口保護2


6.汽車電源拋負載測試圖片


7.汽車電源接口保護3


8.觸摸屏接口靜電保護

9.FlexRay 靜電保護

10.ECU/燃油注入系統靜電保護

11.100M/1000M接口靜電保護

12.HDMI 1.3/1.4/2.0靜電保護

13.ADAS電源系統靜電保護


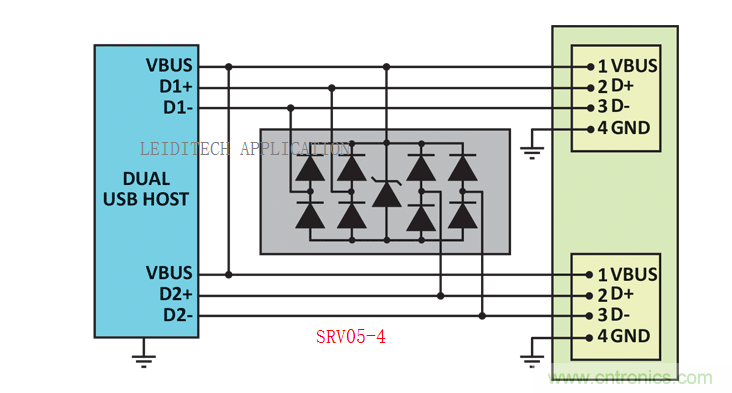
14.USB2.0靜電保護


15.RS232/RS485靜電保護

以上方案為上海雷卯電子典型方案,如果設計中有特殊封裝需求,特別參數要求,可以聯系原廠提供個性的方案。
原廠EMC實驗室提供各種汽車模塊產品的免費摸底測試,有需要的工程師聯系雷卯電子實驗室預約申請。
推薦閱讀:
落地·共享,2018智能家居行業高峰論壇將于蘇州舉行
關注產品創新與企業成長,“ISHE 2018年度評選”正式啟動
“新時代 新能量 新創造”,2017機器人庫人工智能年會盛大開幕!
SaaS系統、智能門鎖、無卡取電盒的軟硬件結合運營方案
推薦閱讀:
落地·共享,2018智能家居行業高峰論壇將于蘇州舉行
關注產品創新與企業成長,“ISHE 2018年度評選”正式啟動
“新時代 新能量 新創造”,2017機器人庫人工智能年會盛大開幕!
SaaS系統、智能門鎖、無卡取電盒的軟硬件結合運營方案





