【導讀】通過對電氣控制回路設計的研究,發現競爭與冒險并存問題的實例。通過實例分析,解釋了電氣控制回路設計過程中出現的技術盲點。經過經驗的總結,以及對設計原理的改進,電氣控制系統的工作質量在可靠性和效率方面都得到了有效的提升。
電氣控制回路中如果存在競爭與冒險問題,就會直接危及人機安全,造成重大事故,后果不堪設想,因此,在電氣控制回路的設計應用中應引起高度重視。在電子線路的設計中,競爭與冒險的問題處于重要的位置,因為該問題的存在關系到系統是否能可靠地工作。另外,由于強電構成的電氣控制一般比較直觀,易于識讀,很少出現競爭與冒險問題,易被忽視。如果在設計中考慮不周或生產、檢修過程中控制回路接線錯誤,都會產生該問題。
1電路分析
軟起動器起動電機旁路運行后,電機自由停車和延時停機的控制原理圖如圖1所示,電機的起動通過中間繼電器KA1的吸合來實現;起動達速后中間繼電器KA2吸合,旁路接觸器KM得電,電機旁路運行;SB1按下時,KA2、KM線圈斷電,電機自由停車;當按下SB2時,時間繼電器KT線圈得電,常開觸點瞬時閉合并自保持,直至KT的延時斷開的常閉觸點打開,將KA2、KM線圈斷電,電機停止。該回路從控制原理上分析無問題,但仔細觀察會發現延時停止回路存在問題。
如果中間繼電器KA2和時間繼電器KT采用不同類型的產品時(如一個采用電磁式繼電器,另一個為電子式繼電器),由于線圈動作時間相差較大,KA1和KT在動作上存在搶時間的問題,即當按下SB2時,KT得電并自保持,但當KT延時斷開的常閉觸點打開瞬間,KT的線圈斷電,自鎖觸點打開,KT的延時斷開常閉觸點又會瞬時閉合;在KT延時斷開的常閉觸點從延時打開到瞬時閉合的時間中,如果KA2斷開,則電機能夠停止;否則,電機無法延時停止(因為還沒等KA2斷開,KT的延時斷開常閉觸點又閉合了,導致KA2無法斷電)。這種延時停車有時成功,有時失敗,其結果是控制回路不能可靠工作,就是典型的競爭與冒險問題。如果KT是電子式時間繼電器(如ST3PC-D),而KA2又是電磁式中間繼電器(如JZC3 -22 d),這時,由于KT總是先完成動作,而KA2又由于線圈存在剩磁而釋放較慢,造成KA2無法可靠斷電。若將KT、KA2改為同一類型繼電器(如該例中的KT改為JSK4-224d),則可解決此類問題。

圖1電機自由停車和延時停機控制原理。
2改進設計
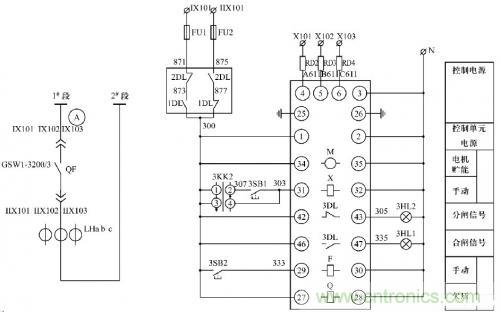
圖2為未改進前的聯絡柜控制電路圖。圖2中,聯絡柜中的手動、自動控制的框架式斷路器去消由于原理設計缺陷,轉換開關在自動檔時,欠壓線圈Q與合閘線圈X得電時出現競爭與冒險問題,造成斷路器不能可靠合閘。為了突出主要問題,將其他輔助回路略去,在儲能電機已儲能時,如果300#線得電,欠壓線圈Q先吸合,則自動合閘成功,否則就失敗,即是造成自動合閘有時成功、有時失敗的原因。
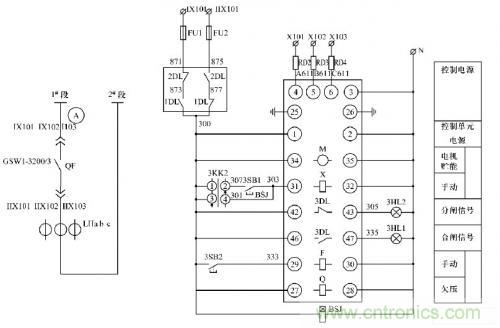
為了能使斷路器可靠合閘,線路中增加延時繼電器BSJ,如圖3所示。當300#線路得電時,欠壓線圈Q得電動作,合閘線圈X通過通電延時繼電器BSJ延時吸合后得電動作,斷路器合閘。

圖2聯絡柜控制電路圖。


圖3增加BSJ后的聯絡柜控制電路圖。
電氣控制回路中的競爭與冒險問題具有一定的隱蔽性,在電氣控制原理的設計中常常會遇到,設計人員應仔細考慮控制原理的每一個細節,避免此類情況的發生。如果對新設計的控制原理存在疑問,最好能通過試驗手段驗證。相關閱讀:
電氣工程師謹記:電氣控制柜布線4大標準
智能晶閘管在電氣控制中的應用
建筑電氣必知:變壓器標識及使用規則






