【導讀】消費電子市場需要功耗低、尺寸小且成本超低的電源/驅動,另外,由于對電能質量要求不斷提高,在這些設備上使用功率因數校正(PFC)電路幾乎是必須的。而反激因為簡單而成為對這些應用最具吸引力的拓撲。本文就介紹一款帶PFC的初級端調節反激式LED驅動設計。
消費電子市場(特別是LED驅動市場)最近幾年發展迅速。這些市場需要功耗低、尺寸小且成本超低的電源/驅動。另外,由于對電能質量要求不斷提高,在這些設備上使用功率因數校正(PFC)電路幾乎是必須的。今天,在多種不同電路中,反激因為簡單而成為對這些應用最具吸引力的拓撲。它使用一個開關提供絕緣、啟動以及各種其他保護。在非連續導通模式下工作時,通過簡單的恒定導通時間控制,可使功率因數為1。
傳統上,用于LED的恒流LED驅動使用隔離反激式轉換器實施,該轉換器具有輸出電流調節電路,如圖1所示。實際LED電流使用感測電阻測量,然后與與參考電壓進行比較,生成誤差電壓。誤差電壓通過光電耦合器傳輸到初級端,并用于控制初級端開關器件的占空比。雖然這可以實現卓越的LED電流調節,但輸出調節電路要求使用光電耦合器、基準電壓以及感測電阻,從而增加系統成本并降低整體效率。

圖1:傳統次級端調節LED驅動
初級端調節(PSR)可以成為最小化LED驅動成本的最佳解決方案。此技術僅使用驅動器初級端的信息便可精確控制次級端的LED電流。它不僅消除了輸出電流感測損耗,還減少了所有次級反饋電路。這有利于獲得更高效率的離線LED驅動設計,且無需巨大成本。此技術無需次級反饋電路便可調節LED驅動器輸出電壓,可做開路過壓保護,確保驅動器具有更佳的可靠性。

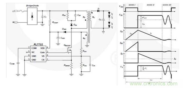
圖2:初級端調節LED驅動及其典型波形
圖2顯示的是初級端調節反激式轉換器的簡化電路圖及其典型工作波形。初級端調節的關鍵在于獲得輸出電壓和電流信息,且無需直接感測。
在二極管導通時間期間,輸出電壓與二極管正向壓降之和反射到輔助繞組為(VO+VF)*Na/Ns。通過在二極管導通時間結束時對繞組電壓進行采樣,可以獲得輸出電壓信息。輸出電流(Io)可使用MOSFET的峰值漏極電流(Ipk)以及電感電流的放電時間(tDIS)來估算,因為在穩態下,輸出電流(Io)與二極管電流(ID)的平均值相同。輸出電流估算通過峰值檢測電路來確定漏極電流的峰值,并利用電感放電時間和開關周期(ts)來計算輸出電流。將此輸出信息與內部精確參考電壓進行比較,產生誤差電壓(VCOMI),它可以確定MOSFET的占空比。使用Fairchild的創新TRUECURRENT技術,可精確控制恒定輸出電流。

利用探測到的輸出電壓和電流信息,可通過傳統的反饋補償方法完成控制。對于初級端調節,通常優先使用非連續導通模式(DCM)操作。它具有更佳的輸出調節以及單位輸入功率因數(PF)。
相關閱讀:




