中心論題:
- IGBT集中了MOSEFT和GTR的優點,適合在大功率全橋變換中作為功率開關元器件
- 闡述IGBT 驅動器的基本要求并介紹實際IGBT驅動模塊EXB841
- 介紹以AT89C51為核心的直流調速系統
解決方案:
- 以AT89C51 為核心所組成的閉環控制,能夠實現速度預置、速度顯示,并能夠對轉速進行精確的測量
- 利用電壓比較器避免泵升電壓過高產生的擊穿現象
- 頻率法和周期法相結合得到較高的測速精度
引言
隨著電力電子器件的發展,快速關斷器件如門極可關斷晶體管GTO、功率雙極型晶體管GTR、金屬氧化硅晶體管MOSFET和絕緣柵雙極晶體管IGBT等相繼開發成功。其中IGBT是集MOSEFT和GTR優點于一身。即具有少子器件GTR的通態壓降低、耐壓高、可承受大電流等優點。又兼有多子器件MOSFET的開關速度快、熱穩定好、無二次擊穿、輸入阻抗高、驅動微功耗的長處。因此倍受青睞。尤其是在電機控制、中頻和開關電源以及要求快速、低損耗的領域發展迅速。在大功率全橋變換中,IGBT作為功率開關元器件是非常適合的。
IGBT 驅動器的基本要求
IGBT是一壓控器件。它所需的驅動電流與驅動功率非常小,可直接與模擬或數字功能塊相接,不需加任何附加接口電路而且轉換功率也大大提高。IGBT的導通與關斷是由柵極電壓UGE來控制的。當UGE大于開啟電壓UGE(th)時。IGBT導通。當柵極和發射極間施加反向或不加信號時。使得IGBT關斷。
IGBT的驅動
用IGBT作大功率全橋變換的功率元件時,由于工作在高速大功率開關狀態。要使它安全可靠地工作,設計好驅動電路是重要環節。一個理想的IGBT驅動器應具有以下基本要求。
(1) 能提供適當的正、反向門極電壓
為使IGBT穩定工作,一般要求雙電源供電,所以驅動電路要求采用正反偏壓的兩電源形式。IGBT 導通后的管壓降與所加柵極電壓有關。當UGE增大時, IGBT 承受短路或過電流時間減小,對IGBT安全不利。一般選UGE要綜合考慮,選取+12V -20V 為好。在IGBT關斷期間,由于電路中其他部分的工作會在柵極電路中產生一些高頻振蕩信號,這些信號輕則會使本該截止的IGBT處于微通狀態,增加管子的功耗。重則將使逆變電路處于短路直通狀態,因此恰好給應處于截止狀態的IGBT加一反向柵壓。一般選取-5V — +15V ,使IGBT 在柵極出現開關噪聲時仍能可靠截止。
(2) 信號應有足夠的功率
驅動電路輸入的信號作用于IGBT 的柵極和射極之間。當UGE很小或為零時,IGBT的C 和E 之間加很大的電壓時IGBT才能導通。這種硬開通會導致IGBT 較大的開關損耗,影響IGBT的開關功率與輸出能力,因此,為使合格元件能正常工作,驅動信號可以大于柵極規定的電壓、電流,并留有一定的余量。
(3) 信號具有一定的前沿陡度和寬度
IGBT的門源特性呈電容性,與開關速度有關,因此驅動器須具有足夠的瞬時電流的吞吐能力,才能使IGBT 柵、射電壓建立或消失的足夠快,從而使開關損耗降較低的水平。
(4) 驅動電路必須與主電路隔離
在許多電路(如橋式逆變器) 中的IGBT 的工作電位差別很大,不允許控制電路與其直接耦合,為了保證驅動電路和主電路之間信號傳的暢通無阻,常采用光電耦合和變壓器耦合。
(5) 輸出與輸入必須有很好的跟隨性輸入、輸出信號傳輸無延時,一方面減小系統的響應滯后,另一方面能提高系統保護的快速性。
(6) 驅動電路簡單、成本低。
(7) 驅動電路自身應有一定的保護功能。
IGBT柵極驅動實用電路最好自身對IGBT 具有保護功能,并有較強的抗干擾能力。在出現短路、過流的情況下,能迅速發出過流保護信號供控制電路進行處理。
(8) 防止同一橋臂上的IGBT誤導通
IGBT驅動電路——EXB841
IGBT常用的驅動模塊有許多種,其中EXB 系列應用最廣。

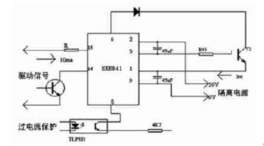
圖1 EXB841 外接電路圖
EXB84 系列為日本富士公司推出的IGBT專用芯片,能驅動高達300A/1200V 的IGBT。它具有隔離強度高、反應速度快、參數一致性好、具有防擎住效應的緩關斷電路等優點,并可以對IGBT實施過流保護。模塊內功能較全,用+20V 直流電源供電,能產生+15V 開柵電壓和-5V 關柵電壓,內裝TLP550 高速光耦信號隔離電路。如圖1。電路的內部還集成有過流檢測電路和慢速過流切斷電路,其過流檢測電路按驅動與集電極電壓之間的關系檢測過流。當流過IGBT的電流超過內部設定值時,慢速切換電路以不使IGBT 損壞的較慢速度關斷IGBT。其中,為了防止IGBT集電極產生大的電壓尖脈沖,在柵極串聯電阻RG、47 F 電解電容器吸收由于電流源接線電阻引起的供電電壓變化,而不是電源濾波器的電容器。
系統的組成
本系統采用的是以AT89C51 為核心所組成的閉環控制,能夠實現速度預置、速度顯示,并能夠對轉速進行精確的測量。測速是將固定在主軸上的光電碼盤產生的脈沖送外部中斷,通過計數器進行計數,從而算出轉速,將這種轉速與預置轉速進行比較,得出差值。

圖2 調速系統功率主電路原理圖
以功率晶體管為開關器件組成的PWM直流調速系統如圖2。該系統功率主電路為三相整流橋,H 橋功率變換電路、緩沖電路和泵升電壓限制電路組成。功率器件采用電力電子器件IGBT,以提高輸出容量和獲得直流電動機四象限運行特性。LEM為霍爾電流傳感器模塊,用于電樞電流的動態檢測和過流保護置于電樞回路和直流側母線。LEM的測量精度優于1 % ,響應速度小于1μS ,滿足系統的動態測試要求。四個橋臂和四個續流二極管構成H 橋。T1、T4 和T2、T3 在PWM驅動信號作用下交替導通和關斷,輸出寬度調制的正負脈沖電壓以調節速度變化。其中R、C、D 構成過壓保護電路。為了改善驅動信號前沿的陡度和防止振蕩,減小IGBT 集電極大的電壓尖脈沖,需要在柵極串聯電阻RG。根據電流容量和電壓額定及開關頻率的不同,選擇合適的RG,一般RG為十幾歐至幾十歐。在橋式變換過程中,由于IGBT是壓控器件,當集射間加高壓時,很容易受外界干擾使柵射間電壓超過一定閥值,引起上下橋臂通側同時導通造成短路。為了防止這種現象的發生,在柵射間并接兩只反向串聯的穩壓二極管,對驅動電路出現的高壓尖脈沖起一定抑制作用。這是從器件上采取的保護措施。同時在電路上從硬件、軟件上也采取雙重保護措施。硬件上采用74LS125 實現對兩組脈沖的互鎖,確保一組IGBT 的驅動電壓為高電平時,另一組為低電平。軟件上采用延時輸出高電平,即在一組IGBT關斷和另一組IGBT導通的驅動脈沖之間設置邏輯延時,其目的是保證關斷IGBT徹底關斷后開通另一組IGBT,從而防止上下橋臂同時導通。
功率轉換電路輸出是幅值為Ud 的正負脈沖電壓,其周期T= 1/f ,f 為PWM控制信號頻率。當平均電流恒大于零,電動機工作在正轉電動運行狀態。
泵升電壓檢測電路
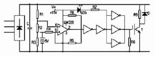
電機停車或減速時工作在制動狀態,儲存在電機和負載運動部分的動能將變成電能,并通過PWM 變換器回饋給直流電源。系統有不可控的整流器供電,不能向電網回饋電能,只好對電容器C 充電而使泵升電壓升高,過高的泵升電壓有可能擊穿變換元件。泵升電壓檢測電路如圖3。

圖3 泵升電壓檢測電路
設UDC為電力電容C1 兩端的電壓,電壓比較電路直接檢測該電壓,與被測值超過設定允許值時,電壓比較器反轉, 觸發制動單元VB 導通,電力電容上的電荷經R 釋放,使電壓降低,反之,當該電壓低于設定允許值時,電壓比較器翻轉回原先狀態,輸出端為高電壓,經邏輯轉換后關斷UB 。由于比較器為OC 門輸出,該端電壓近乎電源電壓UC。
測速電路
固定在直流電機主軸上的光電編碼盤產生周期脈沖,經過脈沖整流電路后輸入89C51 的外部中斷INT1 和INT0。為了在高速和低速時都能得到較高的測速精度,選用頻率法和周期法綜合,它結合了兩種測量方法的長處,使相對誤差變的很小。
結論
本系統采用快速開關器件IGBT構成了主電路,AT89C51 單片機實現整個系統的控制。通過實驗驗證結果表明該系統使電樞電流脈動小,運行平滑、調速范圍寬、低速性能好、硬件電路簡單、可靠性高。在不增加硬件的情況下可方便實現四象限運行。同時增加管子直通故障軟件、硬件保護、驅動及泵升電壓電路保護等措施。為整個系統的多功能智能化提供了必要的條件。




