- 為了滿足更新能源標準的需要,電源設計采用新拓撲
- 軟開關轉換器較諧振轉換器更有優勢,其中不對稱PWM半橋轉換器性能更優
- 介紹不對稱半橋轉換器的基本工作原理
- 介紹針對飛兆針對不對稱半橋轉換器設計的集成式功率開關
- 介紹飛兆如何采用系統級封裝解決SMPS設計中的可靠性和“綠色”問題
解決方案:
- 軟開關轉換器與諧振轉換器比較有以下優勢:
對諧振元件的參數的要求較低
開關頻率固定,EMI問題更易解決 - FSFA2100把柵極驅動器、控制電路、MOSFET集成在一起,大幅減小終端應用噪聲干擾
- FSFA2100在設計中整合了多項自我保護功能,無需額外的元件
- FSFA2100在待機模式下采用間歇模式工作,很容易滿足國際能源署的1瓦倡議
- FSFA2100提供了一個非常適合于具成本效益軟開關轉換器設計的基本平臺
引言
電源能效對環境的影響問題越來越受到世界范圍的關注,致力于自然資源保護的全球各國政府和標準化制定機構已相繼推出各項措施,積極推廣高能效電源。加州能源委員會 (CEC) 已針對外置電源制定了強制性能效標準,全球其它實施自愿性規范計劃的地區也開始考慮推出強制性標準,以推動電源效率的提高。這些規范都驅使電源設計人員采用新的拓撲,比如諧振轉換器和軟開關轉換器。
諧振開關技術在整個開關周期內都采用諧振工作模式,而軟開關技術只在開關轉換期間才采用諧振工作模式,以軟化開關器件的開關特性。一旦開關轉換結束,轉換器又恢復到常見的脈寬調制 (PWM) 模式。由于只在開關轉換期間才涉及到諧振工作模式,因此其諧振元件的參數不象諧振轉換器中的那么重要。此外,開關頻率是固定的,這使得EMI濾波器的優化更為容易。
在各種類型的軟開關轉換器中,不對稱PWM半橋轉換器因其結構簡單且固有零電壓開關 (ZVS) 能力而獲得設計人員的青睞。本文描述了不對稱半橋轉換器的基本工作原理,并介紹了一種相比普通分立式MOSFET及PWM控制器解決方案具有顯著優勢的集成式功率開關。此外還闡釋了這種專門為軟開關轉換器而設計的功率開關如何降低設計總成本和元件數目、減小尺寸和重量,同時提高效率、產能和系統可靠性。
不對稱半橋轉換器的基本工作原理
圖1所示為不對稱PWM半橋轉換器的電路簡圖及其波形。圖2給出了詳細的開關波形。當上面的開關 (Q2) 導通時,DC隔直電容 (CB) 不僅是負載的供電電源,還作為隔直電容防止變壓器飽和。一般而言,不對稱PWM半橋轉換器包含三級,如圖1所示,即方波發生器、能量傳送網絡和整流器網絡。
方波發生器通過驅動開關Q1和Q2產生一個方波電壓 (Vd)。換言之,下面和上面的MOSFET的占空比應該分別為D和1-D。這時,兩次轉換之間一般有一個很小的死區時間。
能量傳送網絡包含一個DC隔直電容和一個變壓器。這個網絡利用DC隔直電容 (CB) 消除方波電壓 (Vd) 的DC偏移,然后通過變壓器把純AC方波電壓傳送到次級端。由于存在泄漏電感,變壓器初級端電流Ip滯后于加在變壓器初級端上的電壓,這就讓MOSFET得以零電壓導通。如圖2所示,在其中一個開關斷開之后,Ip對MOSFET輸出電容進行充電 (或放電),最終開關電壓從一個輸入電軌變化到另一個 (從Vin到地或從地到Vin)。接著,Ip繼續流經反向并聯的體二極管。只要體二極管導通,相應的MOSFET就能夠零電壓導通。這種軟開關方案不僅可降低開關損耗,還能減小電磁干擾 (EMI)。
整流器網絡利用整流二極管和低通LC濾波器對AC電壓進行整流,最后產生DC電壓。這個整流器網絡可采用全波的橋式結構或中心抽頭式結構。

方波發生器 能量傳送網絡 整流器網絡
圖1. 不對稱PWM半橋轉換器電路簡圖及其波形

圖2. 不對稱半橋轉換器的詳細開關波形
針對不對稱半橋轉換器設計的集成式功率開關
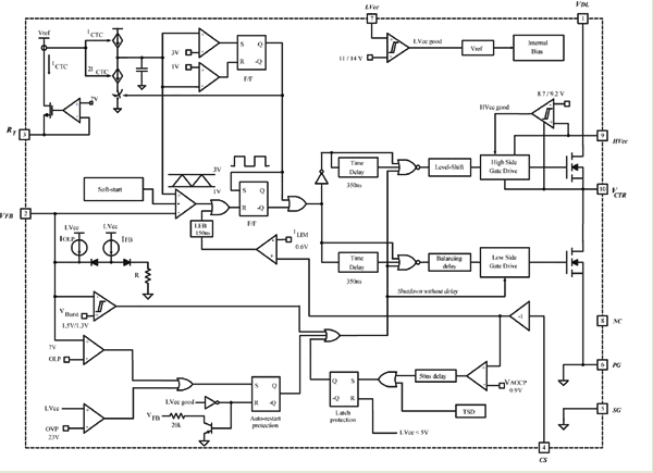
飛兆半導體的集成式“Green FPS”功率開關FSFA2100系列是專門針對不對稱半橋轉換器設計而開發的一種技術。這種技術在單個器件中整合了PWM控制器、高端驅動和SuperFET,只需要極少數量的外部元件。圖3所示為其內部模塊示意圖。在大功率轉換器應用中,PCB版圖設計一向是棘手部分,因為在布局時,為了把噪聲干擾降至最低,必需讓柵極驅動器和控制電路盡可能地靠近MOSFET。FSFA2100把柵極驅動器及控制電路與MOSFET集成在一起,使這些器件之間的距離最小化,從而大幅減小了終端應用的噪聲干擾。此外,這樣做也減少了寶貴的設計時間,使生產力得以提高。

圖3 內部模塊示意圖
采用系統級封裝解決SMPS設計中的可靠性和“綠色”問題
今天,大多數電子廠商都要求SMPS設計具有高度可靠性,這促使電源設計人員在設計中采用保護方案來防范各種故障的發生,比如過載、過壓、輸出短路、輸出二極管短路和過熱。不過,這種保護可能需要大量額外的電路,從而增加成本。而FSFA2100在設計中整合了多項自我保護功能,無需額外的元件,故不僅可增強可靠性還能降低成本。
軟開關轉換器的另一個問題是,輕載時,由于初級端電流不足以完成MOSFET輸出電容的充電/放電,可能無法實現軟開關。這樣一來,在SMPS必須滿足要求低待機功耗的功效或“綠色”標準時,問題就出現了。
FSFA2100在待機模式下采用間歇模式工作,很容易滿足國際能源署 (IEA) 的1瓦倡議。該規范要求把待機功耗降至1瓦以下。在間歇模式中,功率開關能夠交替啟動和禁止開關工作,以降低有效開關頻率,這種方法可減小MOSFET中的開關損耗和變壓器中的滯徊損耗。
小結
由于在SMPS中采用軟開關拓撲能夠提高效率及降低EMI,設計人員在自己的電源設計中開始不斷采用這種新興方案。傳統上,設計人員使用分立元件加控制器的解決方案來實現軟開關。但現在,集成了SuperFET和PWM IC的功率開關可以提供一個非常適合于具成本效益軟開關轉換器設計的基本平臺。通過集成保護功能并采用間歇工作模式,功率開關技術可大大提高可靠性,同時又降低功耗,滿足“綠色”標準的嚴格要求。




