
[page]
從道理上來說,(2-139)式中反電動勢的最大值要比(2-140)式中反電動勢的平均值高很多,但由于分布電容的存在,反電動勢的上升率并沒有計算結果那么高,所以把它等效成一個方波,計算起來更為簡單。實際上從能量方面來考慮也是完全可以的。
(2-140)式對于計算漏感 產生的反電動勢或其它電感產生的反電動勢同樣有效。漏感 中存儲的能量可根據(2-138)式求得;而流過漏感 的電流,對于反激式開關電源:可認為與勵磁電流的大小基本相等,因為,在反激式開關電源中,等效負載電阻等于無限大;對于正激式開關電源:可認為與流過等效負載電阻的電流大小基本相等,因為,在正激式開關電源中,勵磁電流相對于流過等效負載電阻的電流,很小。
在電源開關管Q1關斷期間,對于反激式開關電源,開關變壓器正好通過次級線圈向負載輸出能量(給儲能濾波電容充電),即等效負載電阻R的值很小,產生反電動勢的值也很小;而對于正激式開關電源,此時開關變壓器正好沒有向負載輸出能量,即等效負載電阻R的值非常大,產生反電動勢的值也很大。
因此,在t > t6時刻,開關變壓器初級線圈產生的反電動勢大小,對于正、反激式開關電源來說是不一樣的,即:正激式開關電源的負載特性與反激式開關電源的負載特性正好相反。

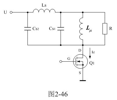
從原理上來說,用圖2-44的等效電路來等效開關變壓器的工作原理有些過于簡單,因為,在圖2-44中,當電源開關管Q1突然關斷瞬間,漏感 沒有放電回路,即負載電阻為無限大,根據(2-140)式,漏感 兩端產生的反電動勢將非常大;但實際上,在漏感 產生反電動勢的時候,它是可以通過漏感兩端的分布電容產生并聯振蕩的,因此,我們可以把圖2-44電路進一步改進成如圖2-46所示電路。
在圖2-46中,Cs1、Cs2都是分布電容,它們對于漏感 來說,既可以產生串聯振蕩,又可以產生并聯振蕩。在電源開關管Q1導通瞬間,漏感與分布電容主要是產生串聯振蕩,因為輸入電壓開始向串聯振蕩回路提供能量;在電源開關管Q1關斷瞬間,漏感與分布電容主要是產生并聯振蕩,因為漏感 必須要通過并聯回路釋放能量。在實際應用中,漏感相對于勵磁電感 來說很小,因此如果不考慮漏感的作用,完全可以把Cs1、Cs2看成是一個分布電容。
[page]
由于在變壓器線圈中,分布電容和分布電感是由非常多的電容和漏感互相串、并聯在一起組成,如要嚴格地用集中參數完全把它們等效是很難的。至于等效電路是采用串聯還是并聯,這主要看它在電路中所起的關鍵作用。例如,在電源開關管接通時,串聯電容的作用是主要的;而在電源開關管關斷時,并聯電容的作用反而是主要的。


從圖2-45-c以及(2-140)式可以看出,漏感 產生反電動勢的幅度一般都等于或大于輸入電源電壓的幅度,即加到電源開關管D極的電壓最高可達輸入電壓的兩倍,或者更高。這是因為電源開關管的關斷時間一般都很短,而漏感釋放能量時等效負載電阻很大的緣故。因此,如果不對電源開關管采取保護措施,反電動勢很容易就把電源開關管打穿。
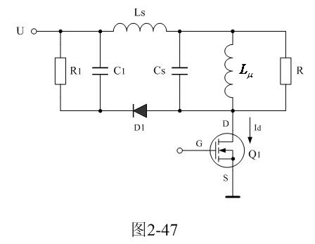
根據(2-140)式,降低漏感反電動勢幅度的最有效方法是減小負載電阻 的阻值。圖2-47所示電路,就是一種采用減小負載電阻的方法來降低漏感產生反電動勢幅度的電路。

圖2-47中的D1、R1、C1是抑制漏感以及勵磁電感產生反電動勢和振鈴電壓幅度的有效電路。當變壓器初級漏感以及勵磁電感產生反電動勢時,反電動勢通過二極管D1對電容器C1進行充電,相當于電容器把反電動勢的能量吸收掉,從而降低了反電動勢和振鈴電壓的幅度。
電容器C1在吸收反電動勢的能量的過程中,其兩端電壓也會提高,但它可以通過R1進行放電,使電容器兩端的電壓基本保持在一個合理的范圍。即:電容器C1在吸收反電動勢的能量是有條件的,只有反電動勢的的幅度超過某個值之后,它才開始吸收。正確選擇RC放電的時間常數,使電容器在下次充電時的剩余電壓剛好略高于方波電壓的幅度,而電容充滿電的幅度又低于開關管的耐壓幅度,此時電源的工作效率最高。



