中心議題:
- 低壓大電流開關電源電路的設計
解決方案:
- 采用磁復位電路有源鉗位技術控制磁飽和
- 使用功率MOSFET整流
- 在柵極上接穩壓管避免擊穿
開關電源是利用現代電力電子技術,控制開關晶體管開通和關斷的時間比率,維持穩定輸出電壓的一種電源。從上世紀90年代以來開關電源相繼進入各種電子、電器設備領域,計算機、程控交換機、通訊、電子檢測設備電源、控制設備電源等都已廣泛地使用了開關電源。
隨著電源技術的發展,低電壓,大電流的開關電源因其技術含量高,應用廣,越來越受到人們重視。在開關電源中,正激和反激式有著電路拓撲簡單,輸入輸出電氣隔離等優點,廣泛應用于中小功率電源變換場合。跟反激式相比,正激式變換器變壓器銅損較低,同時,正激式電路副邊紋波電壓電流衰減比反激式明顯,因此,一般認為正激式變換器適用在低壓,大電流,功率較大的場合。
有源鉗位技術
正激DC/DC變換器其固有缺點是功率晶體管截止期間高頻變壓器必須磁復位。以防變壓器鐵心飽和,因此必須采用專門的磁復位電路。通常采用的復位方式有三種,即傳統的附加繞組法、RCD鉗位法、有源鉗位法。
三種方法各有優缺點:磁復位繞組法正激變換器的優點是技術成熟可靠,磁化能量可無損地回饋到直流電路中去,可是附加的磁復位繞組使變壓器結構復雜化,變壓器漏感引起的關斷電壓尖峰需要RC緩沖電路來抑制,占空比D<0.5,功率開關管承受的電壓應力與輸入電源電壓成正比。
RCD鉗位正激變換器的優點是磁復位電路簡單,占空比D可以大于0.5,功率開關管承受電壓應力較低,但大部分磁化能量消耗在鉗位電阻中,因此它一般適用于變換效率不高且價廉的電源變換場合。
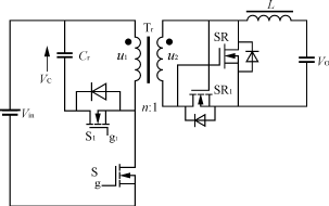
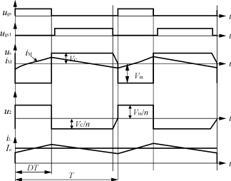
有源鉗位技術是三種技術中效率最高的技術,它的電路圖如圖1所示,工作原理如圖2所示。在DT時段之前,開關管S1導通,激磁電流iM為負,即從Cr通過S1流向Tr,在DT階段,開關管S的驅動脈沖ugs使其導通,同時ugs1=0,使S1關斷,在Vin的作用下,激磁電流由負變正,原邊功率通過變壓器傳到副邊,給輸出端電感L充電;在(1-D)T時段,ugs=0,S關斷,ugs1到來使S1導通,iM通過S1的反并二極管向Cr充電,在Cr和Tr漏感構成的諧振電路的作用下,iM由正變負,變壓器反向激磁。
從以上分析中可以看出:有源鉗位正激變換器變壓器鐵心工作在雙向對稱磁化狀態,提高了鐵心利用率,鉗位電容的穩態電壓隨開關占空比而自動調節,因而占空比可大于50%;Vo一定時,主開關、輔助開關應力隨Vin的變化不大;所以,在占空比和開關應力允許的范圍內,能夠適應較大輸入電壓變化范圍的情況。不足之處是增加了一個管子,使得電路變得復雜。

圖1有源鉗位同步整流正激式電路圖[page]

圖2有源鉗位電路工作原理圖
同步整流技術
在低電壓大電流功率變換器中,若采用傳統的普通二極管或肖特基二極管整流由于其正向導通壓降大(低壓硅二極管正向壓降約0.7V,肖持基二極管正向壓降約0.45V,新型低電壓肖特基二極管可達0.32V),整流損耗成為變換器的主要損耗,無法滿足低電壓大電流開關電源高效率,小體積的需要。
MOSFET導通時的伏安特性為一線性電阻,稱為通態電阻RDS,低壓MOSFET新器件的通態電阻很小,如:IRL3102(20V,61A)、IRL2203S(30V,116A)、IRL3803S(30V,100A)通態電阻分別為0.013Ω、0.007Ω和0.006Ω,它們在通過20A電流時,通態壓降不到0.3V。
另外,功率MOSFET開關時間短,輸入阻抗高,這些特點使得MOSFET成為低電壓大電流功率變換器首選的整流器件。功率MOSFET是一種電壓型控制器件,它作為整流元件時,要求控制電壓與待整流電壓的相位保持同步才能完成整流功能,故稱為同步整流電路。圖1為典型的降壓型“同步”開關變換器電路(當電路中無SR時,為“普通”的降壓型開關變換器電路)。
電路的設計
所設計的電源參數如下:輸入電壓為50(1±10%)V,輸出電壓為3.3V,電流為20A,工作頻率為100kHz。
采用的主電路拓撲如圖1所示。由于有源鉗位采用的是FLYBACK型鉗位電路,它的鉗位電容電壓為:
Vc=Vin
所選用的控制IC芯片為UC3844,它的最大占空比為50%,所以電容上的電壓最大為Vin,電容耐壓為60V以上,只要選取足夠大即可保證電路能正常工作,本電路所選取的鉗位電容為47μF/100V。
有源鉗位管S1的驅動必須跟變壓器原邊的地隔離開,而且S1的驅動信號必須跟開關管S驅動信號反相,使用UCC3580可以實現兩個管子的驅動,可是這個芯片并不常見,因而這里選用UC3844跟IR2110組合。UC3844出來的控制信號用來作為IR2110的低端輸入,其反相信號作為IR2110的高端輸入,IR2110的高端驅動通過內部自舉電路來實現隔離。這樣,我們就達到了驅動兩個開關管的目的。
在輸出整流電路中,當續流二極管(即SR的反并二極管)受正向電壓導通時,應及時驅動SR導通,以減小壓降和損耗。但為了避免SR與SR1同時導通,造成短路事故,必須有“死區”時間,這時仍靠二極管D導通。SR的開關瞬時要與續流二極管的通斷瞬時密切配合,因此對開關速度要求很高。另外,從成本綜合考慮,選用IRL3102。
變壓器的設計跟一般正激式變換器變壓器設計差不多,只是要考慮同步整流管的驅動。所選用的同步整流管的驅動開通電壓為4V左右,電路輸出電壓為3.3V,輸出端相當于一個降壓型電路,占空比最大為0.5,所以變壓器副邊電壓至少為6.6V。因為MOSFET的柵-源間的硅氧化層耐壓有限,一旦被擊穿則永久損壞,所以實際上柵-源電壓最大值在20~30V之間,如電壓超過20V,應該在柵極上接穩壓管。[page]
實驗結果和波形分析
開關管S1和S的Uds波形如圖3所示,RefA為S管壓降波形,50V/div,RefB為S1管壓降波形,50V/div。電路此時工作在Vin=60V左右,S1和S的開關應力大概為120V,D=0.5左右。圖4為變壓器輸出電壓,也就是同步整流管SR1和SR的驅動信號,正的部分為SR的驅動信號,負的部分為SR1的驅動信號。實驗所得波形和分析的波形基本吻合,只是在開關轉換瞬間,電壓有小尖峰,這是由電路的雜散參數引起的。該電路的工作效率經過測量大約在90%左右,基本達到設計的要求。

圖3開關管S和S1的uds波形

圖4同步整流管的驅動波形
3.3V/20A的開關電源的設計表明,有源逆變加同步整流電路用在低壓大電流的正激式電路設計中,不加PFC電路時,能夠取得很高的效率。





