中心議題:
- 保險絲的三項基本功能
- 貼片保險絲在單節鋰電池上的應用
- 保險絲在LED照明燈具中的應用
- 雙保險絲為大電流板級電路提供有效保護
- 保險絲應用設計的常見問題
相關閱讀:
【Class1】常用過壓、過流、過溫保護器件之選型技巧
http://www.cqxjhs.cn/art/artinfo/id/80015099
在電路的過流保護設計中,經常使用到保險絲,換句話說,合理應用保險絲對于設計可靠的過流保護電路非常重要。本文將在介紹保險絲的基本功能的基礎上,介紹保險絲在鋰電池保護板及LED照明燈具中的應用方案,并整理出行業內的專家們對保險絲應用中的一些常見問題的解答及經驗分享,對工程師初步認識保險絲非常有幫助,對工程師進一步合理使用保險絲有指導意義。
保險絲的三項基本功能
什么樣的保險絲才是好的保險絲?AEM(蘇州)科技有限公司副總經理鄭索平先生總結概括出保險絲的三項主要基本功能,即:
- 保護功能:該斷的時侯要斷
- 承載功能:不該斷的時侯不能斷
- 安全功能:斷的過程必須保證安全
保險絲的保護功能決定了保險絲在需要的時侯必須動作,當被保護電路上出現不被允許的異常過電流時能夠及時而有效地切斷電流。要滿足保險絲的保護功能,需選擇恰當熔斷特性和恰當的額定電流規格的保險絲品種。
并不是所有出現過流的時侯保險絲必須動作的,有些過流并不是異常的,這樣的過流保險絲必須能夠承受,例如,開關電源熱插拔時出現的浪涌電流就是保險絲需要承載的,因此,保險絲需具備承載能力。換句話說,保險絲的承載能力保證了保險絲在絕大部分時間里的正常工作。選擇有恰當熔化熱能值的保險絲品種規格和放大足夠并合理的安全余量才能滿足保險絲的承載功能(耐脈沖能力)。
保險絲的安全功能確保了保險絲在任何條件下的絕對安全。具體來說就是,優質可靠的保險絲應該在其動作前,動作中和動作后都能保證安全性,即安全地導通和安全地熔斷,不發生任何不安全的因素,如持續拉弧、多次導通、破碎、飛濺、燃燒、以至爆炸等。選擇具有足夠分斷能力和額定電壓的,并獲得必要的應用地區的安全認證的保險絲品種,才能滿足保險絲的安全功能。
總的來說,適當的保險絲應當具備:適當的熔斷特性和額定電流;足夠而合理的熔化熱能值;合適的分斷能力、額定電壓和安全認證,只有在具備了這三個條件的基礎上,同時協調好保護性能和耐脈沖能力之間的制約,求得最合理的平衡的保險絲才是最適當、最好的保險絲。
[page]
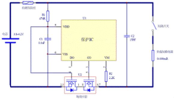
貼片保險絲在單節鋰電池上的應用
鋰電池被廣泛用作照相機、手機等便攜消費電子產品的供電電源,其安全性非常重要,故而鋰電池保護板選擇合適的貼片保險絲是非常必要的。鋰電池保護板的主要元器件有保護IC 、MOSFET和貼片保險絲,下面將通過兩個實例來說明保險絲在鋰電池保護板中的選擇及應用。(資料下載:http://www.52solution.com/data/datainfo/id/2518)
某單節鋰電池保護板電路圖如圖1,保護IC采用SII(精工) S8261ACJ,基本參數如表1,采用的MOS管為BF9028DNJ / BF9028DNJ-A ,部分參數如表2。

圖1 單節鋰電池保護板電路圖

表1 S-8261ACJ的部分參數

表2 MOSFET的部分參數
A:保護電路工作正常
根據公式:過電流檢測電壓 V = 放電電流 I x Rds(on) x 2 可以算出放電電流達到多少保護IC開始進行保護作用。
當過電流檢測電壓為 0.9V,MOS管內阻取最大值時候,可以檢測過電流將為最小值。算出此時過電流值為15A ,此時保護IC保護延遲時間320us;當過電流檢測電壓 1.5V,MOS管內阻取最小值時候,可以檢測過電流將為最大值。算出此時過電流值為46.875A,此時保護IC保護延遲時間380us。即,需求保險絲在46.875A時候熔斷時間要大于380us,才能保證短路保護情況下保險絲不會先于保護IC熔斷。
B:保護電路工作異常
保護IC失效電路示意圖如圖2所示,此時保護IC對短路不能起到保護作用,當負載出現短路時候需要保險絲快速熔斷。

圖2 保護IC失效電路示意圖
[page]
考慮因素如下:
- 電芯電壓:3.8~4.2V
- 電芯內阻: <150mΩ
- 保護板內阻:MOS管內阻+保險絲內阻(15mΩ)+PCB板內阻(10mΩ)
- 短路負載內阻:0~100mΩ
要考慮保險絲的快速熔斷,所以就考慮短路電流的最小值,可以算出短路電流最小值11A。即保險絲需在11A電流情況下快速熔斷。
綜合A,B兩種情況,單節鋰電池上選擇保險絲需要考慮到保護IC的短路保護時間。
保險絲在LED照明燈具中的應用
對于LED照明燈具的過流保護,應從燈體的輸入電流來來考慮。LED照明燈具的輸入電流主要有直流輸入和電網交流輸入兩種最基本的類型,這兩種類型的主要區別在于驅動電源是否有交流轉直流的模塊。針對不同的輸入電流類型,其過流保護的方式有所不同,保險絲的應用應根據具體的情況來考慮:
1、針對直流輸入類型的DC in保險絲的選用,需要特別關注保險絲的溫度折減系數參數,由于大功率LED的發熱量比較大,在LED燈杯內部的溫度相對較高,如果選用溫度折減比較大的保險絲就會選擇電流較大的規格,在同樣的工作電流下,電流規格大的保險絲的保護能力相對要降低一些;另外DC in的位置,由于后端都會使用電容濾波,會產生比較大的開機脈沖電流,所以在此部位選擇保險絲需要注意嚴格考慮脈沖的條件,否則錯誤選項易造成保險絲被開機脈沖沖斷現象,很難經過很多次開關機實驗和浪涌電流實驗,在此推薦使用耐脈沖能力強的產品。
2、針對驅動輸出端的保險絲選型,在注意保險絲溫度折減系數的同時,還需要考慮保險絲的熔斷速度指標,由于此處電流波動不大,在電路出現異常或者元器件失效的情況下,需要快速切斷電路,保護后端的LED燈串,在此位置推薦選擇快斷類型和溫度折減小的保險絲。
以上2種場合一般市場上有比較多的貼片低壓保險絲可供選擇,比如AEM科技的SolidMatrix®技術的保險絲,尺寸從0402到1206,電流規格從0.5到30A,有快斷、快快斷、耐高脈沖、慢斷等多個不同系列,不同規格,不同特性的產品供各位工程師選用。
3、而針對交流輸入LED照明的AC in位置,特別是LED球狀燈泡既需要考慮保險絲的尺寸問題,又需要考慮保險絲的耐電壓值。可以考慮選用AEM科技推出的AirMatrixTM AF2系列貼片保險絲,該系列保險絲具有體積小,可以承受250VAC的電壓,同時還具有高一致性、低內阻、高耐脈沖能力等優點。
雙保險絲為大電流板級電路提供有效保護
保護電路板元器件不受越來越大電流的損壞是件復雜的事,因為沒有現成滿足要求的保險絲。提供保護的方法可以是仔細設計的雙保險絲電路,或有足夠額定值的單個保險絲。但是,由于不存在兩個完全相同的保險絲,總有一個保險絲承受的電流大于另一個。因此,即使線路電流是在規格范圍內,承擔較高負載的保險絲仍會熔斷,于是很快另一個也會熔斷。如何解決這個難題?以下是保險絲匹配以及確定電路額定值的一些指南,為雙保險絲方案提供所需的保護。
UL標準保險絲通常都有75%的降額因素,以保證能提供所需的電路保護。保險絲的直流阻抗通常有15%的公差;因此在最差情況下,兩個隨機選擇保險絲(相同額定電流,且來自同一制造商)的直流阻抗可以相差到35%(1.15 Rdc/0.85 Rdc = 1.35,即差35%)。如果兩個保險絲的直流阻抗有很大差別,流經的電流也會相差很大,電路保護就會出現問題。一般來說,一個保險絲承受的電流要高于另一個,可能工作在接近過流極限值處,而另一個則遠低于安全極限。因此,用兩個保險絲完成一種功能會影響到電路的過流保護。
除直流阻抗以外,另外一個重要的考慮因素是兩個保險絲所處位置之間的溫度差。保險絲是溫度敏感器件,它們的有效額定電流會隨著環境溫度的上升而減小。如果兩個并聯保險絲中,其中一個的工作溫度高于另一個,則它將有較小的有效額定電流,因此比另一個更早地進入過載。
雖然使用兩個并聯保險絲有著上述不確定性,但可以從以下四個方面著手改進它們的工作可靠性:
1)兩個保險絲必須盡可能地匹配。不僅它們的額定值要相同,確保兩個保險絲是同時制造的也是一個不錯的想法。這樣能確保兩個保險絲的直流阻抗盡可能匹配。
2)兩個保險絲永遠不可能均分電流。因此,要為組合增加20%的降額因素。
3)細心追蹤每個保險絲的熱歷史。兩個保險絲都應保持在相同溫度下,包括環境溫度和正常工作溫度。因此,確定讓兩個保險絲都暴露在相同的氣流中,引線或保險絲管夾上都有相似的熱傳導機制。
4)最大斷路電流等于單個保險絲的值,而不是兩個保險絲最大斷路電流之和。同樣,最大斷路電壓也等于單個保險絲的值,而不是兩個保險絲斷路電壓之和。
遵守了以上的設計指南以后,流經兩個并聯保險絲的電流基本相等,它們可以在低于自己過流極限條件下良好地工作。此外,當出現過載事件時,兩個保險絲差不多在相同時間開路,為電路板的元器件提供保護。
保險絲應用設計的常見問題
保險絲的額定電壓有什么意義?如何選擇保險絲的熔斷特性和額定電流?慢熔斷保險絲與快熔斷有什么不同的性能和應用?一次性保險絲和可恢復保險絲的異同?相同額定電流的不同品牌保險絲一定能夠直接替換嗎?為什么保險絲常在開機時或剛接通電源時斷開?怎樣才使保險絲能承受多次瞬間脈沖的沖擊?這些都是工程師在保險絲的選型和應用過程中經常會遇到的問題,現在,通過專家的專業答疑和網友的熱烈討論,為你一一解答保險絲的應用難題。
專家解惑:熔斷器應用設計常見問題TOP 10
http://www.cqxjhs.cn/bbs/viewthread.php?tid=2119
問答精粹:如何正確使用保險絲?
http://www.cqxjhs.cn/art/artinfo/id/80005314
熱門討論:自復式保險絲和一次性保險絲的應用場合有什么異同?
http://www.cqxjhs.cn/bbs/viewthread.php?tid=1224



