
圖1 – 裝配后的電路板圖片(頂視圖)

圖2-裝配后的電路板
- 其設計重點是電路板可用標準可控硅調光器實現兼容
o 無輸出閃爍
o 從低相位角啟動時無卡扣
o 調光范圍高達1000:1 – 僅受制于所連接的調光器
o 干凈的單向啟動 – 無輸出閃爍
- 極高能效
- 集成的保護及可靠性能
o 輸入過壓關斷可擴展輸入故障時的電壓耐受范圍
o 更大遲滯的自動恢復熱關斷可同時保護元件和印刷電路板
- 滿足IEC 61000-4-5振鈴波、IEC 61000-3-2 Class C和EN55015 B傳導EMI要求
詳細內容請下載:能效高達85%的15 W PAR38筒燈驅動器的設計方法 (DER-281)
相關閱讀:
第一講:100W高可靠性LED球泡燈驅動電源設計
第二講:150W高可靠性LED路燈驅動電源設計
第三講:30W高可靠性LED T8燈管驅動電源設計
第五講:PI 5W-16W TRIAC調光LED照明驅動解決方案
第六講:針對B10型LED燈泡設計的高效率、超緊湊驅動器
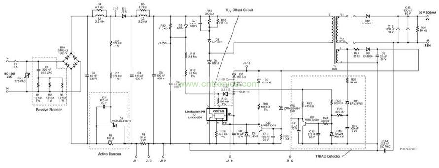
本文檔介紹的是一款高功率因數(PF)、可控硅調光的LED驅動器,它可以在180 VAC至265VAC的輸入電壓范圍內為LED燈串提供額定電壓30 V、額定電流0.5 A的驅動。該LED驅動器采用了LinkSwitch-PH系列IC中的LNK405EG器件。
LinkSwitch-PH IC可以幫助您設計出具有成本效益且元件數量極少的LED驅動器,不僅能滿足功率因素和諧波限值,同時還能為最終用戶帶來不同凡響的使用體驗。其特性包括超寬調光范圍、無閃爍工作(即使使用的是低成本的AC輸入可控硅調光器)以及快速、平滑的導通。
所使用的拓撲結構是運行于連續導通模式下的隔離反激。輸出電流調節完全從初級側檢測,因此無需使用次級反饋元件。在初級側也無需檢測外部電流,而是在IC內部進行,從而進一步減少了元件和損耗。內部控制器調整MOSFET占空比以保持輸入電流為正弦交流電,從而確保高功率因數和低諧波電流。LinkSwitch-PH IC還可提供各種復雜的保護功能,包括環路開環或輸出短路條件下自動重啟動。輸入過壓可提供增強的抗輸入故障和浪涌能力,輸出過壓可在負載斷開下保護電源,精確的遲滯熱關斷可確保在所有條件下平均PCB溫度都處于安全范圍內。
在任何LED照明裝置中,驅動器的性能直接決定了最終用戶對照明的感受。此設計中重點關注的是在230 VAC條件下盡可能多地兼容各種調光器和盡可能大地兼容調光范圍。
本文檔包含LED驅動器規格、電路原理圖、PCB設計圖、物料清單、變壓器規格文件和典型性能特征。
電源規格:


圖3-主板原理圖

圖4-子板原理圖
欲了解全文內容請下載技術白皮書:
能效高達85%的15 W PAR38筒燈驅動器的設計方法 (DER-281)






