【導讀】要提高鋰離子電池組的電池效率,延長電池的使用壽命并保證其安全性,就必須做好正確的電池監控。本文介紹了一款全隔離式鋰離子電池監控和保護系統設計,并對測試結果進行了分析,經驗證,該電路能夠穩定地工作,并具有良好的精度。
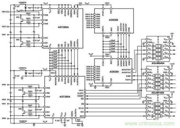
鋰離子(Li-Ion)電池組包含大量的電池單元,必須正確監控才能提高電池效率,延長電池壽命并確保安全性。圖1所示電路中的6通道AD7280A器件充當主監控器,向系統演示平臺(SDP-B)評估板提供精確的電壓測量數據,而6通道AD8280器件充當副監控器和保護系統。兩個器件均采用8V至30V的單電源寬工作電壓范圍,工作溫度范圍為-40℃至+105℃工業溫度范圍。
AD7280A內置一個±3ppm基準電壓源,提供±1.6mV的電池電壓測量精度。ADC分辨率為12位,轉換48個單元只需7μs時間。
AD7280A具有電池平衡接口輸出,用來控制外部FET晶體管,允許各電池放電,并強行使堆疊中的所有電池單元具有相同電壓。
AD8280獨立于主監控器工作,并提供報警功能,可指示超容差條件。該器件內置自用基準電壓源和LDO,二者均完全采用電池組供電。基準電壓源與外部電阻分壓器一起,用來設置過壓/欠壓的跳變點。每個電池通道都含有可編程去毛刺(D/G)電路,以免瞬時輸入電平引發報警。
AD7280A和AD8280位于電池管理系統(BMS)的高壓端,具有一個菊花鏈接口,最多能將8個AD7280A和8個AD8280堆疊在一起,以監控48個鋰離子電池單元的電壓。堆疊中的相鄰AD7280A和AD8280可以直接通信,向上向下傳遞數據,而無需隔離。
堆疊底部的主器件使用SPI接口和GPIO與SDP-B評估板通信,只有在這個地方才需要高壓電流隔離,以便保護SDP-B板的低壓端。數字隔離器ADuM1400、ADuM1401和集成DC-DC轉換器的隔離器ADuM5404共同提供所需的11通道隔離,構成一種緊湊、高性價比的解決方案。ADuM5404還可為較低AD7280A的VDRIVE輸入提供5V隔離輸出,并為ADuM1400和ADuM1401隔離器提供VDD2電源電壓。
鋰離子電池監控和保護系統電路描述
AD7280A是一款完整的數據采集系統,內置一個高壓輸入多路復用器、一個低壓輸入多路復用器、一個12位、1μsSARADC和用于通道時序控制的片內寄存器。HVMUX用于測量串聯鋰離子電池單元,如圖1所示。LVMUX提供單端ADC輸入,可結合外部熱敏電阻測量個別電池單元的溫度;如果不需要溫度測量,則可利用輔助ADC輸入轉換任何其它0V至5V輸入信號。另外還提供2.5V精密基準電壓源和片內電壓調節器。

圖1:鋰離子電池監控和保護系統原理示意圖
AD8280是一款用于鋰離子電池組的純硬連線安全監控器,配合AD7280A使用時,可提供具有可調閾值檢測和共用或單獨報警輸出的低成本、冗余、備用電池監控器。它具有自測功能,因此適合混合動力電動汽車等高可靠性應用或者不間斷電源等高壓工業應用。AD7280A和AD8280均從監控的電池單元獲得電源。
[page]
ADuM5404集成一個DC-DC轉換器,用于向ADuM1400和ADuM1401隔離器的高壓端供電,以及向AD7280ASPI接口提供VDRIVE電源。這些4通道、磁性隔離電路是安全、可靠、易用的光耦合器替代解決方案。
為優化菊花鏈在高噪聲條件下的通信性能(如遇到電池干擾時),菊花鏈信號被屏蔽在印刷電路板(PCB)的一個內層上,上下都由VSS電源層提供屏蔽,該電源層連接到菊花鏈中上一個器件的VSS引腳。圖2所示為EVAL-CN0235-SDPZPCB的頂層,包含AD7280A的上部屏蔽,圖5所示為底層,包含AD8280的上部屏蔽。圖3所示為內層(第2層),包含屏蔽的菊花鏈信號,下方的屏蔽在圖4所示的第3層上實現。每個菊花鏈連接上都配有22pF電容,根據菊花鏈的數據流方向,這些電容端接于上一個器件的VSS引腳或下一個器件的VDD引腳。PD、CS、SCLK、SDI和CNVST菊花鏈連接沿菊花鏈向上傳遞數據,因此這些引腳上的22pF電容端接于上一個器件的VSS引腳。

圖2:EVAL-CN0235-SDPZPCB的頂層包含AD7280A菊花鏈信號的上部屏蔽

圖3:EVAL-CN0235-SDPZPCB的第2層包含屏蔽的AD7280A菊花鏈信號

圖4:EVAL-CN0235-SDPZPCB的第3層包含屏蔽的AD8280菊花鏈信號

圖5:EVAL-CN0235-SDPZPCB的底層包含AD8280菊花鏈信號

圖3:EVAL-CN0235-SDPZPCB的第2層包含屏蔽的AD7280A菊花鏈信號

圖4:EVAL-CN0235-SDPZPCB的第3層包含屏蔽的AD8280菊花鏈信號

圖5:EVAL-CN0235-SDPZPCB的底層包含AD8280菊花鏈信號
SDOlo和ALERTlo菊花鏈連接沿菊花鏈向下傳遞數據,因此這些引腳上的22pF電容端接于下一個器件的VDD引腳。使用一條低阻抗走線將下一個器件的VDD與上一個器件的VSS直接相連,使這兩個電位在高噪聲環境下盡可能接近。
[page]
隔離柵處的接地護欄用于圍住PCB左側構成的低壓端。該護欄由通過過孔系在一起的保護環組成,連接到板上所有層的數字地。到達電路板邊緣的電源層與接地層上的噪聲可能會輻射,但采用這種屏蔽結構時,噪聲會被反射回來。
當驅動電流源跨過接地層之間的間隙時,也可能產生輸入至輸出的偶極子輻射。為將這種效應降至最小,隔離間隙處使用一個連續的屏蔽體,從而將接地層擴展至PCB的所有層上,以利用屏蔽重疊部分構成跨隔離柵耦合。各層上的隔離間隙保持最小,測試板使用0.008英寸的間隙。有關isoPower.器件(如本電路所用的ADuM5404)輻射控制的更多建議,請參閱應用筆記AN-0971。
測試結果
衡量該電路性能的一個重要指標是最終輸出電壓測量結果中的噪聲量。

圖6:EVAL-CN0235-SDPZPCB的底層包含AD8280菊花鏈信號
圖6所示為VIN3.VIN2通道的10,000個測量樣本的直方圖。該數據是利用連接到EVAL-SDP-CB1Z系統演示平臺(SDP-B)評估板的CN0235評估板獲得的。設置詳情參見本電路筆記的“電路評估與測試”部分。

圖7:10,000樣本的直方圖(器件1的VIN4-VIN3)
已將12個鋰離子電池連接到輸入螺紋接線端子。注意,只有一小部分碼字受噪聲影響而落在主倉之外。圖6和圖7所示為對應于大約0.5LSBrms的3LSB峰峰噪聲。
[page]
常見變化
經驗證,該電路能夠穩定地工作,并具有良好的精度。利用iCoupler隔離產品,可以實現其它的隔離通道組合。
鋰離子電池監控和保護系統電路評估與測試
本電路使用EVAL-CN0235-SDPZ電路板和EVAL-SDP-CB1Z系統演示平臺(SDP-B)評估板。這兩片板具有120引腳的對接連接器,可以快速完成設置并評估電路性能。EVAL-CN0235-SDPZ板包含要評估的電路,如本筆記所述。SDP-B評估板與CN0235評估軟件一起使用,可從EVAL-CN0235-SDPZ電路板獲取數據。
設備要求
●帶USB端口的Windows.XP、WindowsVista.(32位)或。Windows.7(32位)PC
●EVAL-CN0235-SDP.Z電路評估板
●EVAL-SDP-CB1.ZSDP-B評估板
●CN0235SDP評估軟件。
●電源:+6V或+6V“壁式電源適配器”.
●鋰離子電池或精密直流電源。
使用及設置
將CN0235評估軟件光盤放進PC的光盤驅動器,加載評估軟件。打開包含評估軟件的驅動器。
EVAL-CN0235-SDPZ電路板上的120引腳連接器連接到EVAL-SDP-CB1Z(SDP-B)評估板上標有“CONA”的連接器。應使用尼龍五金配件,通過120引腳連接器兩端的孔牢牢固定這兩片板。
在斷電情況下,將一個+6V電源連接到板上標有“+6V”和“GND”的引腳。如果有+6V“壁式電源適配器”,可以將它連接到板上的管式連接器,代替+6V電源。此外只需連接鋰離子電池組。電池組可以用一個由精密直流電源電壓驅動的電阻分壓器來模擬。SDP-B板附帶的USB電纜連接到PC上的USB端口。注意:此時請勿將該USB電纜連接到SDP-B板上的微型USB連接器。
測試
為連接到EVAL-CN0235-SDPZ電路板的+6V電源(或“壁式電源適配器”)通電。啟動評估軟件,并通過USB電纜將PC連接到SDP-B板上的微型USB連接器。一旦USB通信建立,就可以使用SDP-B板來發送、接收、捕捉來自EVAL-CN0235-SDPZ板的串行數據。
相關閱讀:
防止鋰離子電池組短路新方法
http://www.cqxjhs.cn/cp-art/80020985
鋰離子電池應用無源、有源電芯平衡方法匯總
http://www.cqxjhs.cn/power-art/80021157
危害鋰電池使用壽命的四大“誤區”
http://www.cqxjhs.cn/power-art/80021298


