【導讀】如今,線性LED驅動芯片越來越多地應用于汽車車身照明系統,且尤其適合應用在尾燈模塊。多年來TI一直致力于為汽車行業用戶提供最具競爭力的LED驅動解決方案,構建創新、可靠、經濟高效的汽車照明系統。
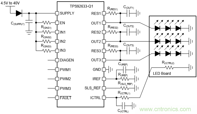
在您設計車身照明系統時,是否也曾被散熱和離板設計等問題困擾?TI最新推出的C位產品TPS92633-Q1將為您帶來變革式的解決方案。如下圖所示,TPS92633-Q1一方面采用外部分流電阻來分擔熱量,另一方面支持off board binning resistor,這使得離板設計變得更加容易,極大地解放了生產線端的壓力。此外,該新產品還支持4.5V-40V的電壓輸入范圍和三個通道輸出,每個通道的輸出電流高達150mA。

TPS92633-Q1 原理圖
更好的散熱性能: 外部分流電阻
在尾燈模塊的設計中,線性驅動芯片在散熱上的短板使其通常無法支持很高的功率。為了防止出現“芯片過熱”或“系統過熱”,設計者通常只能依靠成本較高的大面積散熱設計來實現所需的輸出功率。
TPS92633-Q1的亮點之一就是搭載了可以分擔熱量的外部分流電阻,在改善散熱性能的同時減少了系統BOM成本。

分流電阻工作原理
當輸入電壓較低且接近LED所需的正向壓降時,默認的電流源通道(綠色線路)輸出電流。 當輸入電壓高于LED所需的正向壓降時,另外一路電阻通路(紅色線路)也同時打開,分擔電流和功耗。

輸入電壓 VS. 輸出電流
不同輸入電壓下的輸出電流與功耗對比如下圖所示。Itotal是流向LED的總電流,等于流經OUT引腳和Rres引腳的電流之和。 下圖中黑線為系統總功耗,等于芯片和電阻的功耗之和。我們可以看到,借助Rres的分流,芯片本身的功耗明顯降低,從而有效控制了熱量的產生。

輸入電壓 VS. 功耗
TPS92633-Q1的熱測試結果如下圖所示。通常,乘用車電池的電壓范圍為9V至16V,汽車尾燈的環境溫度最高為85°C。 我們在這些條件下進行了模擬測試,當Vin為16V時,TPS92633-Q1借助分流電阻來分擔系統的熱量,可以支持最高450mA的電流,而沒有分流電阻的對照芯片在相同的環境溫度下則會直接觸發熱關斷保護。

熱測試對比結果
更便捷、低成本的方案: Off-board Binning Resistor.
在進行離板設計時,由于LED生產工藝的限制,必須將LED板與芯片板匹配來統一LED的亮度,這往往是比較繁瑣但又無法省略的一個步驟。哪怕是在同一批次的LED產品中,也會存在不同的bins。用戶在購買了整批LED后,仍需要通過binning resistor來設置不同bins LED的電流來統一亮度。
現有的解決方案如下圖所示,考慮到芯片抗擾性,binning resistor必須與驅動芯片放在同一塊板上,那么也就必須為不同的驅動芯片板設計不同的binning resistor。 為了將LED板與驅動芯片板匹配,我們需要使用條碼或二維碼進行識別,這大大增加了設計復雜度與制造成本開銷。

現有方案:Binning resistors與驅動芯片在同一塊板上
TPS92633-Q1的另一亮點就是其ICTRL引腳支持off-board binning resistor,這一設計完美地解決了上述難題。如下圖所示,我們在制造過程中可以直接將binning resistor放置在LED板上,這樣只需要設計一種驅動芯片板即可匹配所有bins的LED板,大大降低了制造成本。

TPS92633-Q1方案:off-board binning resistor
除了支持off-board binning resistor之外,TPS92633-Q1還支持通過在ICTRL引腳連接NTC來實現thermal derating。當溫度升高時NTC阻值會減小,RICTRL上的電壓會降低,從而降低輸出電流以進行過熱保護,下圖為測試結果。

溫度 VS. 輸出電流
結論
在設計車身照明系統時,散熱性能是最關鍵的設計考慮因素之一。在現有的線性LED驅動方案中,所有電壓降均由芯片承擔,往往會導致芯片和系統過熱。LED板和驅動板的匹配是設計過程中的另一個難點,若將binning resistor與驅動芯片放在同一塊板上,則會增加額外的成本。
德州儀器(TI)的全新明星產品TPS92633-Q1提供了可靠、高效、低成本的解決方案,其外部分流電阻可以有效分擔散熱壓力,同時支持off-board binning resistor來進行離板設計。
設計示例
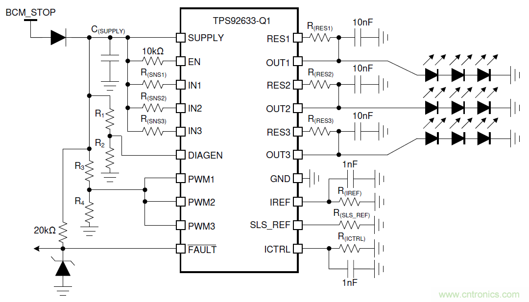
1.實現One-Fail-All-Fails功能的BCM控制式尾燈設計示例
TPS92633-Q1能夠驅動不同功能的汽車尾燈,包括剎車燈、轉向燈、霧燈、倒車燈等;在多顆TPS92633-Q1共同使用的場景中,可以通過將FAULT引腳連接起來輕松實現One-Fail-All-Fails功能。

1.1 設計需求
乘用車電瓶的輸入電壓范圍為9V至16V,一般需要每路3個共9個LED來實現剎車燈功能;每個LED的最大正向壓降VF_MAX為2.5V,最小正向壓降VF_MIN為1.9V;每個LED的電流I(LED)要求為140mA;LED的亮度和開關則直接由車身控制模塊BCM控制;此外,還需要單個LED的短路檢測功能,并實現剎車燈One-Fail-All-Fails功能。
1.2 詳細設計步驟
STEP 1:當ICTRL電阻與TPS92633-Q1放置在同一塊板上時,TI推薦設置I(IREF)為100uA;使用如下公式得到R(IREF),其中V(IREF) = 1.235V,I(IREF) = 100uA (推薦值),此時R(IREF)為12.3kΩ。

STEP 2:當ICTRL引腳不用于驅動off-board binning resistor或NTC電阻時,TI推薦設置V(CS_REG)為100mV;使用如下公式通過設計ICTRL電阻R(ICTRL)阻值來設定V(CS_REG)電壓(SUPPLY引腳與INx引腳間電壓),其中V(CS_REG) = 100mV (推薦值),I(IREF) = 100uA (推薦值)。此時,R(ICTRL)為680Ω。

STEP 3:當每一路輸出電流I(OUTx_Tot) = 140mA時,使用如下公式得到R(SNSx)阻值(SUPPLY引腳與INx引腳間電阻),其中V(IREF) = 1.235V,R(ICTRL) = 680Ω,R(IREF) = 12.3kΩ,I(OUTx_Tot) = 140mA。此時,R(SNSx) = 0.717Ω。

根據設計需求,每一路的輸出電流是相同的,因此R(SNS1) = R(SNS2) = R(SNS3) = 0.717Ω。這里需注意0.717Ω不是標準的電阻值,因此需要并聯兩個電阻才能獲得等效的0.717Ω電阻。
STEP 4:使用如下公式計算分流電阻R(RESx)的阻值。R(RESx)的值實際上決定了I(OUTx)和I(RESx)的電流分布,其基本設計原則是使R(RESx)在電源電壓下消耗大約50%總功耗。

其中,V(SUPPLY) = 12V,I(OUTx_Tot) = 140mA。當V(OUTx) = 3×2.2V = 6.6V時,R(RESx)(包括R(RES1)、R(RES2)、R(RES3))的阻值為75Ω。
STEP 5:設計診斷單個LED短路的閾值電壓,使用如下公式計算用于設置該閾值電壓的電阻R(SLS_REF)的阻值。
串聯的三個LED的總正向壓降最大為3×2.5 V = 7.5V,最小為3×1.9 V = 5.7V。一旦三個LED中的任何一個出現短路故障,其余兩個LED串聯時的總正向壓降為2×2.5 V = 5 V(最大值)和2×1.9 V = 3.8 V(最小值)。因此,我們可以選擇5.3 V作為單個LED短路的閾值電壓V(SLS_th_falling)。

其中V(IREF) = 1.235V,R(IREF) = 12.3kΩ,N(OUT) = 4,N(SLS_REF) = 1。當V(SLS_th_falling) = 5.34V時,R(SLS_REF) = 13.3kΩ。
STEP 6:設計SUPPLY引腳的閾值電壓來設置LED開路和單個LED的短路診斷功能,并計算DIAGEN引腳上的分壓電阻R1、R2的阻值。
3個LED的最大正向壓降為3×2.5 V = 7.5V;為避免在慢上電工作過程中誤報開路故障或單個LED的短路,需要考慮SUPPLY引腳和OUTx引腳之間的最小壓差;當電源電壓低于3個LED的最大正向壓降、V(OPEN_th_rising)、V(CS_REG)三者之和時,TPS92633-Q1必須關閉開路檢測和單個LED的短路檢測功能。分壓電阻R1、R2的阻值可通過如下公式計算。

其中V(OPEN_th_rising) = 210mV(maximum),V(CS_REG) = 100mV,VIL(DIAGEN) = 1.045V(minimum),R2 = 10kΩ(推薦值)。此時,R1為64.9kΩ。
STEP 7:設計SUPPLY引腳的閾值電壓來控制LED通道的開關,并計算PWM輸入引腳上分壓電阻R3和R4的阻值。
3個LED的最小正向壓降為3×1.9 V = 5.7V;為了確保每一路的電流輸出正常,當SUPPLY引腳電壓低于3個LED的最小正向壓降、INx引腳與OUTx引腳間的壓降、V(CS_REG)之和時,各路輸出應處于關閉狀態。分壓電阻R3、R4的阻值可通過如下公式計算。

其中V(DROPOUT) = 300mV,V(CS_REG) = 100mV,VIH(PWM) = 1.26V(maximum),R4 = 10kΩ(推薦值)。此時,R4為38.3kΩ。
1.3 仿真曲線

80%亮度SUPPLY調光 & 20%亮度SUPPLY調光
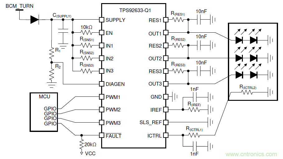
2.離板驅動的獨立PWM控制式尾燈設計示例
TPS92633-Q1能夠通過PWM1,PWM2和PWM3引腳上的PWM輸入獨立驅動每一路通道的輸出電流。LED和LED binning resistor一起放置在不同于TPS92633-Q1的另一塊PCB板上,LED binning resistor連接至ICTRL引腳,用來相應地調整流經LED的電流。

原理圖設計
2.1 設計需求
乘用車電瓶的輸入電壓范圍為9V至16V,一般需要每路2個共6個LED來實現轉向燈功能;每個LED的最大正向壓降VF_MAX為2.5V,最小正向壓降VF_MIN為1.9V;LED binning resistor與LED一起放置在另一塊PCB板上;不同亮度bins LED所需電流為50 mA、75 mA和100 mA;每一路通道的輸出是獨立的,由MCU控制。
2.2 設計詳細步驟
當不需要單個LED短路診斷功能時,TI建議將SLS_REF引腳接地。
STEP 1:當ICTRL電阻與TPS92633-Q1放置在不同的兩塊板上時,TI推薦設置I(IREF)為200uA;使用如下公式得到R(IREF),其中V(IREF) = 1.235V,I(IREF) = 200uA (離板推薦值),此時R(IREF)為6.19kΩ。

STEP 2:當ICTRL電阻與TPS92633-Q1放置在不同的兩塊板上時,使用如下公式通過設計ICTRL電阻R(ICTRL1)、R(ICTRL2)的阻值來設定V(CS_REG)的電壓(SUPPLY引腳與INx引腳間電壓),其中I(IREF) = 200uA (推薦值)。

對于三種不同的bins的LED,TI推薦在R(SNSx)(SUPPLY引腳與INx引腳間電阻)兩端分別施加80mV、120mV和160 mV的電壓。下表列出了不同亮度bins LED的R(ICTRL1)、R(ICTRL2)阻值的計算結果,這里建議選擇阻值盡可能大的R(ICTRL1)來增強抗噪能力。

STEP 3:使用如下公式得到R(SNSx)阻值,其中V(IREF) = 1.235V,R(IREF) = 6.19kΩ。

根據設計需求,每一路的輸出電流是相同的,因此R(SNS1) = R(SNS2) = R(SNS3)。R(SNSx)的計算結果也在上方表格中列出。
STEP 4:使用如下公式計算分流電阻R(RESx)的阻值。R(RESx)的值實際上決定了I(OUTx)和I(RESx)的電流分布,其基本設計原則是使R(RESx)在電源電壓下消耗大約50%總功耗。

其中,V(SUPPLY) = 12V,I(OUTx_Tot) = 100mA。當V(OUTx) = 2×2.2V = 4.4V時,R(RESx)(包括R(RES1)、R(RES2)、R(RES3))的阻值為152Ω。
STEP 5:設計用于設置LED開路診斷功能的SUPPLY電壓閾值,并使用如下公式計算DIAGEN引腳上分壓電阻R1、R2的阻值。
2個LED的最大正向壓降為2×2.5 V = 5V;為避免在慢上電工作過程中誤報開路故障,需要考慮SUPPLY引腳和OUTx引腳之間的最小壓差;當電源電壓低于2個LED的最大正向壓降、V(OPEN_th_rising)、V(CS_REG)三者之和時,TPS92633-Q1必須關閉開路檢測功能。分壓電阻R1、R2的阻值可通過如下公式計算。

其中V(OPEN_th_rising) = 210mV(maximum),V(CS_REG) = 160mV(maximum),VIL(DIAGEN) = 1.045V(minimum),R2 = 10kΩ(推薦值)。此時,R1為41.2kΩ。
2.3 仿真曲線

200Hz下80%占空比PWM調光 & 600Hz下20%占空比PWM調光
免責聲明:本文為轉載文章,轉載此文目的在于傳遞更多信息,版權歸原作者所有。本文所用視頻、圖片、文字如涉及作品版權問題,請聯系小編進行處理。
推薦閱讀:



