- 電容式觸摸屏的控制器電路設計
- 觸摸屏激勵信號源介紹
- 觸摸電流處理電路介紹
- 自動調零電路介紹
- 通訊接口介紹
摘要:該文介紹一種適用于電容式觸摸屏的控制器電路,該控制器由8751單片機系統及相應的觸摸感應電路組成,闡明了電容式觸摸屏的結構和控制器的硬件電路及各部分的功能,以及確定觸摸位置坐標的原理與方法。利用該控制器可以獲得手指在屏上觸摸的位置和觸摸輕重度信息,通過串行口或并行口將信息傳送給計算機,基于這些信息可以設計用戶應用程序。該控制器電路及相應的控制軟件已全部實現。
計算機觸摸屏是一種顯著改善人機操作界面的輸入設備,具有直接、簡單、快捷的優點,在各個領域中有著廣泛的應用前景,尤其適用于計算機屏幕菜單式問答系統,例如工業控制監控、軍事指揮、商場導購、賓館功能介紹、各種咨詢系統等。目前國外觸摸屏有電容式、電阻式和紅外式之分。由于電容式觸摸屏具有數據連續、分辨率高、屏結構簡單、內藏式等優點,可以不改變原計算機結構,因而獲得廣泛應用。觸摸屏是履蓋在計算機顯示終端上的玻璃屏,透過玻璃屏能看到顯示屏上的圖象。電容式觸摸屏是在玻璃屏上噴涂某種金屬氧化物薄膜,如可使用銦錫氧化物。在觸摸屏的四周邊緣上安排有若干電極,使得交流電能夠較均勻地在一個方向上流過整個觸摸屏,其結構如圖1 所示。觸摸屏每一邊可安排5個或6 個電極,以適合 14″ 、17″ 等不同觸摸屏的需要。當用手指觸摸玻璃屏某一位置時,使用者的體電容加到電路中,引起電極之間電容的變化。為了感應電容值的變化,并確定手指觸摸的位置,必須設計1 個能與主機CPU 通訊的控制器。為此筆者研制了適用于電容式觸摸屏的控制器。本文主要介紹該控制器的硬件組成、各部分功能以及確定觸摸位置的原理和方法。

圖1 電容式觸摸屏結構
Fig. 1 St ructure of capacitive touch panel
1 觸摸屏控制器電路及其功能
觸摸屏控制器總體結構如圖2 所示。控制器的所有時序都由單片機控制,各部分功能敘述如下。

圖2 觸摸屏控制器總體框圖
Fig. 2 General diagram of controller for touch panel
Fig. 2 General diagram of controller for touch panel
1. 1 觸摸屏激勵信號源
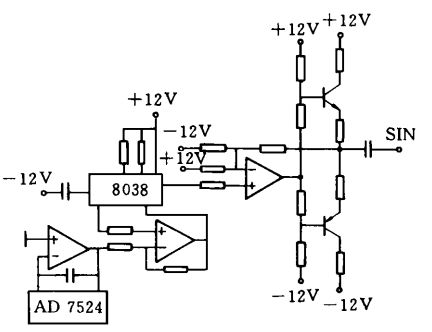
控制器的激勵信號源如圖3 所示。信號由函數信號發生器8038 產生,它能夠輸出正弦波和方波,正弦波用作觸摸屏的激勵信號。單片機通過 8 位 D/ A 轉換器可控制8038 的振蕩頻率,一般控制在200 kHz 左右,以避開計算機顯示器掃描信號產生的干擾。同時,由8038 產生的方波信號提供給模擬解調器,作為解調信號參考源。由于8038輸出的正弦波信號功率有限,為此在8038的正弦波信號輸出端增加了功率放大電路。

圖3 控制器的激勵信號源
Fig. 3 Excitat ion signal sour ce in cont roller
Fig. 3 Excitat ion signal sour ce in cont roller
1. 2 觸摸電流處理電路
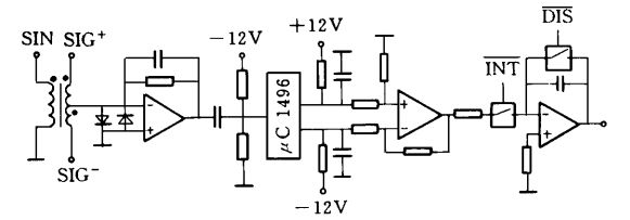
觸摸電流處理電路如圖4 所示。假設在沒有觸摸時,調零電路已使變壓器次級中心抽頭上的電流為零。當有觸摸時,將使中心抽頭上的電流產生變化,其波形為經信號激勵源頻率X0 調制的信號。如果在位置坐標為X、Y的點上進行觸摸,則中心抽頭電流通過模擬解調器解調輸出,并由低通濾波器濾波后,可得到與坐標X、Y及觸摸輕重度Z 相對應的觸摸電流i X、iY、iZ。
由于測量值的變化范圍較寬,如果簡單地將其信號放大后,接入 A/ D 轉換器ADC1001,將使其位置測量精度大大下降。為此使用了積分器,使其輸出的電壓與t XiX、tYiY、tZi Z 相對應,其中,tX、t Y、t Z 為積分因子,對應的積分時間由單片機控制模擬開關的開通時間來實現,這樣就能適合于測量值的變化。
1. 3 自動調零電路
在沒有觸摸的情況下,由于元器件的誤差等原因,變壓器次級中心抽頭上的電流不一定為零,從而引起測量誤差,為此本控制器設置了自動調零電路,如圖5 所示。該電路將12 位D/ A 轉換器DAC1230 的輸出,通過電容耦合到SIG-信號上,使得變壓器次級中心抽頭上的電流調整為零。
[page]圖4 觸摸電流處理電路
Fig. 4 Touch current pr ocessing circuit
Fig. 4 Touch current pr ocessing circuit
1. 4 通訊接口
電容式觸摸屏控制器設置了串行接口和并行接口,將測量計算得到的位置坐標數據傳送給計算機。串行接口為RS - 232 標準接口,可通過撥碼開關進行設置:波特率為1200、9 600 或19 200; 進行奇/偶校驗或不校驗; 采用二進制碼或ASCⅡ碼通訊。并行接口為CENTRONICS標準接口。由撥碼開關還可設置4 種數據發送模式: 連續模式、增量模式、按下發送模式和放開發送模式。
2 觸摸屏掃描模式和觸摸位置的確定
在圖1 所示的觸摸屏上,如果在 P 點觸摸,為了確定觸摸坐標X、Y及觸摸的輕重度,必須設計適當的掃描模式,使得激勵信號SIG+和SIG-按預先安排好的時序分別作用于觸摸屏的各邊電極上,依次形成各方向的觸摸電流。掃描時序由控制器中的單片機通過多路開關進行控制。本控制器設計了4 種掃描模式。第 1種模式為將SIG+加到觸摸屏的左邊電極上,SIG-
加到觸摸屏的右邊電極上,觸摸屏的上邊和下邊電極全部開路,這樣在觸摸屏的X 方向上建立了交流電壓梯度,經解調器解調和濾波后,可得到X 方向上的觸摸電流為iX= KXXV/ Zf ,其中,V為變壓器次級對于中心抽頭虛地的電壓,KX 為常量,V/ Zf 為電路等價阻抗觸摸電流。第2 種模式為將SIG+加到觸摸屏的左邊電極上,同時也加到觸摸屏的右邊電極上,這時在X 方向上建立了均勻的交流電壓。如果在觸摸屏上任意一點進行觸摸,則經解調器解調和濾波后,得到其觸摸電流為i ZX= KZXV/ Zf ,其中,KZX為常量。由iX 和iZX得X 方向的觸摸位置坐標為X= (KZX/ KX)·( iX/ i ZX ) ,式中,iX、iZX在以上2 種掃描模式下測得,而常量KZX/ KX 可由實驗確定。一旦確定了KZX / KX,就可計算出X 方向的任意觸摸位置坐標X。同樣,第3 種模式是將SIG+和SIG-分別加到觸摸屏的上邊電極和下邊電極上,即可得到Y方向上的觸摸電流為i Y= KYYV/ Zf ,其中,KY 為常量。第4種模式是同時將SIG+加到觸摸屏的上邊電極和下邊電極上,得等價阻抗觸摸電流為 iZY= KZYV/ Zf ,其中,KZY為常量。也可由 iY 和 iZY得Y 方向的觸摸位置坐標為 Y=(KZY/ KY) ( i Y/ i ZX) ,其中,常量KZY/ KY 同樣可由實驗確定。
觸摸坐標的計算由單片機軟件實現。在測量觸摸位置坐標的同時,也得到了觸摸輕重度
的信息,該信息可用于設置觸摸輕重度的閾值或喚起一個應用程序。
3 結語
本文給出了電容式觸摸屏控制器的硬件線路,該控制器電路已全部實現。通過硬件線路
設計及相應軟件的配合,在觸摸同一點的重復精度與觸摸靈敏度上得到用戶認可,達到了預
想的技術要求,有關控制器的軟件部分將另文論述。



