【導讀】科技的發展使得手機功能越來越多,各種視頻文件和精美的圖片不斷出現,甚至現在還多了一項私人教練功能。眼下可穿戴設備佩戴傳感器,能夠隨時監護使用者的日常活動和健康狀況。儼然成為當下健康意識推動的典范。
現在,裝有多個傳感器的通用傳感器前端可以監控這些參數。而更大的挑戰是最大程度地縮小尺寸并延長電池使用壽命。本文將討論面向迅猛增長的可穿戴電子產品市場的解決方案。
最重要的生命體征信號
脈搏或心率是需要監控的最重要的參數之一。除了每分鐘心跳次數以外,還應該檢查心臟行為與活動量的函數關系。心律也非常重要,因為快速變化的心率是心臟疾病的征兆。
心率和心臟活動的監護通常是使用心電圖(ECG)測量生理電信號來實現的。連接到身體上的電極可測量出心臟組織中心電活動所產生的信號。專業的診斷系統就基于此原理,其在胸部和四肢最多可連接10個電極。ECG可提供一次心跳不同分量(P波、QRS波和T波)的相關詳細信息。
單導聯ECG在體育界的應用越來越普遍,其使用雙電極胸帶來測量心臟活動。雖然可檢測到各種ECG波形,但大多數系統只測量心率。這些胸帶穿戴起來并不舒服。因此,體育和保健行業正在尋找替代方案,例如將電極集成到運動衫上。AD8232單導聯心率監護儀前端(如圖1)就是專為此類低功耗可穿戴應用而開發的。該器件內置增益為100V/V的儀表放大器和高通濾波器,能阻止皮膚上電極的半電池電位產生的失調電壓。輸出緩沖器和低通濾波器則可抑制肌肉活動產生的高頻分量(EMG信號)。此低功耗前端功耗為170μA,可與16位片上計量儀ADuCM350配合使用,進行高性能、單導聯ECG測量。

圖1:AD8232單導聯ECG前端。
測量心率的新方法
心率測量的新趨勢是光電容積圖(PPG),這是一種無需測量生物電信號就能獲得心臟功能信息的光學技術。PPG主要用于測量血氧飽和度(SpO2),但也可不進行生物電信號測量就提供心臟功能信息。借助PPG技術,心率監護儀可集成到手表或護腕等可穿戴設備上。因為生理電勢法信號電平極其微弱,所以無法做到這一點。
在光學系統中,光通過皮膚表面發射。光電傳感器對紅細胞吸收的光量進行測量。隨著心臟跳動,不斷變化的血容量使接收到的光量分散開來。在手指或耳垂上進行測量時,由于這些部位有相當多的動脈血,使用紅光或紅外光源可獲得最佳精度。但是,手腕上方很少有動脈存在,腕部穿戴式設備必須通過皮膚表層下方的靜脈和毛細血管來檢測脈動分量,因此綠光效果會更好。
ADPD142光學模塊(如圖2)具備完整的光度測量前端,并集成了光電傳感器、電流源和LED。該器件專為測量反射光而設計,可用來實現PPG測量,所有元件都封裝在一個小小的模塊上。

圖2:ADPD142光學模塊。
使用光學VSM所面臨的挑戰
利用腕部穿戴式設備測量PPG面臨的主要挑戰來自環境光和運動產生的干擾。陽光產生的直流誤差相對而言比較容易消除,但日光燈和節能燈發出的光線都帶有可引起交流誤差的頻率分量。模擬前端使用兩種結構來抑制DC至100kHz的干擾信號。模擬信號經過調理后,14位逐次逼近型數模轉換器(ADC)將該信號數字化,再通過I2C接口發送到微處理器進行最終后處理。
同步發送路徑與光接收器并行集成在一起。其獨立的電流源可驅動兩個單獨的LED ,電流電平最多可編程至250mA。LED電流是脈沖電流,脈沖長度在微秒級,因此可保持較低的平均功耗,從而最大程度地延長電池使用壽命。
LED驅動電路是動態電路且可即時配置,因此不受各種環境條件影響,例如環境光、穿戴者皮膚和頭發的色澤或傳感器和皮膚之間的汗液,這些都會降低靈敏度。激勵LED的配置非常方便,可用于構建自適應系統。所有時序和同步均由模擬前端處理,因此不會增加系統處理器的任何開銷。
ADPD142提供兩種版本:ADPD142RG集成紅光LED和綠光LED,用于支持光學心率監護;ADPD142RI集成紅光LED和紅外LED,用于進行血氧飽和度(SpO2)測量。
運動的影響
運動也會干擾光學系統。當光學心率監護儀用于睡眠研究時,這可能不是問題,但在鍛煉期間佩戴運動腕表和護腕,將會很難消除運動偽像。光學傳感器(LED和光電檢測器)與皮膚之間的相對運動會降低光信號的靈敏度。此外,運動的頻率分量也可能會被視為心率測量,因此必須測量該運動并進行補償。設備與人體貼得越緊密,這種影響就越小,但采用機械方式消除這種影響幾乎是不可能的。
可使用多種方法來測量運動。其中一種是光學方法,即使用多個LED波長。共模信號表示運動,而差分信號用來檢測心率。但是,最好是使用真正的運動傳感器。這不僅可以準確測量施加到可穿戴設備的運動,還可用于提供其他功能,例如跟蹤活動、計算步數或者在檢測到特定重力時啟動某個應用。
ADXL362是一款微功耗、3軸MEMS(微機電系統)加速度計,非常適合在電池供電型可穿戴應用中檢測運動。其1 2位ADC可將加速度轉換為數字信號,分辨率為1-mg。功耗隨采樣速率動態變化,當輸出數據速率為100Hz時功耗僅為1.8μA,在400Hz時為3.0μA。這些較高的數據速率對于用戶接口來說非常有用,例如單擊/雙擊檢測。

圖3:ADXL362電源電流與輸出數據速率呈函數關系。
對于在檢測到運動時啟動某個應用的情況,則無需進行高速采樣,因此可將數據速率降至6Hz,此時平均功耗為300nA。因而,對于低功耗應用和不易更換電池的植入式設備來說,此傳感器非常有吸引力。ADXL362采用3.0mm×3.25mm封裝。圖3顯示了在不同的電源電壓的條件下,電源電流與輸出數據速率之間的關系。
系統中各傳感器的連接
系統的核心是混合信號片上計量儀ADuCM350,它與所有傳感器相連,并負責運行必要的軟件,以及儲存、顯示或傳送結果。該器件集成了高性能模擬前端(AFE)和16MHz ARM Cortex-M3處理器內核,如圖4所示。AFE的靈活性和微處理器豐富的功能組合使此芯片成為便攜式應用和可穿戴應用的理想選擇。可配置的AFE支持幾乎所有傳感器,其可編程波形發生器可使用交流或直流信號為模擬傳感器供電。高性能的接收信號鏈會對傳感器信號進行調理,并使用積分非線性(INL)和差分非線性(DNL)最大值為±1LSB的無丟碼真16位160kSPS ADC將這些信號數字化。該接收信號鏈支持任何類型的輸入信號,包括電壓、電流、恒電勢、光電流和復阻抗。

圖4:集成AFE的Cortex-M3。
AFE 可在獨立模式下工作, 無需Cortex-M3處理器干預。可編程時序控制器控制測量引擎,測量結果通過DMA儲存到存儲器內。開始測量前,可執行校準程序,以校正發送和接收信號鏈中的失調和漂移誤差。對于復阻抗測量,如血糖、體質指數(BMI)或組織鑒別應用,內置DSP加速器可實現2048點單頻離散傅里葉變換,而無需M3處理器干預。這些高性能AFE功能使ADuCM350具有其他集成解決方案無可比擬的獨特優勢。
Cortex處理器支持多種通信端口,包括I2S、USB、MIPI和LCD顯示驅動器(靜態)。此外,它還包括閃存、SRAM和EEPROM,并且支持五種不同的電源模式,可最大程度地延長電池使用壽命。
ADuCM350設計用于超低功耗傳感器,性能限制為低速器件。對于要求更高處理能力的應用,可使用工作頻率高達80MHz的M3內核或者Cortex-M4處理器內核。
[page]
功耗如何?
功耗一直是便攜式設備和可穿戴設備的一個關鍵因素。本文介紹的器件針對高性能、小尺寸和低功耗要求而設計,但在小封裝內集成所有一切器件(包括電池)仍然是一個挑戰。盡管新的電池技術實現了每mm3更高的容量,但與電子產品相比,電池體積仍然較大。
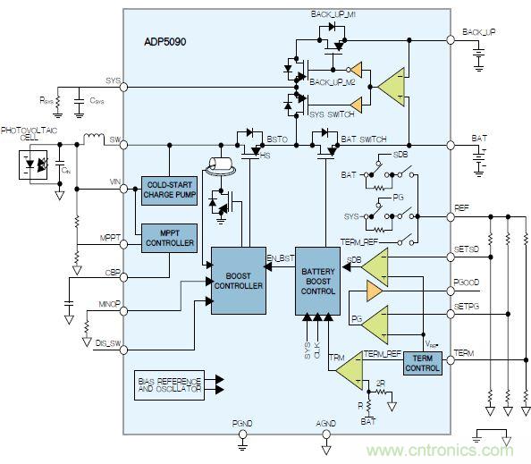
能量采集可減小電池尺寸并延長電池使用壽命。能量采集技術有多種,包括熱電、壓電、電磁和光電等技術—對于可穿戴設備,利用光和熱最為合適。傳感器通常不會產生大量輸出功率,因此每焦耳熱量都應當可以被捕獲和使用。ADP5090超低功耗升壓調節器(如圖5)將采集器和電池橋接起來。此高效的開關電源可將輸入電壓從低至100mV升高到3V。冷啟動期間,在電池完全放電的情況下,需要的最小輸入電壓為380mV,但在正常工作時,如果電池電量沒有完全耗盡或者還有一些電能留在超級電容內,任何低至100mV的輸入信號都可轉換為較高的電位并儲存下來,以供稍后使用。

圖5:ADP5090能量采集器。
該芯片采用微型3mm×3mm封裝,可進行編程來支持各種不同的能量采集傳感器。其最大靜態電流為250nA,支持幾乎所有電池技術—從鋰離子電池到薄膜電池以及超級電容均可。集成式保護電路可確保安全運行。
相關閱讀:
技術風賞:物聯網傳感器電池終被能量采集器件取代
傳感器風尚:西瓜溫室生產溫濕度控制系統的設計
加速度傳感器在心搏圖應用中的設計探究




