【導讀】本文所介紹的直流不間斷電源系統可靠性高,具有較好的EMC性能,電池檢測方案簡易,控制操作方便,剩余時間的預測方法簡單實用,軟硬件的設計簡單而靈活。通過在變電站現場使用的情況看來,效果很好。
在變電站中,直流電源對變電站的二次設備以及變電站的實時通信非常重要。如果直流電源不可靠,會導致繼電保護失靈,造成停電面積擴大,也使得通信出錯,以致發生更大的事故,為此,要求其有較高的可靠性。通常,采用儲能電容或蓄電池作后備電源,并且直接作為直流輸出,但輸出電能質量不高,而且電池管理復雜。因此,本文采用帶蓄電池的開關電源提高電源的可靠性,同時輸出電能質量高,滿足通信的要求。一般情況下,蓄電池的管理是一件非常復雜的工作,該系統采用PIC16C73單片機來實現電池管理,管理方案簡單可靠。
24V直流不間斷電源系統
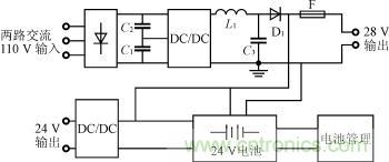
24V配電網專用不間斷電源系統示意圖如圖1所示。

圖1:變電站配電網專用24V直流電源系統示意圖
電源系統的性能指標
兩路交流輸入 90~130V;
可以用于變電站小型直流電機啟動;
輸出直流24±0.03V;
實時檢測電池工作參數,遠程監控;
負載電流3A時備用時間≥10h;
可以遠程,現場實現電池管理操作;
工作溫度范圍-40℃~+80℃。
電源系統的各個模快
1)前一級是半橋DC/DC電路,用作充電器。為提高可靠性,輸入為兩路交流110V,可以工作在交流90~130V,輸出為直流28V(蓄電池在充電狀態下),既用于對蓄電池充電,又可以通過蓄電池啟動小型的直流電機。開關管采用晶體管2SC2625,控制芯片采用TL494。電路自激啟動過程:直流母線上的分壓電阻使得2SC2625的VBE≥0.6V,晶體管導通,電路開始自激,輔組繞組上建立瞬時電壓,使得TL494工作,電路進入正常工作狀態。
2)后一級DC/DC電路采用推挽電路結構,變壓器雙向磁化,有效防止磁飽和。由于電池端電壓可以在21V~27V之間變化,該電路可以實現升降壓調節,使輸出電壓穩定在24V,滿足負載要求。
3)電池管理模塊采用PIC16C73,其框圖如圖2所示。PIC16C73是Microchip公司推出的PIC8位中檔單片機,僅35條單字節指令,自帶5個A/D轉換模塊,穩定性好,可以工作在惡劣的環境。

圖2:電池管理框圖
通過采樣電路,實時將電池的端電壓,放電電流,充電電流,電池溫度,交流停電,充電器故障信號等送給PIC16C73處理。處理后的數據可以送給現場的LCD顯示,以便現場巡檢;數據送給上位機,可以實現遠程監控。
4)開關電源集成控制器TL494可以輸出兩路互補的脈沖控制信號,也可以實現單端輸出。最小死區為3%而且可調,內有穩壓和過流保護運放。
電池管理方案及功能實現
電池管理部分硬件圖如圖3所示。

圖3:電池管理部分硬件圖
電池容量的選擇
按滿足交流停電狀態下持續放電的要求。在廠家提供蓄電池容量變換系數Kc的條件下,采用式(1)計算容量C
C=IG/(KcδTδK) (1)
式中:I為按配電網最大負荷電流設計;
G為蓄電池獨立供電時間,由配電網可靠性等級決定;
δT為蓄電池放電容量溫度系數,在15~25℃環境溫度下,溫度每增高或降低1℃時,容量隨溫度變化增加或減小0.006至0.007的額定容量,δT=1+0.006(T-25℃);
δK為蓄電池衰老系數,一般取0.8。
根據以上原則,并結合實際應用場合,本系統選擇了2個12A•h/12V的鉛酸蓄電池串聯。
電池管理的硬件實現
交流上電后,一方面通過R4和D3對蓄電池充電,同時為后一級提供輸入,此時繼電器K1吸合,但由于D4反偏,蓄電池不對負載放電;在交流停電或蓄電池放電狀態時,D1反偏截止,此時蓄電池通過繼電器觸點及D4對負載供電。當檢測到電池電壓≤21V時,停止供電,系統處于完全停電狀態,應當避免這種情況的發生。R7和R8用來檢測電池的充放電電流。在充電狀態下,28V直流輸出恒定,當處于放電狀況下,該輸出會有變化的。
1)直流啟動 在交流失電的情況下,可以直接按一下S1,蓄電池為負載供電,同時,R5端為高電平,繼電器K1吸合,即使S1斷開,也不會中斷供電,對S1形成自鎖。
2)放電控制 由于在大多數情況下,電池處于充電狀態,這對于電池的使用壽命有很大的影響。因此,在一定的時間里應使電池放電。在該系統中,放電分手動放電和自動定時放電。定時的長短根據用戶的要求而定,一般定為60天,單片機內部計時器計時到達后,給出放電信號。放電信號通過硬件電路,在R3端并上一電阻R1,使得TL494腳1的電位上升,控制脈沖變窄,輸出電壓變低,使D1處于反偏截止,此時,蓄電池單獨對負載供電,前一級DC/DC相當于空載狀態。根據電池廠家的建議,將電池的放電終了電壓設為10.5V×2=21V,當檢測到蓄電池電壓≤21V時,撤銷放電信號,充電器對蓄電池充電,同時為負載提供能量。
3)電機啟動 由于電機啟動所需的電流較大,在此系統中通過蓄電池放電來達到這個目的。在啟動前,人為發出一個信號,使充電器的電壓下跌,此時蓄電池投入工作。
4)充電電壓可控 改變蓄電池的充電電壓即是改變充電器的輸出,而在R3端并接不同的電阻R1,R2即可改變輸出電壓,用戶可以根據需要自行設定電壓。
電池的參數檢測
1)充電電流Ic和放電電流Id 當蓄電池處于充電狀態時,由于D4的箝位作用,負載電流Io完全由充電器提供,此時R7的端電壓UR7=IoR7,Id=0,IR8=Io+Ic,取R7=R8則
Ic=(UR8-UR7)/R7;
當由蓄電池單獨供電時,D4的箝位作用消失,此時UR8=0,Ic=0,因此,Id=Io=UR7/R7,所以,只要將UR7和UR8通過差分放大器得到0~5V的電流信號,送至PIC16C73的兩個A/D轉換通道,通過微處理器的處理,可以檢測任一時刻的Ic和Id。
2)電池電壓 由于采用兩個12V電池串聯,所以,應分別檢測蓄電池端壓,電壓輸出通過電阻分壓獲得電壓采樣值。當檢測到電池電壓UB1(UB2)出現|(UB1-12)|/12≥δ0(δ0是均衡率,此處取4%)時,表示該電池電壓充電不均衡,應采取相應的措施。
3)電池溫度 采用AD590溫度傳感器,將溫度采樣值送到單片機,當檢測到電池溫度超過80℃的時間大于10min時,立即撤銷放電控制信號,并將R5的高電平變為低電平,使繼電器斷開。
4)電池容量 電池容量檢測問題一直是蓄電池管理中的難點,通常的做法有:基于電動勢的容量預測、基于電池內阻的容量預測、同時基于電池內阻與電動勢的容量預測、基于電流放電率的容量預測、基于電流時間積分的容量預測等。在本系統中,由于負載的變化遵從Io=0.2n(n為并聯負載的個數),因此,容量檢測采用電流時間積分的容量預測,會使檢測簡單可行。電池放電容量CΔ= Iddt,由于負載的投切,電流發生變化遵從固定的規律,所以CΔ=0.2n1t1+0.2n2t2(n1t1,n2t2為不同負載作用的時間)。如果知道電池放電前的初始容量Co的話,則變化后的電池容量Cx=Co-CΔ。這種方法相對比較簡單,容易實現,而且可以采用系統本身所具有的電流采樣電路,無需外加特殊設備。
剩余時間的預測
電池容量預測的目的是為了獲得電池系統能夠提供的工作時間的相關信息,因此,實際上我們只須知道在當前條件下(電壓、電流、溫度)電池系統還能夠提供的工作時間。在某一時刻,電壓、電流、溫度值可以測量得到,那么,我們就能預測該電池在此電流下恒流放電的可持續時間,即系統中有這樣一張表,將電壓分成幾檔,電流也分成幾檔,如表1所列。
表1:電池容量預測表

表中的t(n,m)為以Im放電,電壓達到Vn時所剩的時間
系統所要做的工作就是將該表填滿,并且根據某一時刻的端電壓和電流,從該表中計算出該電池在該電流下還能夠運行的時間。電壓電流的分檔區間的大小決定了電池剩余容量預測的精度。下面以12A•h/12V的鉛酸電池為例來說明該系統的工作過程。
1)表格的初始化 初始化可以由兩種方法,其一,通過電池廠商提供的電池放電曲線獲得數據;其二,就是從運行中獲得數據。初始化數據并不需要將表格填滿,但是初始化數據的多寡決定了系統運行初期剩余容量預測的準確度。我們將電流分為4檔:0.05C/0.1C/0.15C/0.2C,而電壓以0.1V分為一檔。
2)修正電壓 在不同的放電電流時,電池內阻以及極化電壓是不同的,因此,首先必須獲得不同放電電流下的修正電壓。以0.05C為基準,對電池進行放電實驗,得出不同電壓點的修正電壓。
3)預測剩余時間 根據初始化的結果,獲得預測表中的一部分數據,如果從預測表中已知t(V1,I2)時,預測以I1放電達到V1時剩余的時間,采用換算公式(2)預測。
t(V1,I1)=t(V1-Vx2+Vx1,I2)×I2/I1(2)
式中:t(V1,I1)是以I1放電,當電池電壓達到V1時剩余的時間;
Vxn是各電流相應的修正電壓。
I2的選擇考慮就近的原則以保證預測的準確度。選擇最近一次放電結果進行預測,例如:上次用0.1C放電,這次要預測0.2C,則I2取0.1C。這是因為電池的物理化學狀態隨時在變,時間越靠近,結果應該越準確。該方法預測剩余時間的誤差在15min以下,在實際應用中可以提高時間和電壓的測量精度從而提高預測的準確度。
4)預測表的修正 預測表的修正在電池放電至截至電壓時進行分為幾種情況:
(1)放電結束前,電池恒流放電,對該恒流值下的放電預測表進行修正;
(2)放電完畢前,電池經過幾種電流放電,通過時間折算公式(2)修正這幾種電流相應電壓預測表;
(3)在不同溫度下,按-4mV/℃進行修正。
圖4為剩余時間預測程序流程圖。

圖4:剩余時間預測程序流程圖
這種預測方法的優點在于:
——不需要大量的預設曲線;
——不需要增加多余的測量設備,充分利用原有系統的電壓電流測量系統;
——隨著運行時間的增加,預測準確度增加;
——這種預測方法可以根據需要調整存儲器的容量,以提高精度。



