【導讀】LED驅動電源質量的好壞,直接影響到LED照明系統的品質,但在LED照明系統中相對容易損壞的卻是驅動電源。為保證LED驅動電源的安全、高效、可靠,在研發或者生產階段,必須對它進行嚴格的測試。
相比傳統節能燈,LED照明燈具具有光效更高,更環保的特性。LED驅動電源是把交流供電或者其它直流電源轉換為LED燈具可用的恒壓或恒流的特定電源,LED驅動電源是LED照明燈具的核心組件之一,其性能和可靠性直接決定了LED照明燈具的使用效果和壽命。為了能夠更好地應用在LED照明燈具中,在LED驅動電源的研發或者生產階段,需要采用合適的測試方案對LED驅動電源各項指標進行測試。
LED驅動電源測試簡介
LED驅動電源廠商為了進一步提高LED驅動電源的性能指標,并保證出廠產品的優良品質,通常都需要經過嚴格的測試過程,其中包含了輸入測試、輸出測試、保護測試、安全測試、環境測試和EMC測試等種類繁多的測試項目。這里簡要介紹一下LED驅動電源以下幾個關鍵的測試項:
1、能效
高效率 LED是節能產品,驅動電源的效率要高。對于驅動電源安裝在內部這類結構的燈具,電源效率顯得更加重要。因為LED的發光效率隨著LED溫度的升高而下降,所以LED的散熱非常重要。驅動電源的效率高,它的耗損功率小,在燈具內發熱量就小,也就降低了燈具的溫升。
2、功率因數
功率因數是電網對負載的要求。隨著對供電質量的要求不斷提高,用電設備帶來的電能質量和諧波問題越來越受到關注。《LED模塊用交流電子控制裝置節能認證技術規范》中對于LED控制裝置能效限定值作了規定,線路功率因數最低為0.7。
3、輸出紋波
紋波是加在直流輸出電壓上的交流電壓,也是LED電源測試中的一個重要測量參數。紋波電流越大,會影響 LED性能,甚至嚴重降低LED的使用壽命。
4、輸入浪涌電流
LED驅動電源要有抑制浪涌電流的能力,以保護LED不被損壞。輸入浪涌電流一般是在冷開機時,當交流電壓處于峰值處(90°或者270°)時,浪涌電流最大。LED電源的重要器件,例如輸入保險絲、整流器等其額定值一般要高于輸入浪涌電流值。
5、輸入電源異常測試
對LED驅動電源進行輸入電源異常模擬的主要目的是評估LED驅動電源是否可以符合電磁兼容性測試針對電壓抗擾度測試部分的要求,這部分可以參考IEC 61000-4-11:電壓暫降、短時中斷和電壓變化的抗擾度試驗中規定。
為了準確評估LED驅動電源性能指標,驗證各個測試項目是否符合技術要求,需要選擇合適的LED驅動電源測試方案。
LED驅動電源測試方案

圖1 LED驅動電源測試方案框圖
LED驅動電源測試項目包括了LED驅動電源性能指標中的交流輸入范圍、電源能效、功率因數、紋波及噪聲、啟動及保持時間、上升時間、過載保護、過壓保護、電磁兼容等一系列參數。LED驅動電源屬于開關變換器,因此能效測試時需要能夠準確測量失真波形的功率和功率因數;并且要求測量儀器具備足夠的帶寬,避免高頻電流成分被濾除而導致測量誤差。
LED驅動電源待機功耗不應大于1W,待機測試功耗需要測量mA級電流,需要具備小信號電流的高精度測量能力。測試電源需要能夠提供穩定的供電電源,并可以模擬供電異常,例如頻率或者電壓變動,并具有完善的保護功能,以滿足測試的要求。
根據測試項目及要求可以搭建典型的LED測試方案,如圖1所示,LED驅動電源測試方案包括了:
● 測試電源:交流變頻電源PWR2000W
● 測量儀器:PA系列功率分析儀/功率計
● LED負載模擬裝置
采用交流變頻電源PWR2000W、PA系列功率分析儀/功率計以及負載模擬裝置搭建LED驅動電源測試系統,可以滿足針對LED驅動電源各項技術指標的測試需求。例如PA310單相功率計輸入帶寬可到300kHz,基本功率精度0.10%,最低電流檔位5mA,完全可以滿足LED驅動電源待機功耗、能效等參數的測試需要。
PWR2000W具有高穩定的輸出,最高輸出頻率可到1000Hz,支持電源異常模擬,輸出相位可設定,滿足LED驅動電源對于測試電源功能和性能的要求,下表為PWR2000W的基本功能參數:

例如,交流變頻電源PWR2000W可以靈活的設置輸出電壓的起始相位,例如90°或者270°滿足輸入浪涌測試時的要求,如圖2所示為設定輸出起始相位為90°。

圖2 輸出電壓起始相位設定:90°輸出
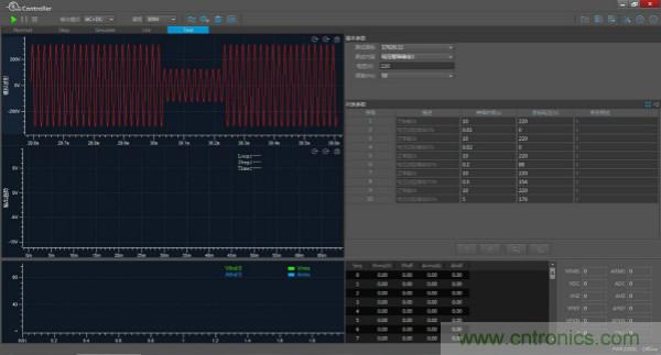
此外,交流變頻電源PWR2000W通過提供線路仿真輸出、序列輸出功能,可以靈活實現各種異常波形的模擬,并通過上位機軟件PWRController提供了符合IEC 61000-4-11等標準要求的測試界面,可以更方便進行LED驅動電源輸入端口的電源抗擾度試驗。

圖3 測試界面:電壓暫降設置波形
推薦閱讀:






