【導讀】Stastita[1]預測,到2025年,物聯網設備數量將超過750億,遠遠超過聯合國預測的2025年全球81億人口數量[2]。物聯網可能是科技公司的最大推動力量之一。物聯網設備最重要的特點便是聯網。
無線聯網的設備通過射頻無線電、天線和相關電路將電信號轉換為電磁波,反之亦然。設計人員有兩個選擇可實現該電路:a)使用射頻芯片組并設計相關的射頻部分;b)使用已經安裝了射頻芯片組和相關射頻部分的模塊。在本文中,我們將比較這兩種方法,并幫助設計人員做出明智決定。
使用芯片組和模塊的射頻部分
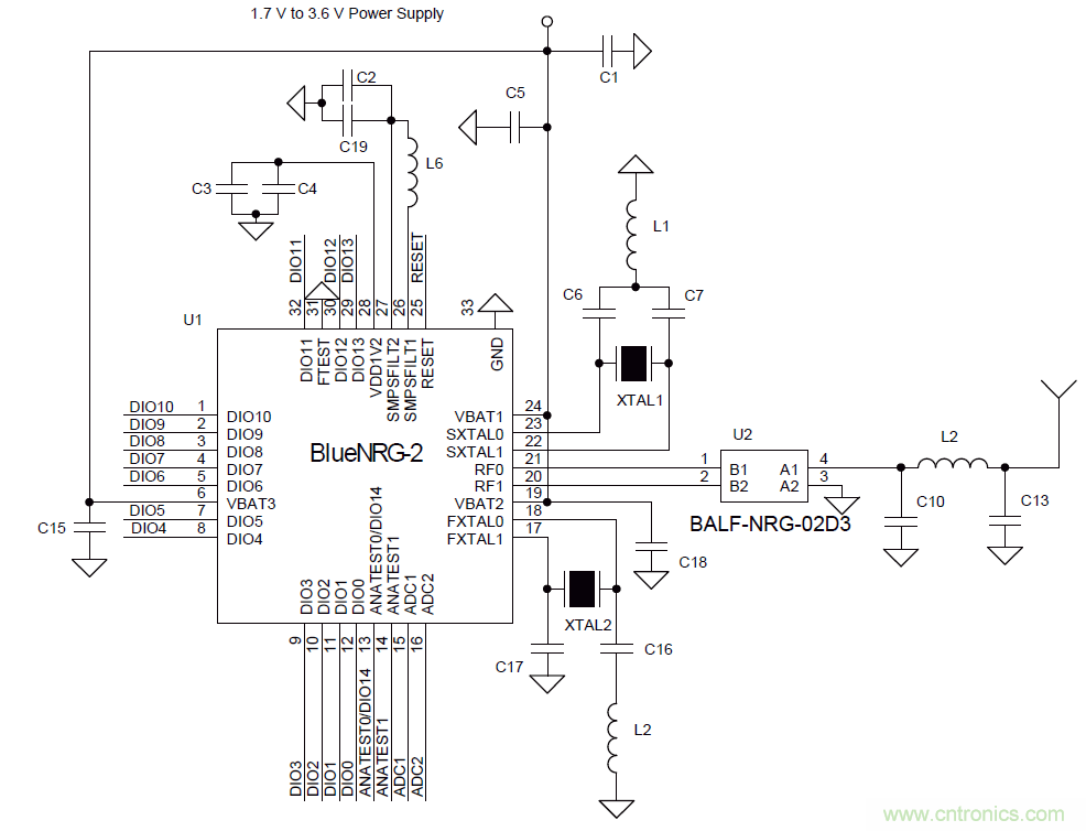
采用芯片組方式實現的射頻部分由射頻IC、天線、巴倫和濾波器、匹配網絡、晶振、以及其他無源器件組成。下面是使用意法半導體的BlueNRG BLE SoC的參考實現原理圖

圖 SEQ Figure * ARABIC 1:BlueNRG-2 參考原理圖
使用模塊方法的實現要簡單得多。與圖1相同的電路也可以使用現成的模塊來實現。下面是意法半導體的BlueNRG-M2SA模塊的引腳分配和內部框圖。該模塊是利用BlueNRG-2 SoC和相關電路實現的。

圖 SEQ Figure * ARABIC 2:BlueNRG-M2SA引腳分配和內部框圖
芯片組方法與模塊方法的比較
在選擇合適的方法時,要考慮三個主要方面:a)上市時間,b)認證,c)成本。我們將對每個方面進行回顧,以便從邏輯上理解透徹。
上市時間
使用芯片組設計射頻部分的步驟如下:
i) 設計原理圖和布板
ii) 請PCB制造商制板
iii) 焊板
iv) 微調無源器件的值,以優化性能
v) 訂購模塊的所有組件,然后生產出模塊
vi) RF測試和認證
基于芯片組設計的射頻部分幾乎要花費3 - 6個月時間。它還需要多種資源,如射頻設計師、供應鏈和多個服務合作伙伴,如PCB制造商和EMS公司。該方法適用于大批量生產,但不適用于原型制作和小批量生產。
模塊則是為快速上市而設計的。使用模塊添加連接不需要具備任何RF專業知識。無線連接比較簡單,就像一個模塊化的即插即用組件,因為設計師得到一個現成的射頻部分,模塊化的實現非常快。因此,設計人員可以非常快速地將自己的產品推向市場。這對于原型制作和小批量生產尤其重要。
認證
幾乎任何電子設備都要經過通用放射測試。此外,配有射頻部分的器件也被視為有意放射體。因此,它們需要額外的認證,以確保它們放射的功率不會超過允許值,或干擾其他設備或頻段。在這方面,沒有全球通用的認證,每個國家或地區都有自己的標準。通常這些標準是相似的,但是它們仍然需要通過申請和相關過程。
此外,大多數射頻技術(如BLE、Wi-Fi或GPRS)都必須符合特定組織制定的標準。所以,它們也要通過這些認證。例如,意法半導體的BlueNRG SoC和BlueNRG-M2SA 模塊的認證過程。
藍牙低功耗設備需要通過藍牙技術聯盟(管理藍牙標志使用的機構)的認證。它們還需要獲得不同國家和地區的RF認證。一些國家和地區確定的認證有FCC(美國)、RED(歐洲)、WPC(印度)、IC(加拿大)、SRCC(中國)、以及Type(日本)。
由于模塊已經經過測試并被認證為輻射裝置,通過模塊實現的設計無需再做輻射裝置認證,可被視為所用模塊的派生設備。下面是芯片組方法和模塊化方法的成本比較。

認證過程耗時、繁瑣且成本高昂。如果產量夠大,可以通過規模經濟來分攤成本,但對小批量產品來說,分攤成本過高。
費用
本文已經討論了成本的一些要素。一般來講,成本包括
● 電路設計成本
● 設計人員成本、供應鏈成本和生產成本
● 認證成本
● 機會成本
一般來說,如果年產量超過100-150K件,或者產品的形狀不允許采用專用模塊,這些成本是合理的。
意法半導體提供的模塊
意法半導體是世界領先的半導體公司,生產各種低功耗射頻器件和模塊。意法半導體提供的射頻芯片組和相關模塊見下表

一個需要考慮的非常重要的方面是,上面提到的所有芯片組和模塊均已納入10年長期供貨計劃。這意味著如果一家公司在其設計中使用了這些組件,那么意法半導體將從產品發布之日起的10年內持續提供這些組件,或提供完全兼容的替代品。
結論
如果終端設備的形狀不能適應模塊或產量非常大,則應采用芯片組方法以期實現合理的設計成本、生產成本和認證成本。如果公司希望專注于自己的核心競爭力并避免射頻設計的麻煩,模塊化方法應該是首選。模塊化方法也是原型制作和小批量生產的首選。如本文所述,意法半導體是低功率射頻技術領域的領軍企業,為各種應用場景提供廣泛的芯片組和模塊。
推薦閱讀:




