【導讀】本實驗旨在研究如何利用ΔVBE概念來產生穩定(對輸入電壓電平的變化較不敏感)的輸出電流。使用反饋來構建在一定的電源電壓范圍內產生恒定或調節輸出電流的電路。
材料
● ADALM2000 主動學習模塊
● 無焊試驗板
● 一個500 Ω可變電阻、電位計
● 一個100 Ω電阻
● 三個小信號NPN晶體管(2N3904)
● 三個小信號PNP晶體管(2N3906)
說明
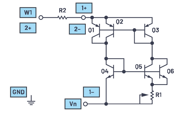
在無焊試驗板上構建圖1所示的電路。藍色方框表示ADALM2000的連接位置。PNP晶體管Q1、Q2和Q3形成增益為2的電流鏡;輸出電流是輸入電流的2倍。NPN晶體管Q4、Q5和Q6以及可變電阻R1形成電路的ΔVBE部分。電阻R2用于測量隨電路上的電壓變化(示波器通道1)在電路中流動的電流(示波器通道2)。
圖1.浮動電流源(吸電流連接到負電源)。
輸出電流通過R1設置。Q4與Q5和Q6的并聯組合之間的VBE差(ΔVBE)出現在R1上。PNP鏡(Q1、Q2和Q3)的增益為2(假定它們的大小相同)。因此,Q4中的電流是Q5和Q6組合電流的兩倍。我們再假定Q4、Q5和Q6的大小也相同,電流密度比為4,VBE差將為:
由于這個等式中的絕對溫度項,電流將與絕對溫度成正比。在某些情況下,這個特征可能有用,但在其他情況下,可能不適宜。
硬件設置
試驗板電路連接如圖2所示。
圖2.浮動電流源(吸電流連接到負電源)試驗板電路。
程序步驟
將波形發生器W1配置為三角波,頻率為100 Hz,幅度為10 V p-p,偏移為0 V。示波器顯示應同時在電壓與時間和XY模式中設置,通道1在水平軸上,通道2在垂直軸上。確保在完成并反復檢查接線之后,再打開電源。
圖3.浮動電流源(吸電流連接到負電源)示波器XY圖示例。
圖4.使用理想組件的浮動電流源(吸電流連接到負電源)LTspice XY圖示例。
證明電路的浮動特性
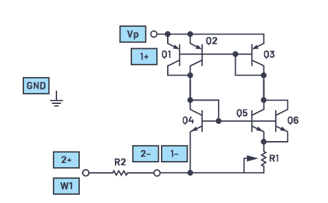
在圖1中,我們以負電源作為電路負極參考。要證明此電路是真正的浮動電流源,按圖5所示重新排列試驗板并重復測量。
圖5.浮動電流源(源電流連接到正電源)。
硬件設置
試驗板電路連接如圖6所示。
圖6.浮動電流源(吸電流連接到正電源)試驗板電路。
程序步驟
將波形發生器W1配置為三角波,頻率為100 Hz,幅度為10 V p-p,偏移為0 V。示波器顯示應同時在電壓與時間和XY模式中設置,通道1在水平軸上,通道2在垂直軸上。確保在完成并反復檢查接線之后,再打開電源。
圖7.浮動電流源(吸電流連接到正電源)XY圖。
圖8.使用理想組件的浮動電流源(吸電流連接到正電源)LTspice XY圖示例。
問題:
通過分析電路的LTspice®圖,電流源保持相對恒定電流所需的最小電壓是多少?
您可以在 學子專區博客上找到問題答案。
免責聲明:本文為轉載文章,轉載此文目的在于傳遞更多信息,版權歸原作者所有。本文所用視頻、圖片、文字如涉及作品版權問題,請聯系小編進行處理。
推薦閱讀:




