【導讀】低壓差(LDO)穩壓器在智能手機、可穿戴設備和其他便攜式小型設備等現代電子產品中發揮著至關重要的作用。由于其效率和可靠性,它們在系統級芯片(SoC)架構中的集成變得越來越普遍。然而,片上LDO選項和特性種類繁多,使得選擇過程變得十分復雜。
低壓差(LDO)穩壓器在智能手機、可穿戴設備和其他便攜式小型設備等現代電子產品中發揮著至關重要的作用。由于其效率和可靠性,它們在系統級芯片(SoC)架構中的集成變得越來越普遍。然而,片上LDO選項和特性種類繁多,使得選擇過程變得十分復雜。
在選擇LDO之前,明確定義IC設計的具體要求非常重要。需要考慮電壓調節需求、電源效率、噪聲敏感度和物理約束等因素。要為您的應用選擇合適的LDO,您必須首先明確具體要求并確定關鍵標準。
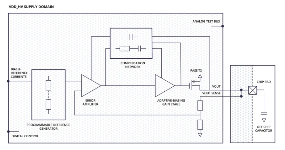
來源:Agile Analog
要確定最佳LDO,就必須了解現有的各種類型及其獨特特性。
LDO的類型
可編程LDO
這些LDO允許通過外部電阻或通過控制輸入以數字方式設置輸出電壓。通常見于具有多種電源模式的應用中,在活動模式下需要一個電壓,在睡眠模式下需要另一個電壓。
固定輸出LDO
這些LDO提供由制造商預先確定的固定輸出電壓。使用簡單,通常用于始終需要特定電壓的應用中。
超低壓差LDO
LDO的設計壓差小于200mV。非常適合需要通過最小化輸入和輸出之間的電壓損失來實現高效率的應用,通常用于為需要由DC-DC驅動的大電流的應用提供額外的電源抑制。
低噪聲LDO
這些LDO提供穩定的輸出,且電氣噪聲極小。常用于敏感的模擬電路、RF電路和其他噪聲敏感型應用。
高PSRR LDO
具有高電源抑制比(PSRR)的LDO旨在抑制輸入電源的變化和噪聲。通常見于輸入電源質量不可靠且驅動電路敏感的應用中,例如音頻和通信系統。
無電容LDO
大多數LDO都需要片外輸出電容器才能有效運行。無需片外輸出電容器即可提供所需性能的LDO稱為無電容LDO。無電容LDO非常適合對空間要求嚴格的應用,例如智能手機和可穿戴設備。
外部偏置LDO
這些LDO需要在輸出端(有時在輸入端)使用外部電容器來確保穩定性。適用于高輸出電流應用,或需要精確性能調整的應用,例如敏感模擬電路、RF應用和高性能數字系統。
大電流LDO
與標準LDO相比,它們可以提供更高的輸出電流。通常用于需要大量電流的應用,例如為微處理器或其他高功率組件提供數字電源。
低靜態電流LDO
LDO旨在在無負載時消耗極低的靜態電流。最適合電池供電設備中的常開域,在這些設備中,電源效率和電池壽命至關重要。
關鍵性能指標
選擇LDO時,需要考慮一些基本因素,以確保所選的LDO滿足您的應用的特定要求。
漏失電壓
這是LDO正常調節所需的輸入和輸出電壓之間的最小差值。盡管LDO設計為在低壓差下工作,但輸入和輸出電壓之間仍然需要最小差值。較低的壓差有利于提高效率,并且對于低輸入電壓應用至關重要,但通常會導致噪聲和PSR受損。
靜態電流
這是LDO未提供負載電流時消耗的電流。低靜態電流對于電池供電應用至關重要,可最大程度延長電池壽命。高靜態電流會降低整體效率和電池壽命。
負載調節
這衡量了LDO在負載電流變化時保持恒定輸出電壓的能力。LDO必須保持穩定的輸出電壓,而不管負載電流如何變化。高瞬態負載會導致輸出電壓變化,這可能會對敏感電子元件造成損害。
線路調節
這是為了在輸入電壓發生變化的情況下保持恒定的輸出電壓。這些變化會影響輸出電壓。雖然LDO通常提供良好的線路調節,但輸入電壓的大幅波動可能會帶來挑戰。
因此,牢記這些關鍵事項非常重要。
輸出電壓精度
檢查容差和參考電壓精度,確保LDO能夠高精度地提供所需的輸出電壓。LDO的效率與輸出電壓與輸入電壓之比直接相關,這會導致功率損耗和發熱。
最大輸入電壓
確保LDO的最大輸入電壓額定值高于其在應用中遇到的最高電壓。
輸出電流能力
確認連續和峰值電流額定值,以保證LDO能夠提供應用所需的最大電流。
輸出噪聲和PSRR
檢查輸出噪聲和PSRR。低噪聲LDO對于敏感的模擬電路至關重要,而低輸出噪聲需要精心設計和選擇元件。高PSRR是抑制電源噪聲所必需的。較差的PSRR會導致輸入噪聲傳遞到輸出,從而影響供電電路的性能。
溫度性能
評估LDO的熱性能和熱阻,使其能夠有效散熱。LDO必須在很寬的溫度范圍內可靠運行,因為在極端溫度下性能可能會下降,從而影響壓差、PSRR和穩定性等參數。
LDO的進步
LDO是核心IP模塊中必不可少的一部分,但選擇正確的LDO解決方案卻并非易事。傳統LDO市場多年來一直處于碎片化狀態,無法找到簡單的LDO解決方案。LDO要求眾多,而且經常相互沖突,因此沒有適合所有應用的解決方案。芯片設計人員不得不做出妥協,選擇相對最好的方案并使用變通方法。
幸運的是,隨著LDO的最新進展,現在有了另一種方法。Agile Analog等IP供應商提供全系列可定制且與工藝無關的LDO,因此不再需要妥協或變通。LDO的這些進步非常重要,有助于讓芯片設計人員的工作更加輕松。
(作者:Chris,來源:EDN電子技術設計)
(原文刊登于EDN姊妹網站Planet Analog,參考鏈接:Key considerations and challenges when choosing LDOs,由Ricardo Xie編譯。)
免責聲明:本文為轉載文章,轉載此文目的在于傳遞更多信息,版權歸原作者所有。本文所用視頻、圖片、文字如涉及作品版權問題,請聯系小編進行處理。
推薦閱讀:
授權代理商貿澤電子供應Toshiba多樣化電子元器件和半導體產品
科技的洪荒之力:可穿戴設備中的MEMS傳感器 助運動員爭金奪銀




