【導讀】使用窗口電壓監控器可以防止欠壓和過壓的情況出現,從而更好地調節系統電源。穩定的系統電源可保護系統或負載,以防出現潛在故障,甚至使其免遭損壞。不同的窗口電壓監控器架構提供容差、欠壓和過壓閾值設置以及輸出配置選項,以便根據應用實現設計靈活性。本文旨在通過列舉不同的架構示例,幫助工程師和系統設計人員確定適合其應用的窗口電壓監控器。
摘要
使用窗口電壓監控器可以防止欠壓和過壓的情況出現,從而更好地調節系統電源。穩定的系統電源可保護系統或負載,以防出現潛在故障,甚至使其免遭損壞。不同的窗口電壓監控器架構提供容差、欠壓和過壓閾值設置以及輸出配置選項,以便根據應用實現設計靈活性。本文旨在通過列舉不同的架構示例,幫助工程師和系統設計人員確定適合其應用的窗口電壓監控器。
簡介
在汽車、工業或家用電器等領域,電壓突然波動可能會引發嚴重的問題。造成該系統電源問題的原因可能包括電壓尖峰、電流不暢或不穩定、雷擊、閃爍等。
無論窗口電壓監控器低于還是高于電壓范圍,它都可以檢測一定范圍的電壓,并提供可用于執行保護機制的輸出信號,因此使用窗口電壓監控器有助于防止系統出現故障。窗口電壓監控器具有不同的架構和特性,要想實現出色的系統設計,需要更好地了解每種類型。選項包括電阻可編程欠壓(UV)和過壓(OV)斷路、固定或工廠調整的UV/OV閾值、用于監控多個電壓的多通道,或單一UV/OV或獨立UV和OV輸出選擇。
了解窗口電壓監控器
窗口電壓監控電路與傳統窗口檢測器電路類似,它使用兩個比較器,并且每個比較器檢測相對于其基準電壓(即上限和下限)的公用輸入電壓。輸出以兩個基準閾值電壓間窗口的形式顯示輸入的檢測結果。簡單地說,該電路不僅檢測低于閾值的電壓,也檢測高于閾值的電壓。傳統窗口檢測器電路及其波形如圖1所示。
圖1.傳統窗口檢測器電路和波形。
在該電路中,當VIN大于下限時,U2的輸出將從低狀態轉變為高狀態。與U1相反,當VIN大于上限時,輸出將從高狀態轉變為低狀態。因此,如果VIN大于下限且低于上限,則兩個比較器的輸出都將切換至高狀態,并打開與門輸出。
對于窗口電壓監控器,各比較器共用一個基準電壓。該監控器還提供定義的電源容差裕量、閾值滯回和閾值精度規格。容差的值通常以百分比表示,用于確定相對于標稱電壓的欠壓和過壓閾值窗口。即使存在電源噪聲或錯誤信號,滯回也能確保可靠的復位操作,并防止錯誤復位輸出。精度留出了欠壓和過壓閾值的容許范圍1。
提供UV輸出和OV輸出的電阻可編程電壓閾值
此類型架構在外部采用三電阻配置,其中,在為監控系統電源上的UV和OV條件設置閾值時,電阻分壓器連接到比較器的負輸入和正輸入。該架構沒有為UV/OV閾值窗口定義容差,但用戶可手動進行設置。此類型監控器提供單通道和多通道版本,因此這些監控器的電源電壓VCC與輸入或監控引腳分開。
圖2.電阻可編程UV/OV閾值內部框圖和配置。
圖2所示為正電壓監控框圖,其中包括每個通道的專用UV和OV輸出,以及其輸入與三個外部電阻的連接情況。在監控正電源電壓(VM)時,當高端電壓(VH)低于內部基準電壓時,將觸發UV條件,而當低端電壓(VL)超過內部基準電壓時,將觸發OV條件。使用電阻可編程窗口電壓監控器的優點在于,它允許用戶設置所需的UV和OV跳變點,其中,選擇R1以設置OV監控器的所需跳變點,選擇R2以設置UV監控器的所需跳變點,而R3用于完成設計。要確定每個電阻的值,請參見公式。
假設用戶已有電阻分壓器中被監控電壓(VM)和標稱電流(IM)的值,
對于R1,
對于R2,
使用外部電阻的一個考慮因素是,外部電阻會增加系統的功耗,并且可能會拓寬整體精度。使用大阻值的電阻可最大限度降低功耗,而小阻值的電阻可用于維持整體精度。
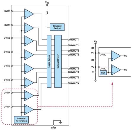
MAX16009采用此類型架構,這是一款低電壓、高精度的四窗口電壓監控器。該產品具有設計靈活性,例如可在多個通道中設置低至0.4 V的UV和OV閾值。圖3是使用MAX16009的示例。該器件用于內窺鏡的示波器部分,內窺鏡是一個配備燈具和攝像頭的長管,可插入人體以觀察腔體或器官內部。該系統在低電壓電平下采用多個電壓軌運行。該電壓監控器通過監控內核電源電壓和現場可編程門陣列(FPGA)的輸入/輸出電源電壓來確保不會出現電壓危害,從而提高系統的可靠性和穩健性。
圖3.內窺鏡功能框圖。
ADM12914也具有電阻可編程UV/OV閾值,這是一款精度為±0.8%的四通道UV/OV正/負電壓監控器。該監控器具有三態引腳,用于決定第三路和第四路輸入的極性,從而允許器件監控正電源或負電源。其高精度監控對于脈沖繞組測試儀等儀器應用非常寶貴,脈沖繞組測試儀可以發現變壓器、電機等線圈產品中的潛在缺陷。它可以檢測層間絕緣性低的單元,這在生產的早期階段通常很難發現。該測試儀用于在繞組端子施加脈沖電壓,并將測試波形與已知良好繞組產生的參考波形進行比較,以此檢測缺陷2。此應用使用高速采樣模數轉換器(ADC)產品對波形進行采樣和顯示,并將其與標準波形進行比較,以實現檢測。ADM12914在閾值設置方面具有靈活性,并提供高閾值精度,這些優勢有利于精確監控脈沖繞組測試儀中不同電路模塊(如ADC驅動器、高速放大器和微處理器)的電壓偏置。因此,該器件對于生產高質量線圈產品至關重要,這些線圈產品最終將用于工業、汽車和消費類產品。
表1列出了ADI窗口電壓監控器的示例,這些監控器具有基于通道數的電阻可編程UV和OV閾值。
表1.具有電阻可編程UV和OV閾值的窗口電壓監控器
具有可選窗口的工廠調整電壓閾值
此類型窗口電壓監控器架構提供工廠調整的電壓閾值,并為UV/OV閾值提供可選窗口。其中一些類型提供單一或獨立欠壓和過壓輸出選項。
MAX6762采用此類型架構。該器件提供固定的工廠調整電壓閾值,可監控0.9 V至5 V的系統電壓,并為定義的UV/OV閾值提供可選的±5%、±10%或±15%窗口,無需外部元件及其變體。窗口可通過SET引腳的狀態進行選擇,以使系統工程師能夠靈活地優化其設計。與我們討論的第一種類型的架構不同,這些窗口電壓監控器的VCC是被監控電壓。因此,沒有單獨的監控引腳。圖4所示為MAX6762的功能框圖,顯示了UV/OV閾值窗口選項和輸出配置。
圖4.MAX6762的功能框圖,這是具有工廠調整閾值的窗口電壓監控器的示例。
需要嚴格調節電壓且對噪聲敏感的應用可輕松選擇嚴格容差選項。另一方面,如果應用對電源噪聲的容忍度更高且不需要嚴格調節,則可以選擇設置更寬的容差,以充分擴大可用電源窗口,避免過度敏感和系統振蕩。通過該架構,設計人員可利用解決方案來平衡靈活性與復雜性。工廠調整的電壓無需外部電阻,同時允許通過SET引腳靈活地選擇合適的窗口,從而簡化了解決方案。
圖5顯示了無線收發器的簡化電源樹示例。除了需要出色的噪聲性能,該應用還需要嚴格調節供電軌。低壓差(LDO)穩壓器等后線性穩壓器通常用于抑制開關噪聲帶來的噪聲以及上游電源中開關穩壓器的諧波分量,但有時,高性能開關穩壓器便已足夠。然而,使用窗口電壓監控器可確保模擬和數字電源在工作時滿足嚴格的調節要求,從而提高整體可靠性。在該示例中,具有已定義閾值窗口的MAX6762監控供電軌。由于使用的穩壓器具有出色的噪聲性能,因此可以選擇更嚴格的容差。UV輸出配置為邏輯或,可將微處理器置于復位模式,OV輸出則作為微處理器不可屏蔽中斷(NMI)的輸入。
圖5.收發器微處理器的電源樹示例。
表2列出了窗口電壓監控器的示例,這些監控器提供具有可選窗口的工廠調整電壓閾值。此類型架構提供單通道和雙通道版本,并有獨立UV和OV輸出或單一UV/OV輸出可供選擇。
表2.具有工廠調整電壓閾值和可選窗口的窗口電壓監控器
提供單一UV/OV輸出的工廠調整電壓和窗口
此架構可在工廠設置的閾值窗口中檢測UV或OV故障。它與前文討論的第二種類型的架構之間的區別在于,UV/OV閾值的容差是工廠調整的。采用此架構的常見監控器提供單一復位輸出。此外,可在單芯片中監控多個電壓軌的多通道選項提供各種閾值,以適應不同的電源電壓和容差。
圖6.工廠調整閾值和容差的功能框圖。
在圖6中,此類型窗口電壓監控器使用內部比較器根據輸入電壓(IN)和輸入電源電壓(VDD)來確定輸入條件。通過IN引腳分別為UVLO電平及被監控電壓的OV和UV監控VDD電平。如果IN超出預編程的UV/OV窗口,復位輸出將置位。基準電壓決定了各種工廠調整的標稱輸入電壓,以及符合給定閾值精度規格的廣泛輸入容差選項。容差根據編程的標稱輸入電壓設置UV/OV閾值水平。此外,該電壓監控器在窗口閾值具有內部滯回,可幫助避免噪聲引起的多重故障條件。
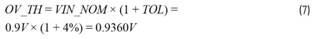
MAX16193采用該架構,這是一款精度為0.3%的雙通道監控電路,其選定的標稱輸入電壓(VIN_NOM)為0.9 V,輸入容差水平(TOL)為4%。以下公式用于確定UV和OV閾值水平(UV_TH和OV_TH):
在電源電壓范圍內,閾值精度(ACC)為0.3%,如下所示:
為幫助我們直觀地看到這些值,圖7顯示了已計算參數的圖解。計算結果可通過使用窗口電壓監控計算器獲得,該工具可幫助系統設計人員確保設備規格符合電源操作窗口等設計要求。圖7顯示,使用該標稱電壓為0.9V、容差為4%、閾值精度為0.3%的器件后,電源工作窗口將為±3.7%。此示例適合內核電壓較低且需要嚴格調節的應用。
圖7.MAX16193的窗口電壓計算器樣本計算結果。
您可從以下產品頁面下載此工具:MAX16138、MAX16191、MAX16193、MAX16132至MAX16135、MAX16137。
其他采用相同架構的產品包括MAX16132至MAX1635,這是一系列低電壓、高精度單/雙/三/四電壓監控器,其中MAX16132/MAX16133/MAX16134提供獨立復位輸出,MAX16135提供雙復位輸出。這些器件的溫度和窗口閾值監控閾值精度為±1%,非常適合汽車高級駕駛輔助系統(ADAS)應用。這些器件提供多個標稱電壓選項可供選擇,以支持應用要求。ADAS解決方案包含攝像頭、遠程雷達、超聲、光探測和測距(LIDAR)檢測技術。圖8顯示了ADAS框圖的示例,其中窗口電壓監控器位于電源管理系統模塊中的電源監控器類別下。檢測電路要求為放大器、ADC、雷達收發器和微控制器等器件監控多個不同的電壓軌,范圍可能從1.8 V到5 V不等。當系統中的電源電壓無法提供足夠的電壓電平時,系統準確感知環境的能力就會受到負面影響。實際上,傳感器可能很難準確檢測和跟蹤物體,從而導致誤警報或漏報3。MAX16132至MAX1635提供多個可供選擇的調整電壓閾值選項,這些選項能夠以高精度支持ADAS要求,從而滿足嚴格的調節要求。這些器件提供可在工廠編程設置的標稱輸入電壓,范圍為1 V至5 V,并為±4%至±11%的輸入容差、0.25%和0.5%的滯回提供廣泛選項。
圖8.ADAS功能框圖。
該窗口電壓監控器通常用于協作機器人(cobot)等工業應用領域。協作機器人是一種自主機器人工人,負責執行重復性任務和危險任務,在共享工作空間內與人類工人一起工作。協作機器人配備多種具有安全特性的傳感器,當它們檢測到附近有人或與人類工人接觸時會自動停止,然后等人類工人離開該區域后,又恢復工作。機器人系統的實時控制可通過FPGA的快速處理能力實現4。經過微調的電機控制和穩定反饋回路等關鍵功能需要高精度電源系統監控器,而MAX16134可以提供此類監控器。
圖9.協作機器人功能框圖。
表3中顯示的不同通用產品提供工廠調整的閾值電壓和容差選項,這些產品具有給定精度以及不同的通道數。
表3.具有工廠調整電壓閾值和容差的窗口電壓監控器
結論
窗口電壓監控器通過監控欠壓和過壓來降低電源故障的可能性,從而提高可靠性和系統穩健性。ADI提供多種窗口電壓監控器可供選擇,以支持不同的應用。ADI設計并提供不同的架構以用于設置電壓閾值和容差,幫助系統架構師完成優秀的設計。
參考文獻
1 Noel Tenorio。“電壓監控器如何解決電源噪聲和毛刺問題”。《模擬對話》,第57卷,2023年11月。
2 Yuki Maita。“使用新型脈沖繞組測試儀進行高精度繞組測試”。EE Power,2019年12月。
3 Bonnie Baker。“看守士兵保護ADAS電源電壓完整性”。ADI公司,2020年7月。
4 R.Niranjana。“基于FPGA的機器人和自動化”。FPGA Insights,2023年8月。
(來源:ADI公司,作者:Camille Bianca Gomez,產品應用工程師,Noel Tenorio,產品應用經理)
免責聲明:本文為轉載文章,轉載此文目的在于傳遞更多信息,版權歸原作者所有。本文所用視頻、圖片、文字如涉及作品版權問題,請聯系小編進行處理。
推薦閱讀:
國補政策擴容助力科技產品,"618購物節"攜手共促市場持續增長
安森美斥資1.15億美元收購碳化硅JFET技術,強化AI數據中心電源產品組合
意法半導體和ENGIE在馬來西亞簽訂可再生能源發電供電長期協議



