【導讀】時至今日,漏電引發的安全隱患事件仍屢見不鮮,缺乏漏電保護或者響應不及時,造成的結果都將是致命的。近幾年,隨著家電產業開始步入物聯網時代,終端企業也開始借助更為智能的手段來保障電器的使用安全,如電器電能監測、過載檢測、故障預警等等,使得電能計量芯片開始嶄露頭角。
基于CSE7761的漏電保護設計
漏電是由于電器外殼和市電火線間因某種原因連通后,和地形成一定的電位差而產生的。由芯海科技研發推出的高精度免校準電能計量芯片CSE7761,最大的特色是支持單芯片兩路計量,可同時檢測電器漏電與故障、漏電與計量,且具備漏電檢測觸發電流小、靈敏度高、響應時間快的優勢,有效保障使用安全性。

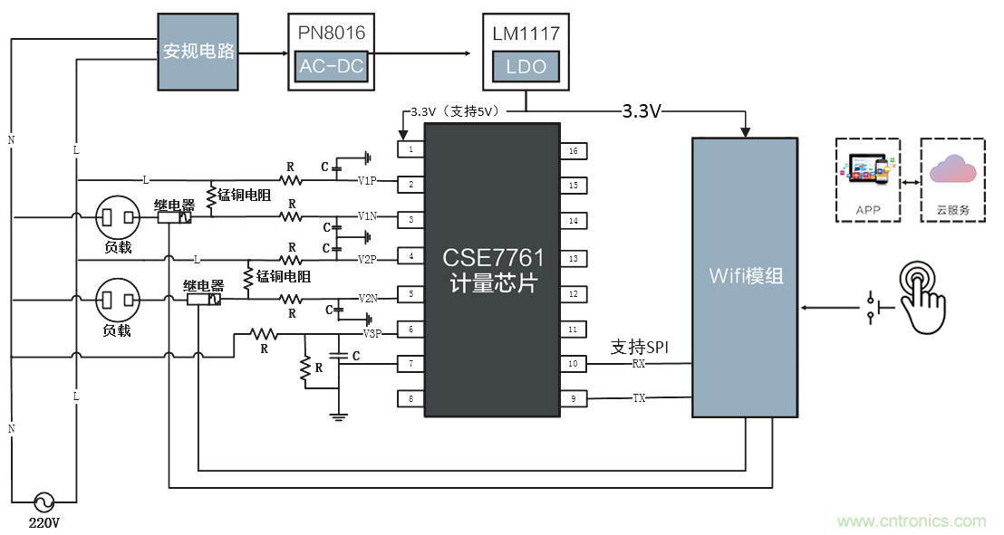
圖1:CSE7761漏電保護應用框圖
如圖1所示,采用V2P、V2N電流通道進行漏電檢測,流過L、N線圈上的電流是相等的。當兩者間電流產生差值并達到觸發閥值時,會產生漏電中斷并迅速做出響應。
其中,CSE7761寬電壓范圍3/5V,可測量交直流信號,其內部集成了3 路sigma-delta ADC、功率計算器、能量-頻率轉換器、一路SPI接口、一路UART接口;可用于精確計算電壓有效值、電流有效值、有功功率、視在功率、功率因數、漏電檢測的高性能功率測量應用,提供高速的電壓、電流的波形數據和電壓、電流、功率的瞬時數據。
更多安全保障

圖2:CSE7761兩路計量應用圖
CSE7761支持一路進行漏電檢測的同時另一路做計量,相較于當前市場上,智能插座要實現這樣的功能需要兩顆計量芯片,而CSE7761可以做到單芯片同時實現,增加產品安全性能,節約開發成本。
CSE7761亦支持一路進行漏電檢測、一路進行故障檢測,可以應用于冰箱、洗衣機、空調等白色家電及充電樁,提供高速的電壓、電流的波形數據,以及電壓、電流、功率的瞬時數據,為電器故障檢測及故障定位提供快速有效的診斷,提升產品價值。

圖3:圖左為飲水機燒水電壓瞬時曲線圖(單位:V),圖右為飲水機燒水電流瞬時曲線圖(單位:A)
總結
觸電事故層出不窮,在安全意識越來越強的今天,漏電保護功能作為生命安全最后的屏障,得到了各大電器廠商重視。芯海科技基于14年研發積累,快速響應市場升級需求,率先推出帶漏電檢測的計量芯片,有效提升了智能電器、智能插座的計量精度、用電安全、用途及性價比。
推薦閱讀:



