【導讀】使用Buck控制器加上一個驅動以及外圍電路,就可以實現Zeta電路,開關管和整流管的數量比較少就可以實現升降壓功能。
Zeta拓撲的特點:
1、能夠實現升降壓
2、<50W
3、主功率管導通的時候,能量是從輸入端直接傳遞到輸出端,所以算是一個正激拓撲。
4、沒有RHPZ(右半平面零點)
5、輸出端有LC濾波,所以紋波比較小
6、輸入端是開關管,開關開關,類似Buck所以輸入端需要做比較好的濾波。
7、用兩個耦合電感的話,用1:1匝數比的耦合電感。
8、使用Buck控制器加上一個驅動以及外圍電路,就可以實現Zeta電路,開關管和整流管的數量比較少就可以實現升降壓功能。
9、EMI特性相對比較好。
10、可以通過多個繞組,實現多路輸出。
11、同樣可以用MOSFET替代二極管,實現大功率的Zeta電路。
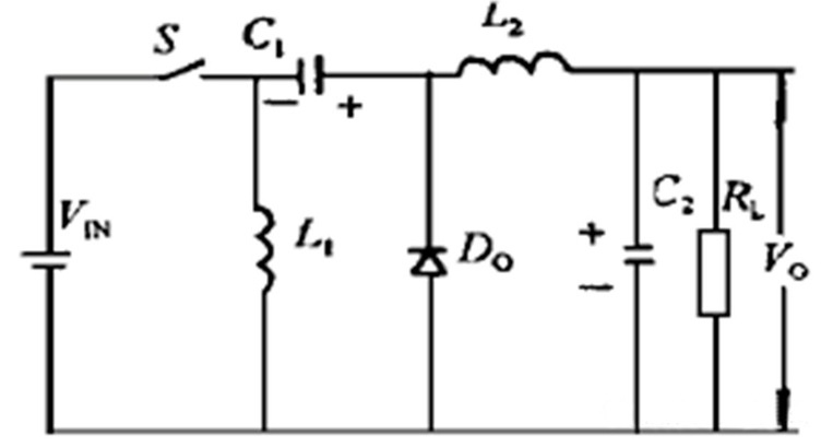
1、Zeta電路的基本結構
基本的Zeta電路是含有四個儲能元件,2個電感,2個電容。
2 基本工作原理
待S關斷后,L1經D0向C1沖電,其貯存的能量轉移至C1。同時,C2向負載供電,L2的電流則經V0續流。Zeta斬波電路的輸入輸出關系為:
Vout=D*Vin/(1-D)
D為開關的占空比。
開關閉合導通狀態下:電源VIN經開關S向電感L1貯能同時,VIN和C1共同向負載RL供電,并向C2充電。
待S關斷后,L1經D0向C1沖電,其貯存的能量轉移至C1。
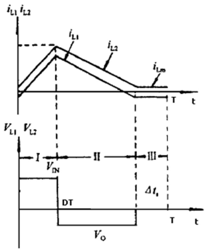
3、CCM與DCM
CCM模式下,就是上述兩個狀態階段。
兩個狀態的等效電路是:
CCM模式下的電感電流和電壓波形:
DCM模式下,除了在CCM模式下的兩個階段外,還多出了一個二極管斷流的階段:
此階段流過電感L1和L2中的電流相等。并且電流大小不會變化(在假定器件都是理想的器件條件下)
4、Zeta和SEPIC對比
ADI一個使用Zeta拓撲的實例設計圖:
一個使用LT8471雙多拓撲DC/DC轉換器和2A開關電源應用。該應用程序使用低紋波拓撲輸出:+/-5V。
通道1使用低輸出紋波?UK拓撲輸出-5V。通道2使用低輸出紋波Zeta拓撲輸出+5V。輸入電壓從4V到25V不等。
參考文獻:
1、TI關于Zeta的視頻講解
2、ADI官網
3、Zeta電路——電子電路 謝俊虎(百度文庫)
(來源: 硬件十萬個為什么微信公眾號)
免責聲明:本文為轉載文章,轉載此文目的在于傳遞更多信息,版權歸原作者所有。本文所用視頻、圖片、文字如涉及作品版權問題,請聯系小編進行處理。
推薦閱讀:




