【導讀】FCS5717E作為一款與FP5207核心性能、封裝規格高度匹配的異步升壓DC-DC控制器,實現無需修改PCB的無縫替換,全面適配原FP5207的手持便攜設備、充電器等應用場景。其不僅在封裝、參數范圍、功能保護機制上與FP5207完全對齊,保障替代無壓力,更具備更寬輸入電壓、更高反饋精度等優勢,外圍配置可直接復用原方案,替換成本極低,為相關方案升級與成本優化提供優質選擇。
核心參數全面覆蓋FP5207需求,替代無壓力:輸入電壓范圍2.7V~36V,不僅覆蓋FP5207的工作電壓區間,還支持低至2.7V的啟動電壓,適配單節鋰電池及寬壓場景;開關頻率100KHz~1MHz可調,與FP5207頻率范圍一致,外部RT電阻取值19.2KΩ~192KΩ(浮空默認180KHz),調節方式相同;反饋電壓1.2V(精度±1%),通過FB引腳分壓電阻設定輸出電壓,調節邏輯與FP5207一致,可復用類似分壓電阻選型思路;關斷電流3.5μA,低功耗表現貼近FP5207,待機對電池續航影響小。
功能與保護機制和FP5207完全對齊:采用電流模式PWM控制,輕載自動切換至跳周模式(PSM)提升效率,與FP5207工作邏輯一致;內置軟啟動功能,避免啟動電流尖峰;輸入欠壓保護(2.6V閾值,0.1V滯回)、開關管過流保護(通過CS引腳外接電阻設定)、150℃過溫保護(30℃滯回),保護體系完整覆蓋FP5207的核心防護需求;需驅動外部NMOS,EXT引腳提供柵極驅動信號,驅動方式與FP5207相同,外部MOS選型可復用原方案。
相比FP5207,CS5717E輸入電壓范圍更寬(36V最高輸入),反饋電壓精度更高(±1%),適用場景更靈活。外圍配置可直接復用FP5207方案,電感、電容、分壓電阻等無需重新選型,替換成本極低,是FP5207的高性價比替代選擇。
一、CS5717的特性
2.7V~36V輸入電壓范圍
100KHz至1MHz的可調頻率
±1%反饋基準電壓
3.5μA關斷電源電流
開關管過流保護OCP
輸入欠壓保護UVP
過溫保護OTP
二、CS5717的應用信息

1、典型應用圖

2、引腳排列及定義

3、功能框圖

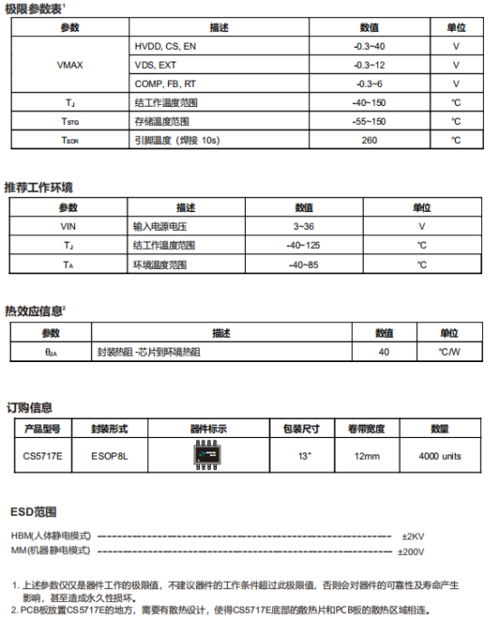
4、基礎參數

總結
FCS5717E憑借與FP5207完全一致的封裝規格、核心參數、功能邏輯及保護機制,實現了“零PCB改動、零外圍重新選型”的無縫替代,大幅降低了方案替換的技術門檻與成本。同時,其更寬的輸入電壓范圍、更高的反饋電壓精度等進階優勢,進一步拓展了應用靈活性,提升了方案可靠性。無論是存量FP5207方案的升級迭代,還是新方案的成本控制需求,FCS5717E都以高性價比的核心優勢,成為FP5207替代的優選之選。






