- 成功的嵌入式設計需要指令集之外的諸多因素
- 認識 PIC32
- 入門 PIC32
- PIC32擁有優化的迷宮
- PIC32保持簡潔
當談到32 位微控制器時,基于ARM 的產品已經占據重要地位。那么,這會是故事的全部嗎?不見得,行業內最重要的公司之一,Microchip Technology,正全力推動其基于MIPS 架構的芯片。他們最新推出的產品在提醒我們,成功的嵌入式設計需要指令集之外的諸多因素。
在計算機歷史上,從實驗室走出過多少種不同的指令集架構?可能曾經有數百種架構取得過一些商業上的成功; 如果算上諸多博士論文中出現過的,數目可能會多達幾千種。拿流行時尚做比喻,計算機體系結構發展就好似女生裙擺的高度一般,經常來回變化。
曾經有一段時間它非常要緊—— 比如在匯編語言編程的時期。至于兼容性,至少在表面上它依舊是件重要的事情,特別是在電腦或視頻游戲方面(例如,有一些需要執行以前的二進制文件)。但實際上,嚴格的目標代碼兼容性對多數嵌入式設計來說已經不再是一個大問題。更多的問題是關于工具鏈的兼容性和代碼模塊的可用性,指令集本身已經不是問題之一。
隨著芯片不斷地集成系統功能,設計人員需要的是一個擁有全部所需存儲器、外設和膠合邏輯的芯片。并且這個芯片必須省電、有良好的工具和支持,以及合適的價格。
這并不是說在特定的應用當中,體系結構并沒有優劣之分。事實上,這個問題很有趣,看看那些當初為“計算機”設計的架構—— 如 ARM 和MIPS,不斷下沉,以更好地適應嵌入式“控制器”應用的需求。這些“計算機”架構最后都終于認識到要在嵌入式應用里面解決諸如代碼密度、低功耗、快速并確定的中斷響應等問題。
認識 PIC32
在 MCU 領域的競爭里,無疑MIPS 是在追趕ARM。但是,擁有像Microchip 這樣的重量級選手支持,差距正在縮小。看看新的PIC32 5XX/6XX/7xx 系列產品,高度集成了以太網、USB 和CAN 應用。
我在以前的文章中(“MIPS for the Masses”,Circuit cellar 216 期,2008)介紹過PIC32的內核。擁有5 級流水線,性能相對較高(比如與ARM Cortex - M3 相比)。不過,這只是處理器內核級別的性能差異。比如Microchip PIC32 的性能為1.5 DMIPS / MHz,而Cortex - M3是1.25 DMIPS / MHz 的。在實際中,32 位微控制器的flash 存儲器訪問時間是性能瓶頸。如以80MHz 運行的PIC32 可能需要2 個等待周期。通常采用寬總線(128 位)、高速緩存和預取等技術來減輕flash 訪問的瓶頸問題。
或者,可以使用片內的RAM來達到0 等待周期。’5xx 系列包含64KB 的RAM,’6xx’和7xx 系列中的部分型號有多達128KB 的RAM。不過要記住,代碼和數據訪問之間的爭搶可能導致一些延遲。此外,256KB 或512KB 的flash 空間足夠用來放置你的代碼(加上額外12 KB 的啟動代碼空間)。
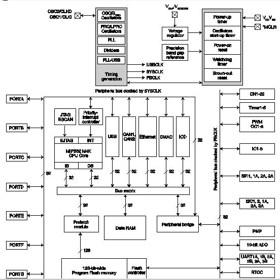
外設方面,這些新產品提供了完整的I/O(見圖1)。 ‘5xx/6xx/7xx 編號代表了大的接口功能:USB、CAN 和以太網。‘5xx 系列包含一個USB 2.0 和一個CAN(2.0b)模塊;‘6xx系列包含USB 模塊與一個10/100 以太網MAC。而‘7xx 系列集成了所有這些,包含USB、以太網和兩個CAN 模塊。

圖1:憑借豐富的I/O(USB、以太網、CAN等),PIC32成為Microchip和MIPS在MCU戰場上的有力武器
普通 I/O 方面,這些產品遵循了不同應用需求的趨勢。我們看到5 個16 位計數器/定時器,其中任何兩對可以組合成為32 位單元。由于封裝尺寸(有64 腳和100 腳可選)和引腳復用的限制,你能得到最多六個UART、四個SPI 以及五個I2C 接口。在模擬方面,有一個16通道多路復用器連接一個10 位1 MSPS 的ADC 和兩個模擬比較器。除了這些MCU 能力,另外還有8/16 位數據總線和16 位地址總線擴展功能,外加兩個片選。所有的數據流可以通過8個通用DMA通道控制,輔以4個專用DMA通道(''5XX 和''6XX 系列)或8個專用DMA通道(''7XX 系列)。
源自上世紀80 年代的MIPS 是RISC 方面“精簡”特性的杰出代表。當響應中斷時,它們可以要對PC 和狀態寄存器壓棧,不然的話就轉由軟件去處理。對這種極端簡約存在一些爭議,可能少了一些有用的東西。考慮到這一點,PIC32 系列包括一個全功能優先級/向量可編程的中斷控制器;以及一組替代寄存器組用于快速中斷響應和上下文切換。
另外,不要忽視那些可能導致嚴重預算問題的膠合邏輯,如看門狗定時器、低電壓檢測、電壓整流器、主時鐘/外設時鐘/實時時鐘等。這些功能的集成,使PIC32 系列成為真正適用于“控制”應用的芯片,有別于“計算機”芯片。
入門
跟以前一樣,Microchip 的芯片評估很容易,而且便宜。PIC32 以太網入門套件(見照片1)定價$72,提供一切你需要的部件。雖然名字為“以太網”入門套件,該套件配備了高端的''795 型號MCU,同時支持USB 功能。

PIC32 采用的架構來源于“計算”,因此它非常適合管理面向PC 的以太網和USB 接口。讓我們看一些演示程序,你就會明白我的意思。
多年來Microchip 一直在為其小型的PIC 芯片提供部分網絡軟件棧,PIC32 做得更多,它提供了全功能、免費的BSD TCP/IP 網絡堆棧。包含所有的網絡服務、套接字等,以及這些常用的協議:DHCP、UDP、ICMP、ARR 等。''795 型芯片中有512KB 的片上flash,有充足的空間存儲一些漂亮的演示程序,讓我們瀏覽一下入門電路板(見照片2)。

不管 OTG 是否真正有用,它使得PIC32 能在更多的傳統領域中得到應用,無論是作為主設備或從設備。USB“嵌入式主設備”在使用中有一些限制,不像“標準主設備”如電腦,舉例來說PIC32 不提供VBUS 電源(100-500 mA),但是你可以在個人電腦的USB接口上找到這種電源——當然這完全可以理解。另外,速度限制也需要注意,,作為從設備時能夠“全速”(12 Mbps),而作為主設備時只能提供“低速”(1.5 Mbps)。
這個套件包含了一些實用的演示。其中一個演示讓該板子成為一個標準人機接口設備(HID)——比如鼠標。因為HID 驅動已經是標準,你可以把它直接插入PC 使用。另外,你可以把這個套件配置成USB 主設備,從而利用PIC32 不斷完善的FAT 文件管理軟件庫,有一些演示展示了如何訪問廣泛使用的USB 存儲器(見照片3)。

優化的迷宮
結構體系進化的重要標志之一,曾經是編譯器的優化。您可能還記得有些人把“RISC”縮寫調侃為“Relegate the Impossible Stuff to the Compiler”,即“把不可能完成的任務丟給編譯器”。然而,在調試時,一個太過自我聰明的編譯器其問題也是顯而易見的。比如PIC32 的“C”編譯手冊有提到說,當調試經過優化的代碼時“可能偶爾會碰到令人驚訝的結果。”
例如,有些變量和代碼會消失,如果編譯器認為你其實并不需要它們。舉例說你聲明了一個變量,然后給它賦值一個常數,接著在某個計算時調用了這個變量。不要為找不到那個變量和賦值語句而抓狂,編譯器只是比你更聰明一點,它在計算中直接調用了常數。
當你在一個條件分支指令處點擊了單步執行,然后看到光標移動到了下一條指令處,這是否意味該條件分支的條件未被滿足呢?未必,請注意這是MIPS 架構的一個特性,即分支指令的下一條指令總是會被執行,當編譯器找不到合適的指令時會填充一條NOP 指令。你必須再執行一次單步操作,才能確認分支條件是否被滿足(在這種情況下,你會看到光標跳到分支目標處)或不滿足(光標跳轉到下一條順序指令)。更先進的“代碼移動”優化能夠導致更多的優化干預。請記住,有時指令可以被挪動很遠的距離,甚至超出你認為應在的循環之外。
不過,調試優化過的代碼也是可能的,尤其是你喜歡頭腦風暴的話(例如,在分支指令后跟一個分支指令會發生什么?)。通常缺省的編譯器優化只生成簡單的代碼,會完整保留你的意圖即使可能它效率底下。當調試時在斷點觸發處,,你可以放心地修改某個變量的值,而不用擔心編譯器會搗什么鬼(比如雖然你從源代碼中看不到,但一些賦值語句已經被挪動并執行了)。


PIC32 在精簡MIPS 架構使其服務于嵌入式應用方面做得很好。比如,全部的活動功耗只有1mA/MHz 水平,從它提供的性能來看這是非常難得的。它們的批量價格也比較合理,特別考慮到那些完整的外設和存儲器配備。
然而競爭也非常激烈,像Cortex - M3、瑞薩SH(現在叫RX)、愛特梅爾的AVR32 以及飛思卡爾的ColdFire 等。這些競爭對手在行業里已經有很長的時間,它們的產品也具有很廣的覆蓋面,在高端產品上能提供跟PIC32類似的集成度和性能,同時還有許多入門級的簡單產品。
我認為MIPS 也在低端產品線上延伸,他們最近發布的“M14K”內核就是明證,在保留當前版本性能的基礎上,在代碼密度、中斷響應和外設一致性上取得了非常大的進步。
其中最深刻的變化是一套新的“microMIPS”指令集。類似于ARM 的Thumb-2,microMIPS 采用了可變長度的操作碼(16 和32 位),以同時取得兩者的優點,即接近32位代碼的性能和16 位代碼的密度(見圖2)。定長指令集是原始RISC 革命的標志性特點,這在當時是合理的(雖然我并沒有覺得),但在今天,架構師們意識到用32 位存儲器(即使不考慮功耗的開銷)只是做個寄存器累加或短跳轉是沒有意義的。同上,在軟件方面,編譯器和IDE 都很好,但MIPS 和Microchip 也應該注意那些簡單的替代產品,如ARM 的mbed、AVR 的Arduino,還有他們自己陣營的PICAXE。有些人可能還認為32 位芯片只是火箭科學家的事,但火箭能賣掉多少個?

想賣出更多的芯片嗎?很簡單,只要做到更低功耗低、更易使用、更便宜。然后接著再這樣繼續。


