【導讀】“新基建”是服務于國家長遠發展和“兩個強國”建設戰略需求,以技術、產業驅動,具備集約高效、經濟適用、智能綠色、安全可靠特征的一系列現代化基礎設施體系的總稱。近年來,黨中央、國務院高度重視新型基礎設施建設,不斷加快并完善5G基建、特高壓、城際高速鐵路和城市軌道交通、新能源汽車充電樁、大數據中心、人工智能、工業互聯網等領域的建設布局。
“新基建”是服務于國家長遠發展和“兩個強國”建設戰略需求,以技術、產業驅動,具備集約高效、經濟適用、智能綠色、安全可靠特征的一系列現代化基礎設施體系的總稱。近年來,黨中央、國務院高度重視新型基礎設施建設,不斷加快并完善5G基建、特高壓、城際高速鐵路和城市軌道交通、新能源汽車充電樁、大數據中心、人工智能、工業互聯網等領域的建設布局。以“新基建”為牽引,夯實經濟社會高質量發展的“底座”“基石”,對于引燃“十四五”產業動力新引擎、助力數字經濟發展、構建智慧和諧社會具有重要意義。

新基建的風口風正勁,墻裂推薦下面十個符合新基建(及關聯市場)的硬核方案,給您一對在市場中輕松翱翔的靈巧翅膀。(掃描上方二維碼即刻下載!)
ADI鋰離子電池測試設備解決方案
最近的兩會中,政府明確將充電樁作為新基建其中的一項,期待其激發新消費需求、助力產業升級。而無疑新能源汽車產業的鋰離子電池是最大產業受益者。鋰離子電池制造程序非常復雜,包括電極生產、堆疊結構、單元裝配。之后還要執行電氣測試,激活電池功能并評定電池容量,確定額定性能和價格。為了在鋰離子電池制造過程中執行這些電氣測試,需要高度集成、高效率和高精度的測試設備,這也正是ADI公司基于AD8452解決方案的亮點所在…

雙AD8452解決方案系統框圖
智能能量采集和低功耗故障指示器設計
在線故障監測終端(FCI)是一種易于實施、少維護或免維護型低成本解決方案,因此對于該設備在配電網中的應用需求也日益增長。設計此類設備主要包括能量采集、電源管理、處理器、模擬前端采樣(AFE)電路和通信接口等。智能能量采集/管理和超低功耗成為客戶設計中的關鍵要求。ADI高度集成的解決方案對于緊湊型布局極其有利,可減少設計復雜性,且業界領先的超低功耗性能使得整個系統信號鏈范圍功耗達到歷史新低。

ADI解決方案覆蓋整個FCI信號鏈(采集單元整體和匯集單元PMU部分)
ADI Fast Start物聯網平臺
新基建下,智慧城市、智慧交通、智能樓宇……迎來一波發展機會,您可以基于Fast Start物聯網平臺一站式解決。Fast Start物聯網平臺是推動智慧城市、智能建筑、智能農業、機器健康監控等物聯網應用發展的強大工具。ADI解決方案提供此應用相關的系列產品,如處理器、能量采集和RF器件等等。

系統框圖
再生能源—能源儲存解決方案
新基建的東風為大功率充電樁帶來機遇。充電樁的大功率化、廣泛部署是必然的趨勢給相關基礎設施建設提出了挑戰,為滿足充電站峰值功率要求,儲能系統被認為是解決充電站峰值負荷對供電側巨大壓力的解決方案。采用 ADI公司計量技術的電表已達3億塊;ADI在下一代更高可靠性隔離技術(iCoupler®)方面居于行業領導地位;全世界所有電網設備中有50%采用ADI轉換器;通過高精度轉換器和放大器實現電流和電壓的精密測量很關鍵……So,再生能源—能源儲存解決方案,找ADI沒有錯~

能源存儲信號鏈
中國配網自動化終端DTU/FTU一二次融合
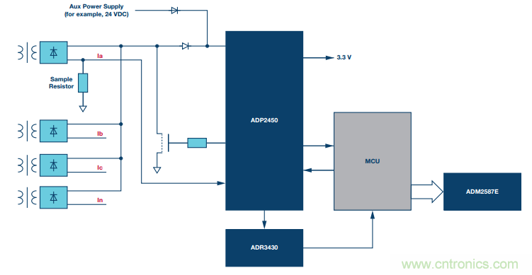
特高壓作為新基建的關鍵項目,將明顯帶動中國配網自動化終端DTU/FTU的巨大商業機會。針對中國國家電網提出的"配網自動化終端DTU/FTU需要考慮一二次設備融合的需求和考慮采用電子式互感器來取代傳統的電磁式互感器"的總體思路,ADI推出了整套的芯片級信號鏈來滿足這些新的應。

現階段DTU/FTU一二次融合系統方案框圖
再生能源—太陽能光伏逆變器解決方案
ADI的太陽能光伏逆變器解決方案提供全信號鏈產品,通過高精度轉換器和放大器實現電流和電壓的精密測量,為電力網絡和智能電網提供穩定、可靠的高性能信號處理技術,從而簡化設計,縮短產品上市時間,提供差異化終端設備。此外,ADI還提供相應解決方案的參考設計、演示版、技術資料和技術支持。

太陽能光伏逆變器信號鏈
無線傳感器網絡(WSN)解決方案
由空間分布式自動傳感器構成,用于監控物理或環境條件,如溫度、聲音、振動、壓力、濕度、運動或污染物。以合作方式通過網絡將其數據傳輸到主要地點(基站)。現代WSN具有雙向特征,能夠同時控制傳感器的活動。WSN由"節點"組成—數量從幾個到數百個甚至幾千個,其中,每個節點都連接到一個(有時是幾個)傳感器。每一個這種傳感器網絡節點一般都包括幾個部件:一個無線電收發器,一根內置天線或外部天線連接、一個微控制器、一個傳感器接口電路和電源,一般為電池或嵌入式能量采集機制。

WSN節點主信號鏈
伺服電機控制解決方案
業界廣泛認為,5G和工業互聯網這兩項支撐性技術的聯手,將既是新基建建設的重頭戲,更是發展數字經濟提升全社會智能化水平的關鍵。作為工業不可分割的一部分,伺服電機控制是其中的關鍵。針對電機控制解決方案,ADI公司提供了門類齊全的產品組合,其中包括了模數/數模轉換器、放大器、嵌入式處理器、iCoupler®數字隔離器、電源管理器件和實時以太網解決方案。

系統框圖和信號鏈
低壓斷路器電子脫扣器(ETU)解決方案
在現代低壓配電系統中,需要更多通信/智能功能來實現更高級別的系統特性(例如區域聯鎖),因此基于微處理器的電子控制單元在低壓開關設備/斷路器系統中變得越來越流行。更小的PCB尺寸和外形設計、生產良率、更高的精度要求以及單個硬件平臺適應不同模等挑戰,ADI公司低壓斷路器電子脫扣器解決方案全面解決這些問題。

MCCB系統框圖
混合動力汽車(HEV)/電動汽車(EV)鋰電池管理
充電樁被認為是新基建政策下5G之外的最大受惠產業,而背后龐大的新能源汽車產業鏈也將直接帶動而受益,混合動力汽車(HEV)/電動汽車(EV)鋰電池產業首當其沖。在高共模電壓和高達數百安培開關瞬變的情況下,電池管理系統(BMS)必須對不同的電池單元進行精確的測量。系統的精度必須達到mV級,采樣必須在嚴格的延遲時間范圍內保持同步,采樣速度和精度都會影響整個系統的效率。自2008年起,ADI(LTC)鋰電池監控IC產品已經發展到第五代,安全性、精度和功能已經不斷提高,始終是業界理想選擇。

ISO SPI架構
(來源:亞德諾半導體)
免責聲明:本文為轉載文章,轉載此文目的在于傳遞更多信息,版權歸原作者所有。本文所用視頻、圖片、文字如涉及作品版權問題,請聯系小編進行處理。




