- LED控制器自動調光基本的模擬操作
- 每個LED都共用相同的I-LED峰值電流
- 標準的I2C端口用于處理I-LED和PWM
利用兩個或更多的獨立LED,當今的驅動器能夠控制可用于便攜系統中的新潮裝飾光。不僅ILED峰值電流完全可編程,每個LED都能在0~100%亮度范圍之間調光至任何值。此外,工作在向上和向下兩種方向的嵌入式漸進調光功能提供了一種終端客戶所需要的特別照明序列。本文闡述這種驅動器的特性,并基于一個典型應用重點探討漸進調光。此外,還討論了相關的軟件作為一項典型示例。
基本的模擬操作
通常來講,LED驅動器在適當的條件下提供恒定的電流來對LED進行偏置。如果我們考慮便攜系統,其電源是輸出電壓范圍在2.8~4.2V之間的電池(假設為是標準的鋰離子電池)。由于根據偏置電流和室溫的不同,當今的低功率LED的正向電壓會在2.8~3.5V之間變化,需要一個接口來確保LED在正常工作期間恰當地偏置。這就是驅動IC的目的,而要考慮的第一個模塊就是電流控制系統的電壓范圍。

圖1基本的LED接線

圖2串并聯鏈接優缺點比較
就這點而言,我們可以考慮采用串聯或并聯方式對LED進行連接:這兩種連接方式各有其優缺點,見圖2。
關鍵點在于,在色彩應用中獨立及動態地調節每個LED亮度的能力。雖然有可能采用升壓結構、使用開關在每個LED間進行連接以控制它們,但串行排列并非首選的解決方案,而并行結構最易于實現。
電荷泵是產生低電壓及EMI問題最小且最合適的DC-DC轉換器。另一方面,采用多種工作模式(1X,1.5X,2X)純粹提升效率,使系統在便攜設備中運行時能夠節省盡可能多的能量。
除了DC-DC轉換器,第二個關鍵參數是屬于共同陣列的LED間的電流匹配:RGB結構不能適應LED間的偏置電流差別,因為這些差別會轉化為視頻和圖像顯示中的色彩表現。通過使用如圖3中所示的一套精確的電流鏡,這個問題就得到解決。
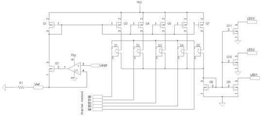
為了在LED中實現精確及穩定的正向偏置條件,通過與帶隙參考提供的恒定電壓相關的外部電阻產生一個參考電流。與運算放大器U1相關的晶體管Q1在Vref引腳產生恒定輸出電壓。Vref和地之間連接的外部電阻產生流經Q1和Q2的恒定電流。這個電流這時候就被Q3~Q7的晶體管系列建立鏡像和放大,每個電流被連接至開關S1~S5,并且被晶體管Q8相加。最后,晶體管Q9復制參考電流至LED1。這種結構針對每個LED進行復制,而芯片的布局經仔細分析,以優化每個LED之間的匹配。

圖3基本的電流鏡結構

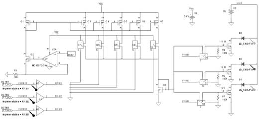
圖4典型的獨立PWM控制
這樣,每個LED都共用相同的I-LED峰值電流,而且需要額外的電子電路來對每個LED的亮度進行獨立控制。這種功能通過為每個LED使用獨立的PWM調制來實現(見圖4):由數字信號PWM1至PWM3控制的開關S6~S8啟動/關閉相關的電流鏡,因此產生相關LED的亮度控制。其凈優勢是LED峰值電流恒定,確保了色彩表現不會被亮度控制所減弱,LED的工作點保持在色彩地圖所定義的參考色彩,見圖5。
圖5中的波形源自工業應用,它展示了嵌入在所選器件中的三個PWM的特性。三個LED采用一個共同低頻時鐘控制,并帶有一個占空比設置來適應給定應用。這很明顯能夠獨立地減弱或增強每個PWM,范圍在0~100%的占空比之間,而ILED峰值電流為恒定。

圖5典型的工業PWM操作
一種更加復雜的電路設計能夠用來獲得對LED的完全獨立控制:I-LED峰值電流和PWM都能夠數字編程,產生幾乎無限的色彩范圍和亮度,因為I-LED峰值電流在色彩地圖中移動。基本的模型描述如圖6所示。

圖6LED和CCFL的色域與NTSC標準的比較
數字控制
標準的I2C端口用于處理I-LED和PWM,利用軟件來設定控制器內建的功能。為了更好地闡述漸進調光,我們將利用NCP5623控制器作為參考來描述這種功能的操作。
[page]
在PWM能夠發生之前,ILED峰值電流將像NCP5623數據表中所定義的那樣通過發送適當的代碼至芯片來設定。創建平滑的增強亮度,軟件將發送驅動器可用的總級(step)數:在本案例中,我們擁有31級。可以在微控制器(MCU)中應用一個簡單環路來處理這個工作,但由于與實時系統相關的優先級中斷問題,亮度上升過程可能被打亂。NCP5623含有內置序列,避免了MCU實時操作的發生:無論是亮度增強還是減弱,漸進調光都能夠通過非常有限的軟件步驟來實現,并且沒有高優先級中斷事件的影響。
基本上,兩個內置寄存器將預先調整如下。
漸進調光的目標和方向:
-亮度增強=%101xxxxx
→最后位[B4:B0]包含增強的最終ILED目標
-亮度減弱=%110xxxxx
→最后位[B5:B0]包含減弱的最終ILED目標
時序和啟動條件:
GRAD=%111xxxxx
→最后位[B5:B0]包含每級的時序
ILED電流將從0平滑增加至5.5mA,總序列時序等于GRAD寄存器位[B5:B0]的內容乘以增強(UPWARD)寄存器定義的級數。在這個例子中:
T=GRAD[B5:B0]*UPWARD[B5:B0]
T=64*26=1664ms

圖7典型的NCP5623自動向上漸進調光過程(每級8ms)
圖7中給出的波形展示了向上漸進調光;對DWNWRD寄存器進行適當編程來實現向下調光的操作。
正如我們能夠觀察到的,ILED電流以準指數曲線形式增加,這種情況足以很好地補償人眼的敏感度。
相反的方向很容易通過在數據寄存器的高三位使用適當的代碼,而序列的余下部分相同來實現。
內置寄存器使對漸進調光進行動態控制成為可能,可以對不同視覺效果進行仿真。舉例來說,我們可以重復由向上或向下期間的數字調制所創建的序列,也可能結合其中一組漸進調光和突然變化在波形的相反側創建類似波形的鋸齒。
最后,能夠結合漸進調光和嵌入在芯片中的PWM,通過IREF引腳對ILED峰值電流進行調制創建相當復雜的光照序列:一種裝飾光系統在主控制器周圍采用最少數量的無源元件得以構造。






