中心議題:
- 功率MOSFET傳輸特征
- 功率MOSFET內部晶胞的等效模型
解決方案:
- 溫度對功率MOSFET傳輸特征影響
- 功率MOSFET開關瞬態過程中晶胞的熱不平衡
通常,許多資料和教材都認為,MOSFET的導通電阻具有正的溫度系數,因此可以并聯工作。當其中一個并聯的MOSFET的溫度上升時,具有正的溫度系數導通電阻也增加,因此流過的電流減小,溫度降低,從而實現自動的均流達到平衡。同樣對于一個功率MOSFET器件,在其內部也是有許多小晶胞并聯而成,晶胞的導通電阻具有正的溫度系數,因此并聯工作沒有問題。但是,當深入理解功率MOSFET的傳輸特性和溫度對其傳輸特性的影響,以及各個晶胞單元等效電路模型,就會發現,上述的理論只有在MOSFET進入穩態導通的狀態下才能成立,而在開關轉化的瞬態過程中,上述理論并不成立,因此在實際的應用中會產生一些問題,本文將詳細地論述這些問題,以糾正傳統認識的局限性和片面性。
功率MOSFET傳輸特征
三極管有三個工作區:截止區、放大區和飽和區,而MOSFET對應的是關斷區、飽和區和線性區。MOSFET的飽和區對應著三極管的放大區,而MOSFET的線性區對應著三極管的飽和區。MOSFET線性區也叫三極區或可變電阻區,在這個區域,MOSFET基本上完全導通。
當MOSFET工作在飽和區時,MOSFET具有信號放大功能,柵極的電壓和漏極的電流基于其跨導保持一定的約束關系。柵極的電壓和漏極的電流的關系就是MOSFET的傳輸特性。

其中,μn為反型層中電子的遷移率,COX為氧化物介電常數與氧化物厚度比值,W和L分別為溝道寬度和長度。
溫度對功率MOSFET傳輸特征影響
在MOSFET的數據表中,通常可以找到它的典型的傳輸特性。注意到25℃和175℃兩條曲線有一個交點,此交點對應著相應的VGS電壓和ID電流值。若稱這個交點的VGS為轉折電壓,可以看到:在VGS轉折電壓的左下部分曲線,VGS電壓一定時,溫度越高,所流過的電流越大,溫度和電流形成正反饋,即MOSFET的RDS(ON)為負溫度系數,可以將這個區域稱為RDS(ON)的負溫度系數區域。

圖1 MOSFET轉移特性
而在VGS轉折電壓的右上部分曲線,VGS電壓一定時,溫度越高,所流過的電流越小,溫度和電流形成負反饋,即MOSFET的RDS(ON)為正溫度系數,可以將這個區域稱為RDS(ON)正溫度系數區域。
功率MOSFET內部晶胞的等效模型
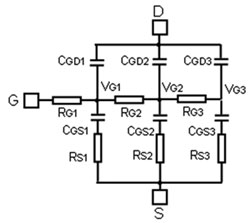
在功率MOSFET的內部,由許多單元,即小的MOSFET晶胞并聯組成,在單位的面積上,并聯的MOSFET晶胞越多,MOSFET的導通電阻RDS(ON)就越小。同樣的,晶元的面積越大,那么生產的MOSFET晶胞也就越多,MOSFET的導通電阻RDS(ON)也就越小。所有單元的G極和S極由內部金屬導體連接匯集在晶元的某一個位置,然后由導線引出到管腳,這樣G極在晶元匯集處為參考點,其到各個晶胞單元的電阻并不完全一致,離匯集點越遠的單元,G極的等效串聯電阻就越大。
正是由于串聯等效的柵極和源極電阻的分壓作用,造成晶胞單元的VGS的電壓不一致,從而導致各個晶胞單元電流不一致。在MOSFET開通的過程中,由于柵極電容的影響,會加劇各個晶胞單元電流不一致。
功率MOSFET開關瞬態過程中晶胞的熱不平衡
從圖2可以看出:在開通的過程中,漏極的電流ID在逐漸增大,離柵極管腳距離近的晶胞單元的電壓大于離柵極管腳距離遠的晶胞單元的電壓,即VG1>VG2>VG3>…,VGS電壓高的單元,也就是離柵極管腳距離近的晶胞單元,流過的電流大,而離柵極管腳距離較遠的晶胞單元,流過的電流小,距離最遠地方的晶胞甚至可能還沒有導通,因而沒有電流流過。電流大的晶胞單元,它們的溫度升高。

圖2 功率MOSFET的內部等效模型
由于在開通的過程中VGS的電壓逐漸增大到驅動電壓,VGS的電壓穿越RDS(ON)的負溫度系數區域,此時,那些溫度越高的晶胞單元,由于正反饋的作用,所流過的電流進一步加大,晶胞單元溫度又進一步上升。如果VGS在RDS(ON)的負溫度系數區域工作或停留的時間越大,那么這些晶胞單元就越有過熱擊穿的可能,造成局部的損壞。
如果VGS從RDS(ON)的負溫度系數區域到達RDS(ON)的正溫度系數區域時沒有形成局部的損壞,此時,在RDS(ON)的正溫度系數區域,晶胞單元的溫度越高,所流過的電流減小,晶胞單元溫度和電流形成負反饋,晶胞單元自動均流,達到平衡。
相應的,在MOSFET關斷過程中,離柵極管腳距離遠的晶胞單元的電壓降低得慢,容易在RDS(ON)的負溫度系數區域形成局部的過熱而損壞。
因此,加快MOSFET的開通和關斷速度,使MOSFET快速通過RDS(ON)的負溫度系數區域,就可以減小局部能量的聚集,防止晶胞單元局部的過熱而損壞。
基于上面的分析,可以得到:當MOSFET局部損壞時,若損壞的熱點位于離柵極管腳距離近的區域,則可能是開通速度太慢產生的局部的損壞;若損壞的熱點位于離柵極管腳距離遠的區域,則可能是關斷速度太慢產生的局部損壞。
在柵極和源極加一個大的電容,在開機的過程中,就會經常發生MOSFET損壞的情況,正是由于額外的大的輸入電容造成晶胞單元VGS電壓更大的不平衡,從而更容易導致局部的損壞。
結論
1.MOSFET在開通的過程中,RDS(ON)從負溫度系數區域向正溫度系數區域轉化;在其關斷的過程中,RDS(ON)從正溫度系數區域向負溫度系數區域過渡。
2.MOSFET串聯等效的柵極和源極電阻的分壓作用和柵極電容的影響,造成晶胞單元的VGS的電壓不一致,從而導致各個晶胞單元電流不一致,在開通和關斷的過程中形成局部過熱損壞。
3.快速開通和關斷MOSFET,可以減小局部能量的聚集,防止晶胞單元局部的過熱而損壞。開通速度太慢,距離柵極管腳較近的區域局部容易產生局部過熱損壞,關斷速度太慢,距離柵極管腳較遠的區域容易產生局部過熱損壞。



