【導讀】RS-485收發器相關問題已經困擾您許久?別擔心!?本文基于德州儀器在線支持社區E2E™內的常見問題提供了一些見解,對于想要了解這一既定通信標準的人來說,相信會為您提供幫助!
1. 何時需要在RS-485總線上端接,以及如何正確端接?
RS-485總線端接在許多應用中均很有用,因為此方式有助于提高信號完整性并減少通信問題。“端接”是指將電纜的特征阻抗與端接網絡匹配,使總線末端的接收器能夠觀察到最大信號功率。未端接或端接不當的總線將無法很好的匹配,從而在網絡末端產生反射,導致整體信號完整性降低。
在網絡的雙向環路時間遠大于信號位時間時,無需終止,因為每次反射到達網絡末端時,它們都會損失能量。但是,對于位時間基本上不長于電纜環路時間的應用,為使反射最小化,端接至關重要。
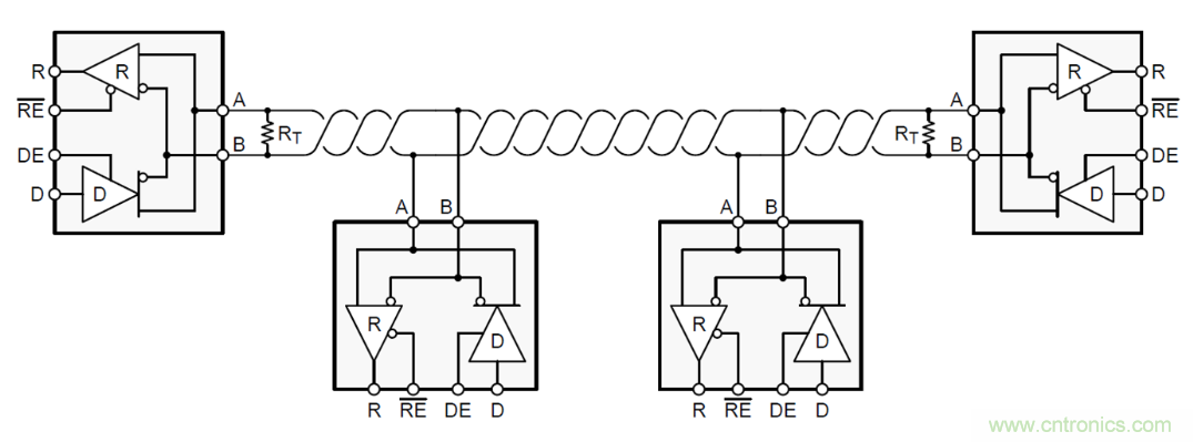
最基本的端接稱為并聯端接,由單個電阻組成,如圖1所示。RS-485標準要求標稱特性阻抗達到120Ω,因此端接電阻的默認值應為RT = 120Ω。閱讀博文:“RS-485基礎:什么時候需要端接,以及如何正確執行。”

圖1:具有并聯端接的RS-485總線什么是故障安全偏置,如何實現?
2.什么是故障安全偏置,如何實現?
故障安全偏置是確保RS-485接收器不會因差分輸入電壓而處于不確定狀態的一種方式。電子工業聯盟(EIA)-485標準指出:當差分電壓≥+ 200mV時,RS-485的輸入閾值是邏輯高;差分電壓≤-200mV時,RS-485的輸入閾值是邏輯低,從而在高低閾值之間保持400mV的不確定狀態。
可通過以下兩種方式實現故障安全偏置:
● 選擇在接收器中具有內置故障安全輸入閾值的收發器。
● 添加外部電阻,以在空載總線上產生外部偏置。
兩種方法都可以確保總線上的邏輯高狀態。閱讀博文:“RS-485基礎:故障安全偏置網絡的兩種方法。
3. 如何計算RS-485總線上的最大節點數?
RS-485是多點差分總線,意味著總線上的所有節點都共享一個公共傳輸介質。隨著節點總數增加,每個驅動器上的負載也將隨之增加。
電信行業協會(TIA)/ EIA-485標準創建了一個假設的單位負載(UL),以幫助計算RS-485總線上的最大節點數。該標準規定:驅動器必須能夠在最多32個單元負載上并行驅動至少1.5V差分信號,并在總線的兩端分別連接兩個120Ω終端電阻。
公式1表示輸入電壓除以漏電電流后最壞情況下的比值來計算輸入電阻。在確定了節點的輸入電阻后,可使用公式2計算RS-485總線上的最大節點數:
輸入電阻=最大(VIN/Ileakage)(1)
節點數= 32 /輸入電阻(2)
4. 如何了在恰當時間需要在節點之間添加一根地線?
設計遠程數據鏈路時,必須假設存在一些接地電位差。這些電壓會給發射機輸出增加共模噪聲Vn。即使總疊加信號處在接收機的輸入共模范圍內,依靠當地的地電位差作為返回電流的可靠路徑也是不安全的。接地電位差(GPD)超出接收器的共模范圍時(在長電纜和大電流負載的情況下經常發生),需要使用適當的接地技術。

圖2:遠程節點配置:獨立的接地點(a);直接連接的遠程接地(b);器件接地和本地系統接地的分離(c)
圖2a所示為可能從電氣安裝的不同部分汲取功率的遠程節點。對安裝的任何變動(例如在維護工作期間)均可將GPD以至于超出接收器的輸入共模范圍的程度。因此可能會導致目前正工作的數據鏈路將來停止運行。
也不建議通過接地線直接連接遠程接地(圖2b),因為直接連接會導致大的接地回路電流作為共模噪聲耦合到數據線。
為實現遠程接地的直接連接,RS-485標準建議通過插入電阻器將設備接地與本地系統接地分開(圖2c)。雖然這種方法降低了環路電流,但由于存在一個大接地環路使數據鏈路對環路其他地方產生的噪聲保持敏感。因此,尚未建立穩定的數據鏈路。
要在強健的RS-485數據鏈路上遠距離承受高達數千伏的GPD,最佳方法是將總線收發器的信號和電源線與其本地信號和電源進行電流隔離。這種情況下,電源隔離器(例如隔離的DC / DC轉換器)和信號隔離器(例如數字電容隔離器)可防止電流在遠程系統接地之間流動,并避免產生電流環路。
5. RS-485的長度與速度建議值是多少?
在額定的數據速率下,最大總線長度受限于傳輸線損耗和信號抖動。由于在波特率為10%或以上的抖動,數據可靠性急劇下降,因此圖3所示為傳統RS-485電纜在信號抖動10%的情況下的電纜長度與數據速率特性。

圖3:電纜長度與數據速率建議
在圖3上,標有1號的圓圈代表電纜長度較短時的高數據速率區域。此處,可忽略傳輸線的損耗。數據速率主要取決于驅動器的上升時間。盡管該標準建議使用10 Mbps,但如今的快速接口電路可以高達50 Mbps的數據速率運行。
圖3中的紅色2號代表從短數據線到長數據線的過渡。必須考慮較長傳輸線的損耗。因此,隨著電纜長度的增加,數據速率必須降低。根據經驗,線路長度[m]與數據速率[bps]的乘積應為107。
紅色的3代表低頻范圍,其中電纜串聯電阻和線路端接的相互作用會導致信號衰減。在某個點,信號的振幅變得比接收機能夠正常檢測到的幅度要小(即不超過VIT閾值)。
6. 如何估計RS-485的功耗?
要計算功耗,可將功率分為幾部分。當器件在沒有外部負載的情況下通電時,功耗將用于集成電路本身。如果在輸出引腳上增加負載,則驅動負載的功率將從器件中抽取。由于RS-485具有差分信號,因此負載通常添加在A和B引腳之間。
在圖4中,藍色軌跡,PDic,是器件消耗的功率。對于低數據速率,功耗主要來自電阻負載(紅色跡線),PDdc。對于高數據速率,需考慮電容性負載的功耗(綠色跡線)PDac。

圖4:計算功耗扇區
公式3計算總功耗為:
PDtotal = PDic + PDdc + PDac (3)
如需計算總功耗,必須首先計算出每個部分的功率。器件功耗參見公式4,其中靜態電源電流Icc在數據手冊中指定:
PDic = Vcc*Icc (4)
如果將電阻性負載置于總線上,驅動器會在其上產生一個電壓(Vod),如公式5和6所示,其中C是寄生電容,它包括收發器的電容、負載的電容和跡線電容。數據頻率f也包括在計算中。
PDdc = Vcc*I – I2*R = (Vcc – I*R)*I (5)
PDac = 2*2C*f*Vcc*Vod (6)
閱讀博文:“如何計算高速RS-485收發器的功耗”。
7. 如何保護RS-485接口免受靜電釋放(ESD)影響?
ESD保護有多種類型,包括人體模型、國際電工委員會(IEC)接觸放電和IEC氣隙放電。如果一個收發器具有集成了IEC ESD(例如德州儀器的THVD1450或THVD1500),則無需外部組件就可在指定收發器的電平上保護RS-485接口免受ESD的影響。
例如,在沒有任何外部元件的情況下,THVD1450可以支持18-kV IEC 61000-4-2接觸放電。市場上許多器件都沒有這種集成,因此需要外部瞬態電壓抑制(TVS)二極管。閱讀博文:“如何根據額定電壓為RS-232、RS-485和CAN選擇TVS二極管。”
8. 如何了解是否需要外部TVS二極管?
工業網絡必須在惡劣的環境中可靠運行。由ESD、感應負載的切換或雷擊引起的電氣過應力瞬變會破壞數據傳輸并損壞總線收發器,除非采取有效措施來減少瞬態影響。
德州儀器器件已根據以下標準進行了測試:
● IEC 61000-4-2的ESD抗靜電測試,模擬了操作員直接向相鄰電子部件施加靜電。 THVD1500和THVD1450已通過此標準測試。
● IEC 61000-4-4-4的電氣快速瞬態(EFT)或突發抗擾度測試,模擬了因感應負載中斷、繼電器觸點彈跳等引起的日常開關瞬變。THVD1450和THVD1550已通過此標準測試。
● 就電流和持續時間而言,電涌抗擾度測試IEC 61000-4-5是最嚴格的瞬態抗擾度測試,約比ESD和EFT測試時間長1000倍。THVD1429和THVD1419已通過此標準測試。
● 德州儀器的THVD系列最新的RS-485收發器根據這些標準集成了各種保護級別,且無需額外的外部保護。保護級別在器件數據表中指定。
9. 如何防止高電壓短路?
在許多RS-485應用中,存在著不慎將通信線連接到電源線的風險。這種風險在現場安裝的系統中特別高,如HVAC系統、照明控制或其他樓宇自動化應用等現場安裝的系統中。這些情況下,必須確保RS-485收發器不會損壞,以避免昂貴的現場退貨和重新安裝風險。
雖然像TVS二極管之類的箝位元件能夠限制瞬態事件中收發器觀察到的最大電壓,但它們通常無法防止較長時間的應力(例如DC短路)。為防止這些情況,需要一些串聯限流元件。一種典型的方法是使用正溫度系數(PTC)電阻器。該電阻在標稱條件下的電阻較低,但在故障條件下,當大電流流過時(例如,流過TVS等箝位裝置),電阻就會變大。德州儀器參考設計“保護RS-485收發器免受持續高電壓/電氣過應力的參考設計”中可看到使用THVD1500收發器的實現方式的示例。
但是,使用這些額外的串聯限流和并聯電壓箝位元件可能會很昂貴,并占用寶貴的PCB空間。因此,大多數情況下,更優化的方法是使用能夠耐受這些高故障電壓而無需外部保護的收發器。THVD2450就是一個示例。其額定承受直流短路電壓可達+/- 70V。
推薦閱讀:






